Bảng dữ liệu sản phẩm
Bánh xe tự điều chỉnh (tùy chọn)
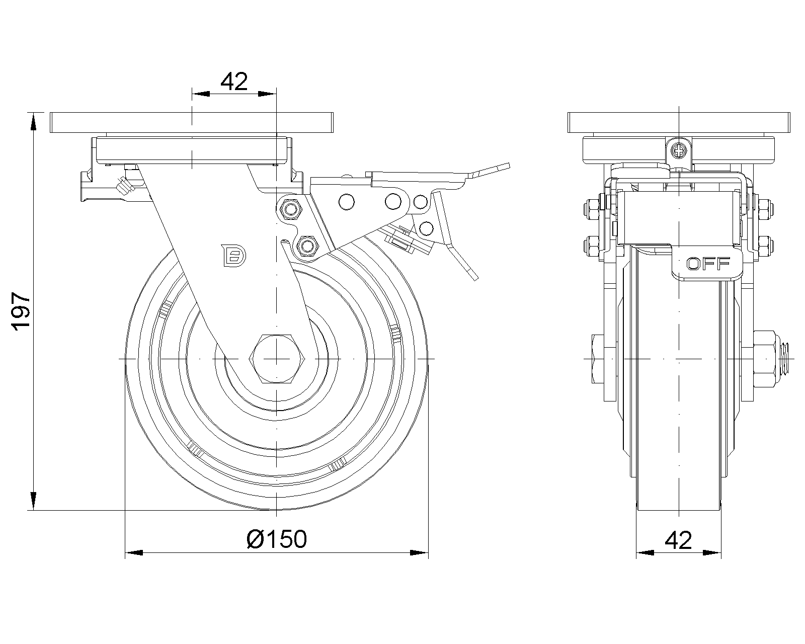
  Bánh xe QPU (nâu phẳng) Đường kính bánh xe × Chiều rộng bánh xe 150 x 42mm
  EAN
      KS-11520600534741
         
Bánh xe phanh trước với hệ thống khóa tự động, khung thép hàn
Hoàn thiện sơn xanh, lắp đế, khoảng cách lỗ 110x75
Lõi bánh xe bằng gang, gai polyurethane chất lượng cao, màu nâu phay
Vòng bi bánh xe—vòng bi cầu chính xác
  Lốp xe: Lốp xe làm từ polyurethane chất lượng cao
  Lõi bánh xe: lõi sắt/lõi gang

    Mô tả sản phẩm chỉ mang tính chất tham khảo. Sản phẩm thực tế sẽ được ưu tiên.



     
      đơn vị mét đế quốc
  Đường kính bánh xe 150mm 

  Chiều rộng bánh xe 042mm 
  vòng bi bánh xe Bánh xe trang bị vòng bi bi
  Quy cách tấm lắp 140 x 110mm 
  khoảng cách các lỗ trên tấm nền 110x75mm 
  Khoảng cách các lỗ lắp 22 x 13mm 
  Độ lệch tâm 42mm 
  Sự can thiệp quay 320mm 
  Tổng chiều cao 197mm 
  Bán kính xoay 160mm 
  Độ cứng 92±5° Shore A 
  Tải trọng (động) 600kgs 


  Độ di chuyển mượt mà 
    ● ● ● ● ●

  Chế độ im lặng        ● ● ● ● ●

  Bảo vệ mặt sàn       ● ● ● ● ●

  Tải trọng (tĩnh) 900kgs 
  Nhiệt độ -20°C to +70°C 
  Càng bánh xe Khóa trước
  Thép không gỉ N/A
  Dẫn điện N/A 
  Chống tĩnh điện N/A 
  Trọng lượng bánh xe đẩy 5.13kgs 
  Tiêu chuẩn kiểm nghiệm ISO22883
  
  
  © Bản quyền thuộc về 2026 DershengInternational www.dersheng.com
Sản phẩm liên quan
1152 Series — CÀNG KIỂU B GIẢM MA SÁT
Bánh xe QPU (nâu phẳng) Đường kính bánh xe × Chiều rộng bánh xe 150 x 42mm
KS-11520600532041
150 mm 600 Kgs 197 mm
Bánh xe xoay với khung thép hàn, sơn phủ màu xanh.
Lắp đế, khoảng cách lỗ 110x75.
Lõi gang với gai polyurethane chất lượng cao, phay màu nâu.
Vòng bi bánh xe—vòng bi cầu chính xác.
1152 Series — CÀNG KIỂU B GIẢM MA SÁT
Bánh xe QPU (nâu phẳng) Đường kính bánh xe × Chiều rộng bánh xe 150 x 42mm
KS-11520600534041
150 mm 600 Kgs 197 mm
Bánh xe có phanh trước và hệ thống khóa, khung thép hàn, sơn phủ màu xanh
Lắp đế, khoảng cách lỗ 110x75
Lõi bánh xe bằng gang, gai polyurethane chất lượng cao, màu nâu phay
Vòng bi bánh xe—vòng bi cầu chính xác
Bánh xe tự điều chỉnh (tùy chọn)
Bánh xe QPU (nâu phẳng) Đường kính bánh xe × Chiều rộng bánh xe 150 x 42mm
KS-11520600532711
150 mm 600 Kgs 197 mm
Bánh xe xoay tự định tâm với khung thép hàn.
Hoàn thiện sơn màu xanh, lắp đế, khoảng cách lỗ 110x75.
Lõi bánh xe bằng gang với gai polyurethane chất lượng cao, phay màu nâu.
Vòng bi bánh xe: Vòng bi bi chính xác.