Bảng dữ liệu sản phẩm
Bánh xe tự điều chỉnh (tùy chọn)
  Bánh xe MRC (trong suốt) Đường kính bánh xe × Chiều rộng bánh xe 150 x 40mm
  EAN
      KS-11520600072721
         
Bánh xe tự định tâm với khung thép hàn.
Hoàn thiện sơn màu xanh, lắp trên đế, khoảng cách lỗ 110x75.
Lõi bánh xe bằng nhựa nhiệt dẻo, gai bánh xe tự nhiên.
Vòng bi bánh xe—vòng bi chính xác.
  Mặt bánh xe: Nhựa nhiệt dẻo (PA6)
  Lõi bánh xe: Nhựa nhiệt dẻo (PA6)

    Mô tả sản phẩm chỉ mang tính chất tham khảo. Sản phẩm thực tế sẽ được ưu tiên.



     
      đơn vị mét đế quốc
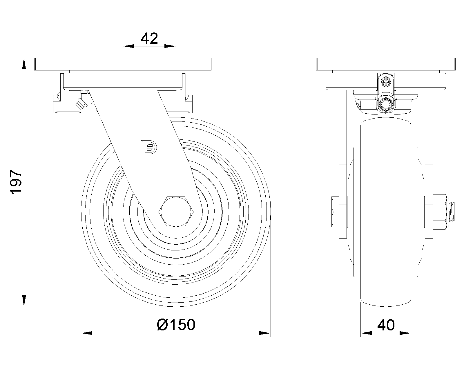
  Đường kính bánh xe 150mm 

  Chiều rộng bánh xe 040mm 
  vòng bi bánh xe Bánh xe trang bị vòng bi bi
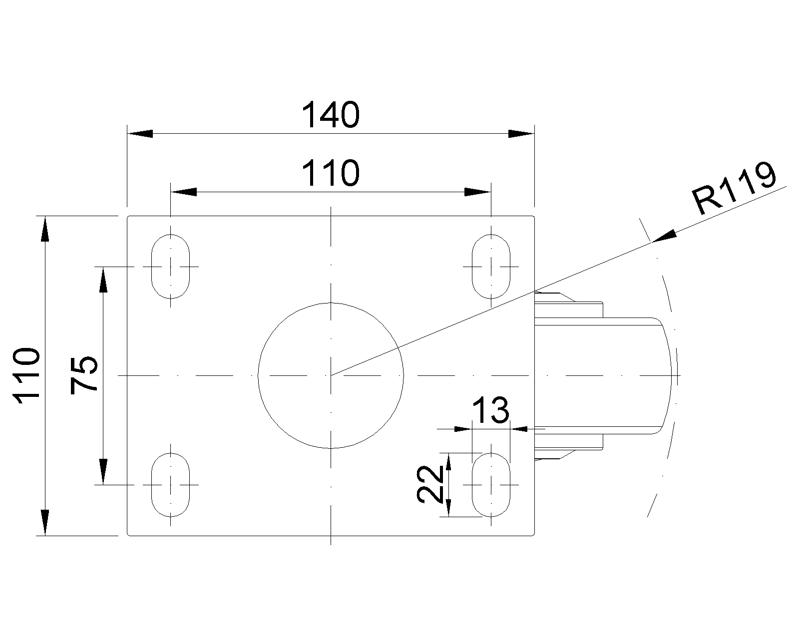
  Quy cách tấm lắp 140 x 110mm 
  khoảng cách các lỗ trên tấm nền 110x75mm 
  Khoảng cách các lỗ lắp 22 x 13mm 
  Độ lệch tâm 42mm 
  Sự can thiệp quay 238mm 
  Tổng chiều cao 197mm 
  Bán kính xoay 119mm 
  Độ cứng 75±5° Shore D 
  Tải trọng (động) 400kgs 


  Độ di chuyển mượt mà 
    ● ● ● ● ●

  Chế độ im lặng        ● ● ○ ○ ○

  Bảo vệ mặt sàn       ● ● ○ ○ ○

  Tải trọng (tĩnh) 600kgs 
  Nhiệt độ -20°C to +80°C 
  Càng bánh xe Xoay 
  Thép không gỉ N/A
  Dẫn điện N/A 
  Chống tĩnh điện N/A 
  Trọng lượng bánh xe đẩy 3.41kgs 
  Tiêu chuẩn kiểm nghiệm ISO22883
  
  
  © Bản quyền thuộc về 2026 DershengInternational www.dersheng.com
Sản phẩm liên quan
1152 Series — CÀNG KIỂU B GIẢM MA SÁT
Bánh xe MRC (trong suốt) Đường kính bánh xe × Chiều rộng bánh xe 150 x 40mm
KS-11520600072011
150 mm 400 Kgs 197 mm
Bánh xe xoay, khung thép hàn, sơn phủ màu xanh
Lắp đế, khoảng cách lỗ 110x75
Lõi bánh xe bằng nhựa nhiệt dẻo, gai bánh xe màu tự nhiên
Vòng bi bánh xe—vòng bi chính xác
1152 Series — CÀNG KIỂU B GIẢM MA SÁT
Bánh xe MRC (trong suốt) Đường kính bánh xe × Chiều rộng bánh xe 150 x 40mm
KS-11520600074011
150 mm 400 Kgs 197 mm
Bánh xe có phanh trước và hệ thống khóa, khung thép hàn, sơn phủ màu xanh.
Lắp đế, khoảng cách lỗ 110x75
Lõi bánh xe bằng nhựa nhiệt dẻo, gai bánh xe tự nhiên
Vòng bi bánh xe—vòng bi cầu chính xác
Bánh xe tự điều chỉnh (tùy chọn)
Bánh xe MRC (trong suốt) Đường kính bánh xe × Chiều rộng bánh xe 150 x 40mm
KS-11520600074741
150 mm 400 Kgs 197 mm
Bánh xe có phanh trước và hệ thống khóa tự động, khung thép hàn.
Hoàn thiện sơn màu xanh, lắp đế, khoảng cách lỗ 110x75.
Lõi bánh xe bằng nhựa nhiệt dẻo, gai bánh xe tự nhiên.
Vòng bi bánh xe—vòng bi cầu chính xác.