Bảng dữ liệu sản phẩm
Bánh xe tự điều chỉnh (tùy chọn)
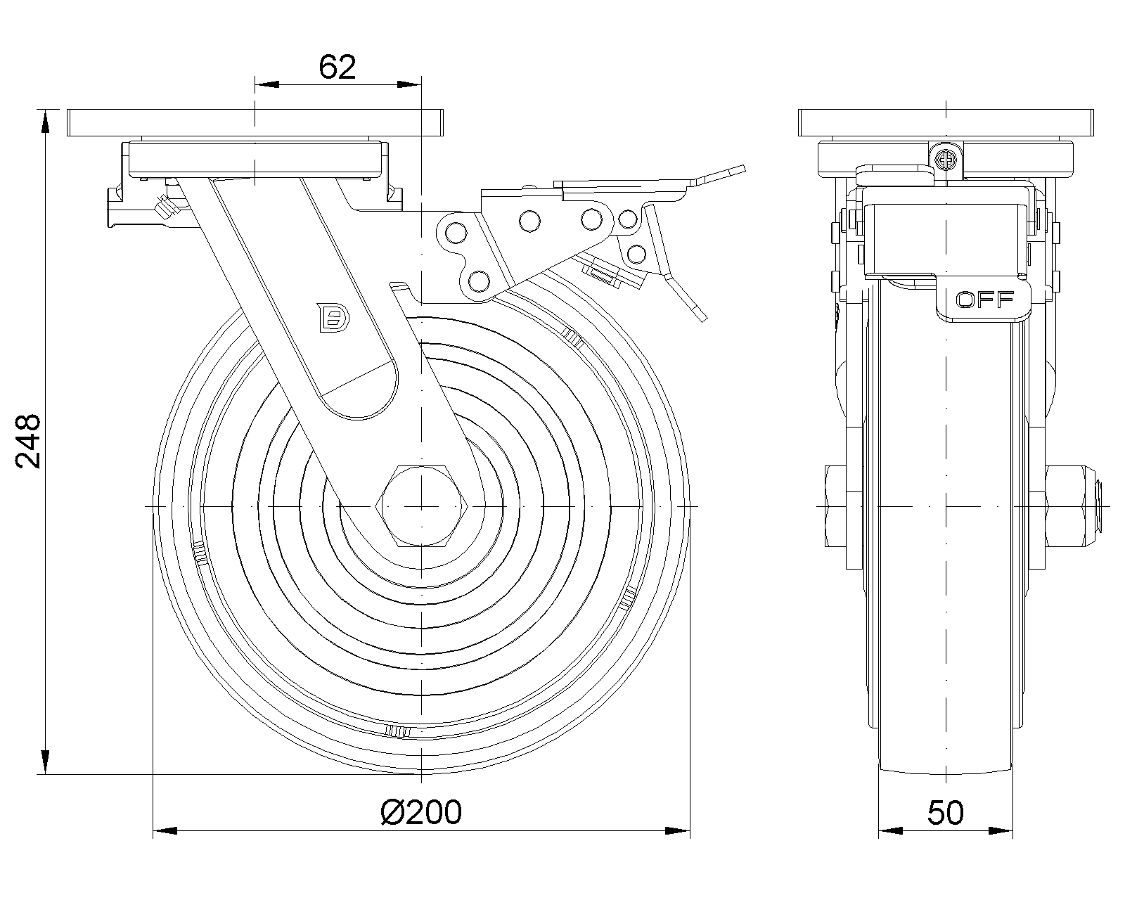
  Bánh xe PU (vòng cung đỏ) Đường kính bánh xe × Chiều rộng bánh xe 200 x 50mm
  EAN
      KS-11520800334741
         
Bánh xe có phanh trước và hệ thống khóa tự động, khung thép hàn
Hoàn thiện sơn xanh, lắp đế, khoảng cách lỗ 110x75
Lõi bánh xe bằng gang, gai polyurethane chất lượng cao, phay màu đỏ
Vòng bi bánh xe—vòng bi cầu chính xác
  Mặt bánh xe: Được làm bằng polyurethane chất lượng cao
  Lõi bánh xe: lõi sắt/lõi gang

    Mô tả sản phẩm chỉ mang tính chất tham khảo. Sản phẩm thực tế sẽ được ưu tiên.



     
      đơn vị mét đế quốc
  Đường kính bánh xe 200mm 

  Chiều rộng bánh xe 050mm 
  vòng bi bánh xe Bánh xe trang bị vòng bi bi
  Quy cách tấm lắp 140 x 110mm 
  khoảng cách các lỗ trên tấm nền 110x75mm 
  Khoảng cách các lỗ lắp 22 x 13mm 
  Độ lệch tâm 62mm 
  Sự can thiệp quay 368mm 
  Tổng chiều cao 248mm 
  Bán kính xoay 184mm 
  Độ cứng 93±5° Shore A 
  Tải trọng (động) 450kgs 


  Độ di chuyển mượt mà 
    ● ● ● ○ ○

  Chế độ im lặng        ● ● ● ● ○

  Bảo vệ mặt sàn       ● ● ● ● ○

  Tải trọng (tĩnh) 675kgs 
  Nhiệt độ -20°C to +70°C 
  Càng bánh xe Khóa trước
  Thép không gỉ N/A
  Dẫn điện N/A 
  Chống tĩnh điện N/A 
  Trọng lượng bánh xe đẩy 6.20kgs 
  Tiêu chuẩn kiểm nghiệm ISO22883
  
  
  © Bản quyền thuộc về 2026 DershengInternational www.dersheng.com
Sản phẩm liên quan
1152 Series — CÀNG KIỂU B GIẢM MA SÁT
Bánh xe PU (vòng cung đỏ) Đường kính bánh xe × Chiều rộng bánh xe 200 x 50mm
KS-11520800332171
200 mm 450 Kgs 248 mm
Bánh xe xoay với khung thép hàn và lớp sơn phủ màu xanh.
Lắp đế, khoảng cách lỗ 110x75
Lõi bánh xe bằng gang với gai polyurethane chất lượng cao, phay màu đỏ
Vòng bi bánh xe—vòng bi chính xác
1152 Series — CÀNG KIỂU B GIẢM MA SÁT
Bánh xe PU (vòng cung đỏ) Đường kính bánh xe × Chiều rộng bánh xe 200 x 50mm
KS-11520800334121
200 mm 450 Kgs 248 mm
Bánh xe có phanh trước, hệ thống khóa, khung thép hàn
Bề mặt phun sơn màu xanh, thiết bị lắp đặt tấm đáy, khoảng cách lỗ 110x75
Lõi bánh xe bằng gang, bề mặt bánh xe bằng polyurethane chất lượng cao, phay màu đỏ
Vòng bi bánh xe—vòng bi bi chính xác
Bánh xe tự điều chỉnh (tùy chọn)
Bánh xe PU (vòng cung đỏ) Đường kính bánh xe × Chiều rộng bánh xe 200 x 50mm
KS-11520800332771
200 mm 450 Kgs 248 mm
Bánh xe tự phục hồi, khung thép hàn
Bề mặt phun sơn màu xanh, thiết bị lắp đặt tấm đáy, khoảng cách lỗ 110x75
Lõi bánh xe bằng gang, bề mặt bánh xe bằng polyurethane chất lượng cao, phay màu đỏ
Vòng bi bánh xe—vòng bi bi chính xác