Bảng dữ liệu sản phẩm
1152 Series — CÀNG KIỂU B GIẢM MA SÁT
  Bánh xe VXPU (vòng cung đỏ rượu) Đường kính bánh xe × Chiều rộng bánh xe 250 x 62mm
  EAN
      KS-11521000692021
         
Bánh xe xoay với khung thép hàn, sơn phủ màu xanh.
Lắp đế, khoảng cách lỗ 140x85.
Lõi gang, mặt lốp polyurethane chất lượng cao, phay màu nâu.
Vòng bi bánh xe—vòng bi cầu chính xác.
  Mặt bánh xe: Được làm bằng polyurethane chất lượng cao
  Lõi bánh xe: lõi sắt/lõi gang

    Mô tả sản phẩm chỉ mang tính chất tham khảo. Sản phẩm thực tế sẽ được ưu tiên.



     
      đơn vị mét đế quốc
  Đường kính bánh xe 250mm 

  Chiều rộng bánh xe 062mm 
  vòng bi bánh xe Bánh xe trang bị vòng bi bi
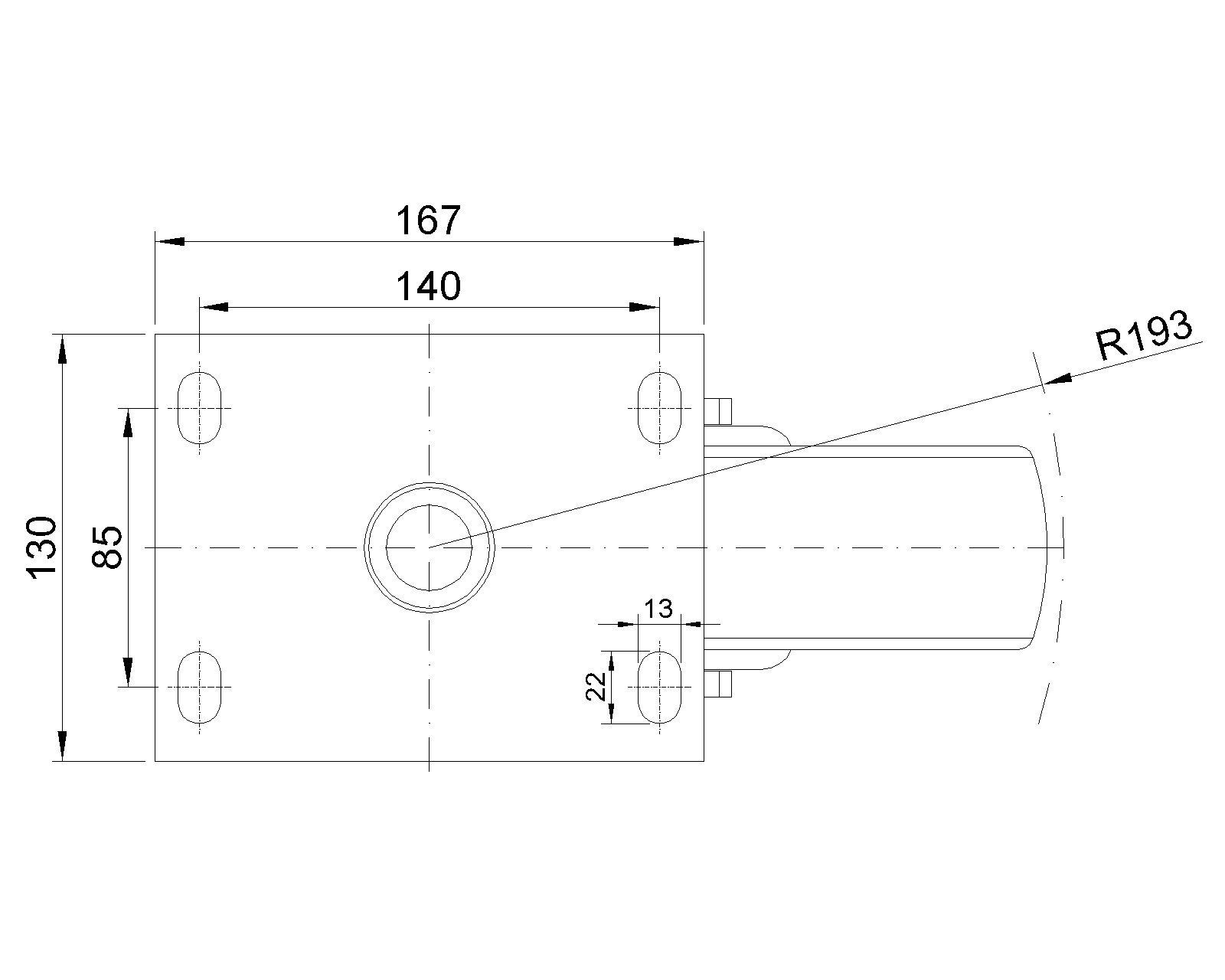
  Quy cách tấm lắp 140 x 130mm 
  khoảng cách các lỗ trên tấm nền 140x85mm 
  Khoảng cách các lỗ lắp 22 x 13mm 
  Độ lệch tâm 62mm 
  Sự can thiệp quay 386mm 
  Tổng chiều cao 305mm 
  Bán kính xoay 193mm 
  Độ cứng 92±5° Shore A 
  Tải trọng (động) 1500kgs 


  Độ di chuyển mượt mà 
    ● ● ● ● ●

  Chế độ im lặng        ● ● ● ● ●

  Bảo vệ mặt sàn       ● ● ● ● ●

  Tải trọng (tĩnh) 2250kgs 
  Nhiệt độ -20°C to +70°C 
  Càng bánh xe Xoay 
  Thép không gỉ N/A
  Dẫn điện N/A 
  Chống tĩnh điện N/A 
  Trọng lượng bánh xe đẩy 13.98kgs 
  Tiêu chuẩn kiểm nghiệm ISO22883
  
  
  © Bản quyền thuộc về 2026 DershengInternational www.dersheng.com
Sản phẩm liên quan
1152 Series — CÀNG KIỂU B GIẢM MA SÁT
Bánh xe VXPU (vòng cung đỏ rượu) Đường kính bánh xe × Chiều rộng bánh xe 250 x 62mm
KS-11521000694121
250 mm 1500 Kgs 305 mm
Bánh xe có hệ thống phanh và khóa sau, khung thép hàn, sơn phủ màu xanh
Lắp đế, khoảng cách lỗ 140x85
Lõi bánh xe bằng gang, gai polyurethane chất lượng cao, phay màu đỏ tía
Vòng bi bánh xe—vòng bi cầu chính xác