Bảng dữ liệu sản phẩm
1152 Series — CÀNG KIỂU B GIẢM MA SÁT
  Bánh xe EQPU (hồ quang nâu) Đường kính bánh xe × Chiều rộng bánh xe 125 x 40mm
  EAN
      KS-11520500551321
         
Bánh xe cố định với khung thép hàn, sơn màu xanh.
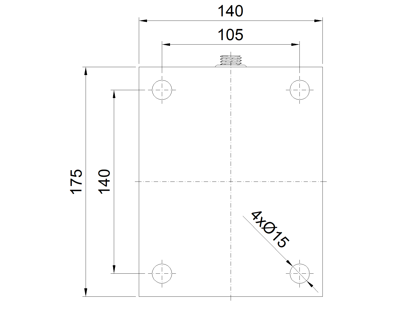
Lắp đế, khoảng cách lỗ 140x105mm.
Lõi gang với gai polyurethane chất lượng cao, phay màu nâu.
Vòng bi bánh xe—vòng bi cầu chính xác.
  Mặt bánh xe: Được làm bằng polyurethane chất lượng cao
  Lõi bánh xe: lõi sắt/lõi gang

    Mô tả sản phẩm chỉ mang tính chất tham khảo. Sản phẩm thực tế sẽ được ưu tiên.



     
      đơn vị mét đế quốc
  Đường kính bánh xe 125mm 

  Chiều rộng bánh xe 110mm 
  vòng bi bánh xe Bánh xe trang bị vòng bi bi
  Quy cách tấm lắp 175 x 140mm 
  khoảng cách các lỗ trên tấm nền 140x105mm 
  Khoảng cách các lỗ lắp 15mm 
  Tổng chiều cao 175mm 
  Độ cứng 92±5° Shore A 
  Tải trọng (động) 810kgs 


  Độ di chuyển mượt mà 
    ● ● ● ● ●

  Chế độ im lặng        ● ● ● ● ●

  Bảo vệ mặt sàn       ● ● ● ● ●

  Tải trọng (tĩnh) 1215kgs 
  Nhiệt độ -20°C to +70°C 
  Càng bánh xe Cố định 
  Thép không gỉ N/A
  Dẫn điện N/A 
  Chống tĩnh điện N/A 
  Trọng lượng bánh xe đẩy 6.72kgs 
  Tiêu chuẩn kiểm nghiệm ISO22883
  
  
  © Bản quyền thuộc về 2026 DershengInternational www.dersheng.com
Sản phẩm liên quan
1152 Series — CÀNG KIỂU B GIẢM MA SÁT
Bánh xe EQPU (hồ quang nâu) Đường kính bánh xe × Chiều rộng bánh xe 125 x 40mm
KS-11520500554321
125 mm 810 Kgs 175 mm
Bánh xe có phanh sau và cơ cấu khóa, khung thép hàn, sơn phủ màu xanh
Lắp đế, khoảng cách lỗ 140x105
Lõi bánh xe bằng gang, gai polyurethane chất lượng cao, màu nâu phay
Vòng bi bánh xe—vòng bi cầu chính xác
1152 Series — CÀNG KIỂU B GIẢM MA SÁT
Bánh xe EQPU (hồ quang nâu) Đường kính bánh xe × Chiều rộng bánh xe 125 x 40mm
KS-11520500552331
125 mm 810 Kgs 175 mm
Bánh xe xoay, khung thép hàn, bề mặt sơn xanh
Lắp đế, khoảng cách lỗ 140x105
Lõi bánh xe bằng gang, bề mặt bánh xe bằng polyurethane chất lượng cao, phay màu nâu
Vòng bi bánh xe - bi chính xác