Bảng dữ liệu sản phẩm
1152 Series — CÀNG KIỂU B GIẢM MA SÁT
  PU Bánh xe (Vòng cung đỏ) đường kính bánh xe × chiều rộng bánh xe 150 x 42mm
  EAN
      KS-11520600331331
         
Bánh xe cố định với khung thép hàn và lớp sơn phủ màu xanh.
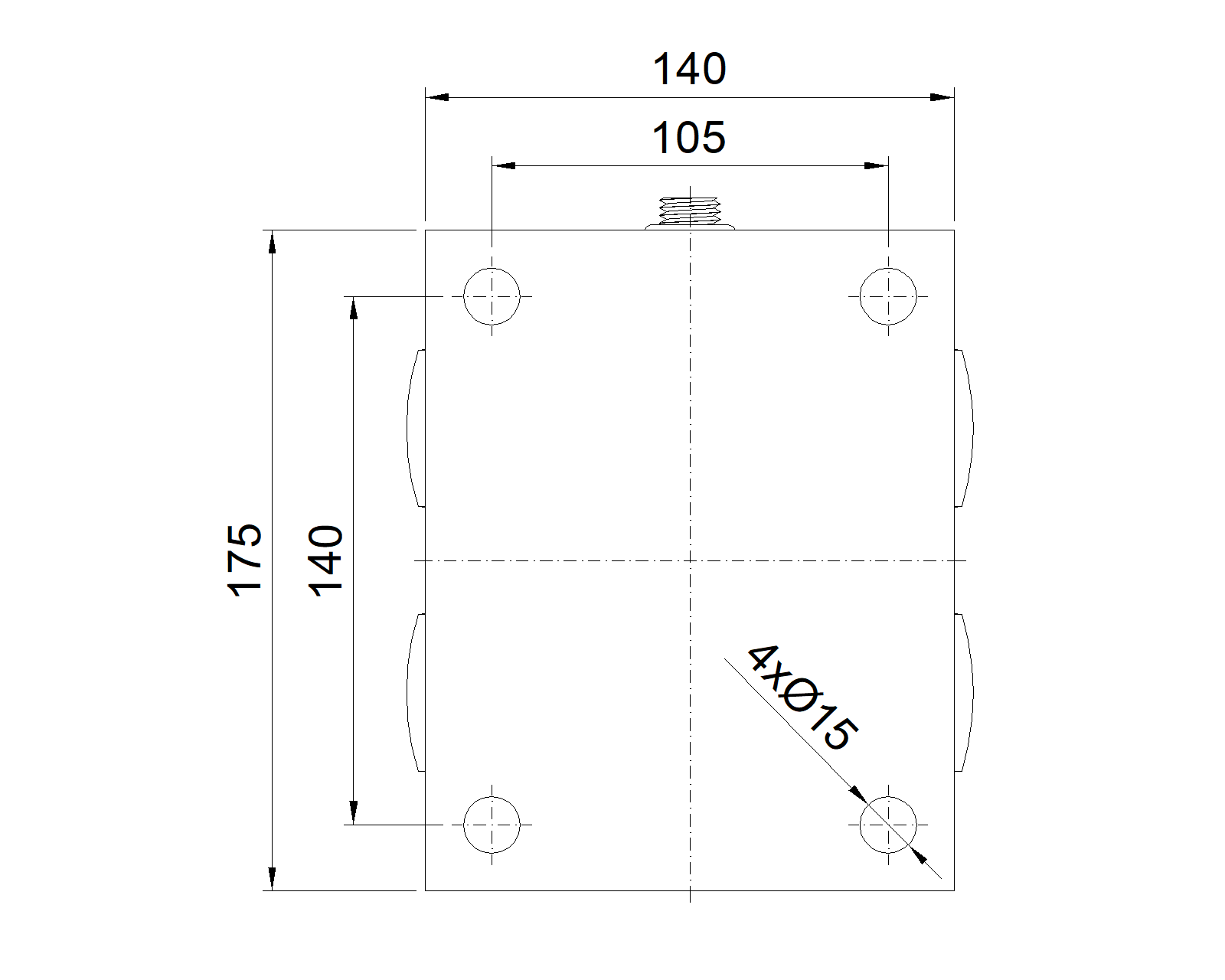
Lắp đế, khoảng cách lỗ 140x105mm.
Lõi gang với gai polyurethane chất lượng cao, phay màu đỏ.
Vòng bi bánh xe: Vòng bi bi chính xác.
  Mặt bánh xe: Được làm bằng polyurethane chất lượng cao
  Lõi bánh xe: lõi sắt/lõi gang

    Mô tả sản phẩm chỉ mang tính chất tham khảo. Sản phẩm thực tế sẽ được ưu tiên.



     
      đơn vị mét đế quốc
  Đường kính bánh xe 150mm 

  Chiều rộng bánh xe 112mm 
  vòng bi bánh xe Bánh xe trang bị vòng bi bi
  Quy cách tấm lắp 175 x 140mm 
  khoảng cách các lỗ trên tấm nền 140x105mm 
  Khoảng cách các lỗ lắp 15mm 
  Tổng chiều cao 215mm 
  Độ cứng 93±5° Shore A 
  Tải trọng (động) 738kgs 


  Độ di chuyển mượt mà 
    ● ● ● ○ ○

  Chế độ im lặng        ● ● ● ● ○

  Bảo vệ mặt sàn       ● ● ● ● ○

  Tải trọng (tĩnh) 1107kgs 
  Nhiệt độ -20°C to +70°C 
  Càng bánh xe Cố định 
  Thép không gỉ N/A
  Dẫn điện N/A 
  Chống tĩnh điện N/A 
  Trọng lượng bánh xe đẩy 7.82kgs 
  Tiêu chuẩn kiểm nghiệm ISO22883
  
  
  © Bản quyền thuộc về 2026 DershengInternational www.dersheng.com
Sản phẩm liên quan
1152 Series — CÀNG KIỂU B GIẢM MA SÁT
PU Bánh xe (Vòng cung đỏ) đường kính bánh xe × chiều rộng bánh xe 150 x 42mm
KS-11520600334331
150 mm 738 Kgs 215 mm
Bánh xe có hệ thống phanh và khóa sau, khung thép hàn, sơn phủ màu xanh
Lắp đế, khoảng cách lỗ 140x105mm
Lõi bánh xe bằng gang, gai polyurethane chất lượng cao, phay màu đỏ
Vòng bi bánh xe—vòng bi cầu chính xác