|
|
Bảng dữ liệu sản phẩm |
|
|
|
||
| 1152 Series — CÀNG KIỂU B GIẢM MA SÁT |
|
|
||||
| Bánh xe QPU (Màu nâu vòng cung) đường kính bánh xe × chiều rộng bánh xe 125 x 40mm |
|
|
||||
| EAN |
|
|||||
|
KS-11520500532161 |
|
|||||
|
|
|
|||||
| Bánh xe xoay với khung thép hàn, sơn phủ màu xanh.
Lắp đế, khoảng cách lỗ 129 x 74. Lõi gang với rãnh polyurethane chất lượng cao, phay màu nâu. Vòng bi bánh xe—vòng bi chính xác. |
|
|||||
|
|
|
|||||
| Mặt bánh xe: Được làm bằng polyurethane chất lượng cao Lõi bánh xe: lõi sắt/lõi gang Mô tả sản phẩm chỉ mang tính chất tham khảo. Sản phẩm thực tế sẽ được ưu tiên. |
|
|||||
|
|
|
|||||
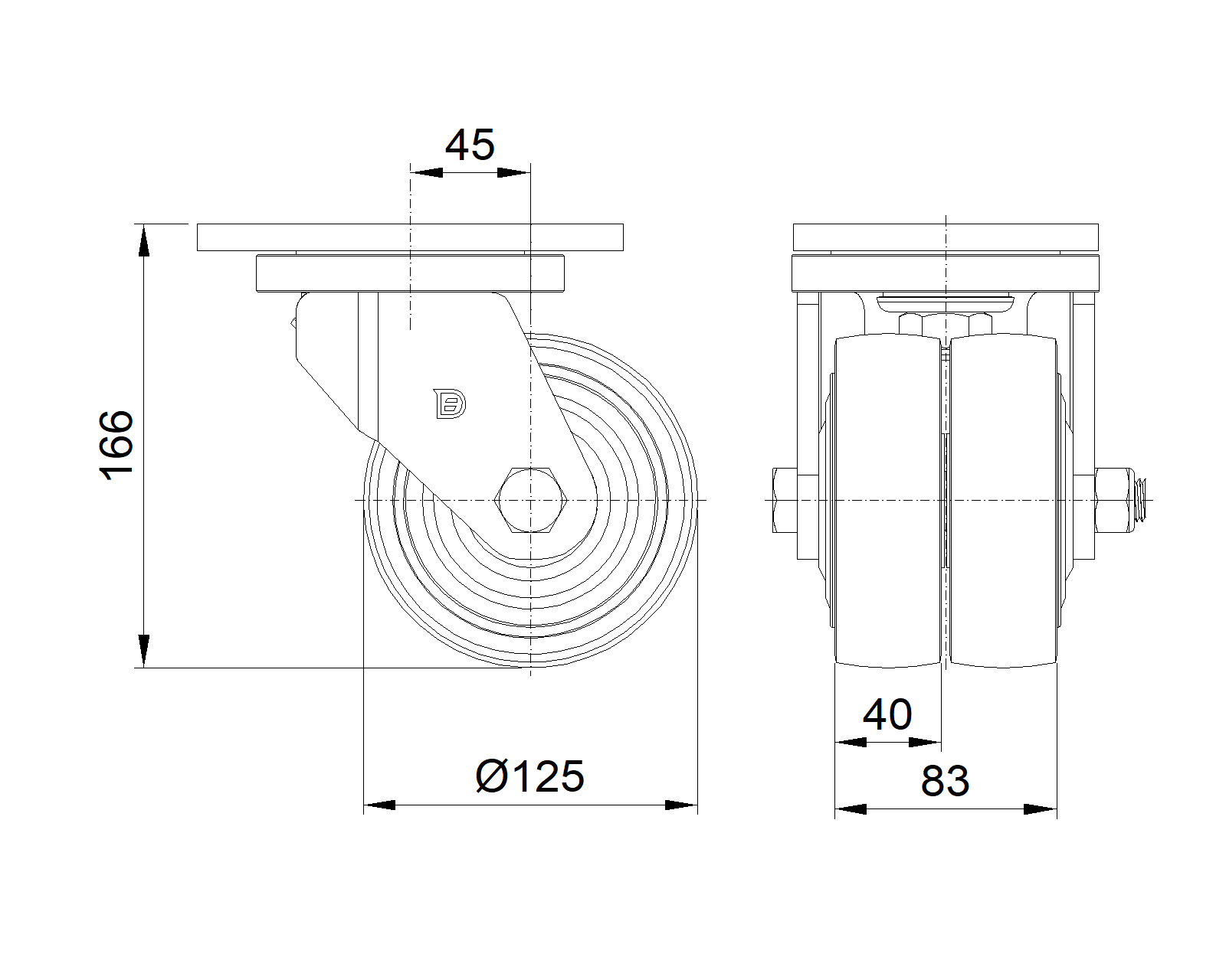
đơn vị mét đế quốc
Đường kính bánh xe
125mm
Chiều rộng bánh xe
83mm
|
|
|
||||
|
vòng bi bánh xe
Bánh xe trang bị vòng bi bi
Quy cách tấm lắp
114 x 159mm
khoảng cách các lỗ trên tấm nền
129.4 x 73.8mm
Khoảng cách các lỗ lắp
13 x 25.5mm
Độ lệch tâm
45mm
Sự can thiệp quay
238mm
Tổng chiều cao
166mm
Bán kính xoay
119mm
Độ cứng
92±5° Shore A
Tải trọng (động)
990kgs
|
Độ di chuyển mượt mà ● ● ● ● ● Chế độ im lặng ● ● ● ● ● Bảo vệ mặt sàn ● ● ● ● ● |
|||||
|
Tải trọng (tĩnh)
1482kgs
Nhiệt độ
-20°C to +70°C
Càng bánh xe
Xoay
|
|
|||||
|
Thép không gỉ
N/A
Dẫn điện
N/A
Chống tĩnh điện
N/A
Trọng lượng bánh xe đẩy
6.33kgs
Tiêu chuẩn kiểm nghiệm
ISO22883
|
|
|
||||
|
|
|||||
|
|
|||||
|
|
|||||
|
|
|||||
| © Bản quyền thuộc về 2026 DershengInternational www.dersheng.com | ||||||