Bảng dữ liệu sản phẩm
1153-1 Series — SERIES 53 BÁNH XE CHUẨN CHÂU ÂU (Kinh điển)
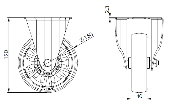
  WMRC đường kính bánh xe × chiều rộng bánh xe 150 x 40mm
  EAN
  TW-4115306001055    
         
Bánh xe cố định với khung dập liền khối
Hoàn thiện mạ kẽm, lắp đế
Lõi bánh xe và mặt bánh xe bằng nhựa nhiệt dẻo gia cố
Vòng bi bánh xe—vòng bi chính xác.
  Bề mặt bánh xe: Nhựa nhiệt dẻo (PA6)
  Lõi bánh xe: Nhựa nhiệt dẻo (PA6)

    Mô tả sản phẩm chỉ mang tính chất tham khảo. Sản phẩm thực tế sẽ được ưu tiên.



     
      đơn vị mét đế quốc
  Đường kính bánh xe 150mm 

  Chiều rộng bánh xe 40mm 
  vòng bi bánh xe Bánh xe trang bị vòng bi bi
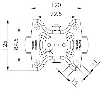
  Quy cách tấm lắp 125 x 120mm 
  khoảng cách các lỗ trên tấm nền 92.5 x 84.5mm 
  Khoảng cách các lỗ lắp 15 x 11mm 
  Tổng chiều cao 190mm 
  Độ cứng 75±5° Shore D 
  Tải trọng (động) 300kgs 


  Độ di chuyển mượt mà 
    ● ● ● ● ●

  Chế độ im lặng        ● ● ○ ○ ○

  Bảo vệ mặt sàn       ● ● ○ ○ ○

  Tải trọng (tĩnh) 450kgs 
  Nhiệt độ -20°C to +80°C 
  Càng bánh xe Cố định 
  Thép không gỉ N/A
  Dẫn điện N/A 
  Chống tĩnh điện N/A 
  Trọng lượng bánh xe đẩy 1.50kgs 
  Tiêu chuẩn kiểm nghiệm ISO22883
  
  
  © Bản quyền thuộc về 2026 DershengInternational www.dersheng.com
Sản phẩm liên quan
1153-1 Series — SERIES 53 BÁNH XE CHUẨN CHÂU ÂU (Kinh điển)
WMRC đường kính bánh xe × chiều rộng bánh xe 150 x 40mm
TW-4115306002053
150 mm 300 Kgs 190 mm
Bánh xe xoay với đế đinh tán và khung dập.
Hoàn thiện mạ kẽm, lắp đế.
Lõi bánh xe và mặt bánh xe bằng nhựa nhiệt dẻo gia cố.
Vòng bi bánh xe—vòng bi chính xác.