Bảng dữ liệu sản phẩm
1153-1 Series — SERIES 53 BÁNH XE CHUẨN CHÂU ÂU (Kinh điển)
  Đường kính bánh xe hiệu ứng đầy đủ W × chiều rộng bánh xe 152 x 50mm
  EAN
  TW-4115306001056    
         
Bánh xe cố định với khung dập liền khối
Hoàn thiện mạ kẽm, lắp đế
Lõi polypropylene gia cố, chống va đập với mặt đế bằng nhựa nhiệt dẻo đàn hồi (TPR)
Vòng bi bánh xe màu xám đậm—vòng bi chính xác
  Bề mặt bánh xe: Cao su nhiệt dẻo đàn hồi (TPR)
  Lõi bánh xe: Được làm bằng polypropylen chống va đập chất lượng cao

    Mô tả sản phẩm chỉ mang tính chất tham khảo. Sản phẩm thực tế sẽ được ưu tiên.



     
      đơn vị mét đế quốc
  Đường kính bánh xe 152mm 

  Chiều rộng bánh xe 50mm 
  vòng bi bánh xe Bánh xe trang bị vòng bi bi
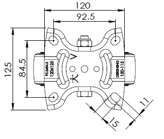
  Quy cách tấm lắp 125 x 120mm 
  khoảng cách các lỗ trên tấm nền 92.5 x 84.5mm 
  Khoảng cách các lỗ lắp 15 x 11mm 
  Độ lệch tâm 54mm 
  Sự can thiệp quay 260mm 
  Tổng chiều cao 191mm 
  Bán kính xoay 60mm 
  Độ cứng 72±5° Shore A 
  Tải trọng (động) 272kgs 


  Độ di chuyển mượt mà 
    ● ● ● ● ●

  Chế độ im lặng        ● ● ● ● ●

  Bảo vệ mặt sàn       ● ● ● ● ●

  Tải trọng (tĩnh) 408kgs 
  Nhiệt độ -20°C to +60°C 
  Càng bánh xe Cố định 
  Thép không gỉ N/A
  Dẫn điện N/A 
  Chống tĩnh điện N/A 
  Trọng lượng bánh xe đẩy 1.50kgs 
  Tiêu chuẩn kiểm nghiệm ISO22883
  
  
  © Bản quyền thuộc về 2026 DershengInternational www.dersheng.com
Sản phẩm liên quan
1153-1 Series — SERIES 53 BÁNH XE CHUẨN CHÂU ÂU (Kinh điển)
Đường kính bánh xe hiệu ứng đầy đủ W × chiều rộng bánh xe 152 x 50mm
TW-4115306002056
152 mm 272 Kgs 191 mm
Bánh xe xoay với đế đinh tán và khung dập.
Hoàn thiện mạ kẽm, lắp trên đế.
Lõi polypropylene gia cố, chống va đập với mặt đế bằng nhựa nhiệt dẻo đàn hồi (TPR).
Vòng bi chính xác màu xám đậm.
1153-1 Series — SERIES 53 BÁNH XE CHUẨN CHÂU ÂU (Kinh điển)
Đường kính bánh xe hiệu ứng đầy đủ W × chiều rộng bánh xe 152 x 50mm
TW-4115306004094
152 mm 272 Kgs 191 mm
Bánh xe có phanh sau và hệ thống khóa. Đế bánh xe được dập đinh tán.
Hoàn thiện mạ kẽm, lắp trên đế bánh xe.
Lõi bánh xe bằng polypropylene chống va đập được gia cố với gai nhựa nhiệt dẻo đàn hồi (TPR).
Vòng bi bánh xe màu xám đậm—vòng bi chính xác.