Bảng dữ liệu sản phẩm
1153-1 Series — SERIES 53 BÁNH XE CHUẨN CHÂU ÂU (Kinh điển)
  Bánh xe AQPU (màu nâu) đường kính bánh xe × chiều rộng bánh xe 150 x 42mm
  EAN
  TW-4115306001065    
         
Bánh xe cố định với đế đúc liền khối
Hoàn thiện mạ kẽm, lắp đế
Lõi nhôm với gai polyurethane chất lượng cao
Vòng bi bánh xe màu nâu—vòng bi chính xác.
  Bề mặt bánh xe: polyurethane chất lượng cao
  Lõi bánh xe: lõi nhôm

    Mô tả sản phẩm chỉ mang tính chất tham khảo. Sản phẩm thực tế sẽ được ưu tiên.



     
      đơn vị mét đế quốc
  Đường kính bánh xe 150mm 

  Chiều rộng bánh xe 42mm 
  vòng bi bánh xe Bánh xe trang bị vòng bi bi
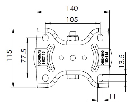
  Quy cách tấm lắp 140 x 115mm 
  khoảng cách các lỗ trên tấm nền 105 x 77.5mm 
  Khoảng cách các lỗ lắp 13.5 x 11mm 
  Tổng chiều cao 190mm 
  Độ cứng 92±5° Shore A 
  Tải trọng (động) 350kgs 


  Độ di chuyển mượt mà 
    ● ● ● ● ●

  Chế độ im lặng        ● ● ● ● ●

  Bảo vệ mặt sàn       ● ● ● ● ●

  Tải trọng (tĩnh) 525kgs 
  Nhiệt độ -20°C to +70°C 
  Càng bánh xe Cố định 
  Thép không gỉ N/A
  Dẫn điện N/A 
  Chống tĩnh điện N/A 
  Trọng lượng bánh xe đẩy 1.50kgs 
  Tiêu chuẩn kiểm nghiệm ISO22883
  
  
  © Bản quyền thuộc về 2026 DershengInternational www.dersheng.com
Sản phẩm liên quan
1153-SS Series — SERIES 53 BÁNH XE CHUẨN CHÂU ÂU CÀNG INOX
Bánh xe AQPU (màu nâu) đường kính bánh xe × chiều rộng bánh xe 150 x 42mm
TW-4111606001010
150 mm 350 Kgs 190 mm
Bánh xe cố định, khung thép hàn. Chống rung bề mặt, lắp đặt tấm đế. Lõi bánh xe bằng nhôm, bề mặt bánh xe bằng polyurethane chất lượng cao. Màu nâu, ổ trục bánh xe—ổ trục bi chính xác.
1153 Series — SERIES 53 BÁNH XE CHUẨN CHÂU ÂU
Bánh xe AQPU (màu nâu) đường kính bánh xe × chiều rộng bánh xe 150 x 42mm
TW-4115306002057
150 mm 350 Kgs 190 mm
Bánh xe xoay với đế đinh tán và đế dập.
Hoàn thiện mạ kẽm, lắp đặt trên đế.
Lõi bánh xe bằng nhôm với gai polyurethane chất lượng cao.
Vòng bi màu nâu, độ chính xác cao.
1153-1 Series — SERIES 53 BÁNH XE CHUẨN CHÂU ÂU (Kinh điển)
Bánh xe AQPU (màu nâu) đường kính bánh xe × chiều rộng bánh xe 150 x 42mm
TW-4115306004107
150 mm 350 Kgs 190 mm
Bánh xe có phanh sau và hệ thống khóa. Đế bánh xe được tán đinh và dập.
Hoàn thiện mạ kẽm, lắp đế bánh xe.
Lõi bánh xe bằng nhôm với gai polyurethane chất lượng cao.
Vòng bi bánh xe màu nâu—vòng bi chính xác.