Bảng dữ liệu sản phẩm
1153 Series — SERIES 53 BÁNH XE CHUẨN CHÂU ÂU
  Bánh xe NBR Đường kính bánh xe × chiều rộng bánh xe 150 x 40 mm
  EAN
  TW-4115306002061    
         
Bánh xe xoay với đế đinh tán và khung dập.
Hoàn thiện mạ kẽm, lắp trên đế.
Lõi gang với mặt cao su đàn hồi chất lượng cao.
Vòng bi bánh xe—vòng bi chính xác.
  Bề mặt bánh xe: cao su đàn hồi chất lượng cao
  Lõi bánh xe: lõi sắt/lõi gang

    Mô tả sản phẩm chỉ mang tính chất tham khảo. Sản phẩm thực tế sẽ được ưu tiên.



     
      đơn vị mét đế quốc
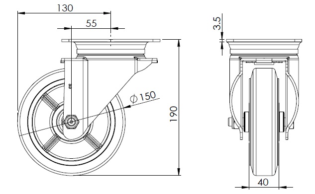
  Đường kính bánh xe 150mm 

  Chiều rộng bánh xe 40mm 
  vòng bi bánh xe Bánh xe trang bị vòng bi bi
  Quy cách tấm lắp 137 x 105mm 
  khoảng cách các lỗ trên tấm nền 105 x 77.5mm 
  Khoảng cách các lỗ lắp 13.5 x 11mm 
  Độ lệch tâm 55mm 
  Sự can thiệp quay 260mm 
  Tổng chiều cao 190mm 
  Bán kính xoay 130mm 
  Độ cứng 85±5° Shore A 
  Tải trọng (động) 150kgs 


  Độ di chuyển mượt mà 
    ● ● ● ○ ○

  Chế độ im lặng        ● ● ● ● ○

  Bảo vệ mặt sàn       ● ● ● ● ○

  Tải trọng (tĩnh) 225kgs 
  Nhiệt độ -20°C to +80°C 
  Càng bánh xe Xoay 
  Thép không gỉ N/A
  Dẫn điện N/A 
  Chống tĩnh điện N/A 
  Trọng lượng bánh xe đẩy 3.00kgs 
  Tiêu chuẩn kiểm nghiệm ISO22883
  
  
  © Bản quyền thuộc về 2026 DershengInternational www.dersheng.com
Sản phẩm liên quan
1153-1 Series — SERIES 53 BÁNH XE CHUẨN CHÂU ÂU (Kinh điển)
Bánh xe NBR Đường kính bánh xe × chiều rộng bánh xe 150 x 40 mm
TW-4115306001060
150 mm 150 Kgs 190 mm
Bánh xe cố định với khung dập liền khối
Hoàn thiện mạ kẽm, lắp đế
Lõi gang với mặt cao su đàn hồi chất lượng cao
Vòng bi bánh xe—vòng bi chính xác.
1153-1 Series — SERIES 53 BÁNH XE CHUẨN CHÂU ÂU (Kinh điển)
Bánh xe NBR Đường kính bánh xe × chiều rộng bánh xe 150 x 40 mm
TW-4115306002062
150 mm 150 Kgs 190 mm
Bánh xe xoay với đế đinh tán và khung dập.
Hoàn thiện mạ kẽm, lắp trên đế.
Lõi gang với mặt cao su đàn hồi chất lượng cao.
Vòng bi bánh xe—vòng bi chính xác.
1153-1 Series — SERIES 53 BÁNH XE CHUẨN CHÂU ÂU (Kinh điển)
Bánh xe NBR Đường kính bánh xe × chiều rộng bánh xe 150 x 40 mm
TW-4115306004101
150 mm 150 Kgs 190 mm
Bánh xe có phanh kép và hệ thống khóa. Đế bánh xe được tán đinh và dập.
Hoàn thiện mạ kẽm, lắp đế bánh xe.
Lõi gang với mặt cao su đàn hồi chất lượng cao.
Vòng bi bánh xe—vòng bi cầu chính xác.