|
|
Bảng dữ liệu sản phẩm |
|
|
|
||
| 1153-1 Series — SERIES 53 BÁNH XE CHUẨN CHÂU ÂU (Kinh điển) |
|
|
||||
| Bánh xe đàn hồi toàn phần Đường kính bánh xe x chiều rộng bánh xe 200 x 48mm |
|
|
||||
| EAN |
|
|||||
|
TW-4115308001024
|
|
|||||
|
|
|
|||||
| Bánh xe cố định với đế đúc liền khối.
Hoàn thiện mạ kẽm, lắp đế và có nắp đậy kèm theo. Lõi polypropylene chống va đập với mặt đế bằng nhựa nhiệt dẻo đàn hồi (TPR). Màu xám. Vòng bi bánh xe: vòng bi bi chính xác. |
|
|||||
|
|
|
|||||
| Bề mặt bánh xe: Cao su nhiệt dẻo đàn hồi (TPR) Lõi bánh xe: Được làm bằng polypropylen chống va đập chất lượng cao Mô tả sản phẩm chỉ mang tính chất tham khảo. Sản phẩm thực tế sẽ được ưu tiên. |
|
|||||
|
|
|
|||||
đơn vị mét đế quốc
Đường kính bánh xe
200mm
Chiều rộng bánh xe
48mm
|
|
|
||||
|
vòng bi bánh xe
Bánh xe trang bị vòng bi bi
Quy cách tấm lắp
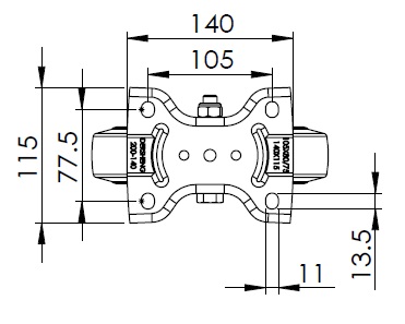
140 x 115mm
khoảng cách các lỗ trên tấm nền
105 x 77.5mm
Khoảng cách các lỗ lắp
13.5 x 11mm
Tổng chiều cao
240mm
Độ cứng
72±5° Shore A
Tải trọng (động)
325kgs
|
Độ di chuyển mượt mà ● ● ● ● ● Chế độ im lặng ● ● ● ● ● Bảo vệ mặt sàn ● ● ● ● ● |
|||||
|
Tải trọng (tĩnh)
487.5kgs
Nhiệt độ
-20°C to +60°C
Càng bánh xe
Cố định
|
|
|||||
|
Thép không gỉ
N/A
Dẫn điện
N/A
Chống tĩnh điện
N/A
Trọng lượng bánh xe đẩy
2.00kgs
Tiêu chuẩn kiểm nghiệm
ISO22883
|
|
|
||||
|
|
|||||
|
|
|||||
|
|
|||||
|
|
|||||
| © Bản quyền thuộc về 2026 DershengInternational www.dersheng.com | ||||||