产品数据表
1155-1轻塑-1系列
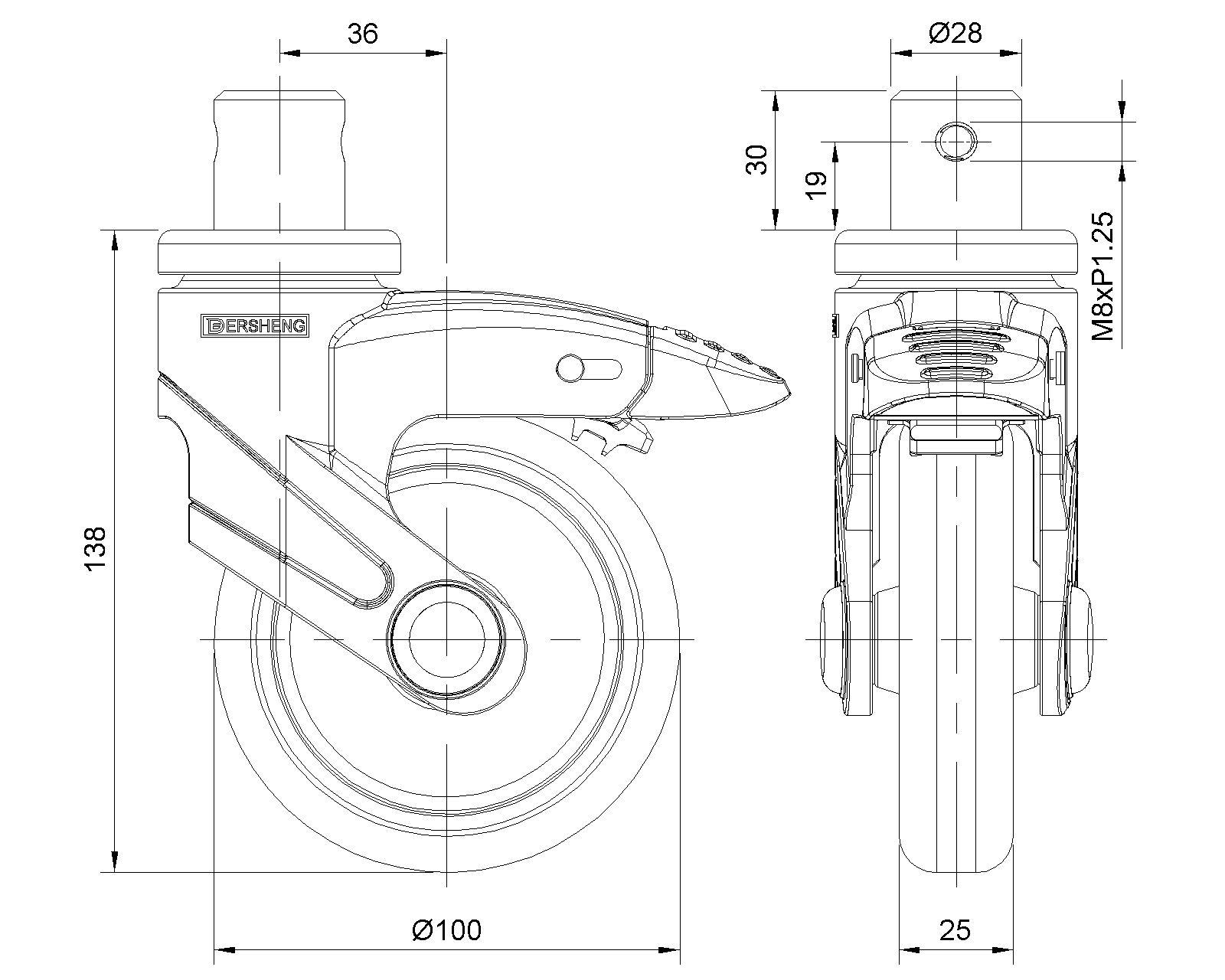
  经典PPR轮(黑黑色-中管式中宽37)轮径×轮宽100x 24mm
  EAN
      KS-11550493268163
         

双煞式锁定系统的脚轮,插心铆钉—Ø28x30L
黑色脚架采用聚醯胺增强料,插杆式安装
防銹,耐腐蚀,美观,经济,转动灵活
耐冲击聚丙烯轮芯,热塑性弹性体(TPR)轮面
黑色,轮子—中管式
  轮面:热塑性橡胶弹性体(TPR)
  轮芯:采用优质耐冲击聚丙烯

    产品说明仅供参考一切以实体产品为主



     
      公制 英制
  轮径 100mm 

  轮宽 24mm 
  轮子轴承 搭配中管的轮子 
  插杆直径 28mm 
  插杆长度 30mm 
  偏心距 36mm 
  旋转干涉 226mm 
  总高 138mm 
  旋转半径 113mm 
  硬度 82±5° Shore A 
  荷重(动态) 80kgs 


  滚动顺畅
      ● ● ● ● ○

  静音表现      ● ● ● ● ○

  保护地板      ● ● ● ● ●

  荷重(静态) 120kgs 
  温度 -20°C to +60°C 
  脚架样式 双煞 
  不锈钢
  导电 否 
  抗静电 否 
  脚轮重量 0.60kgs 
  测试标准 ISO22883
  
  
  © 版权所有 2026 得貹上好轮 www.dersheng.com
关  联  产  品
1155-1轻塑-1系列
经典 PPR 轮(中管黑黑)轮径 × 轮宽 100 × 24mm
KS-11550493267073
100 mm 80 Kgs 138 mm

活动式脚轮,插心铆钉—Ø28x30L
黑色脚架采用聚醯胺增强料,插杆式安装
防銹,耐腐蚀,美观,经济,转动灵活
耐冲击聚丙烯轮芯,热塑性弹性体(TPR)轮面
黑色,轮子—中管式
1155-1轻塑-1系列
经典 PPR 轮(中管黑黑)轮径 × 轮宽 100 × 24mm
KS-11550493267123
100 mm 80 Kgs 138 mm

活动式脚轮,插心铆钉—Ø28x30L
黑色脚架采用聚醯胺增强料,插杆式安装
防銹,耐腐蚀,美观,经济,转动灵活
耐冲击聚丙烯轮芯,热塑性弹性体(TPR)轮面
黑色,轮子—中管式
1155-1轻塑-1系列
经典 PPR 轮(中管黑黑)轮径 × 轮宽 100 × 24mm
KS-11550493268073
100 mm 80 Kgs 138 mm

双煞式锁定系统的脚轮,插心铆钉—Ø28x30L
黑色脚架采用聚醯胺增强料,插杆式安装
防銹,耐腐蚀,美观,经济,转动灵活
耐冲击聚丙烯轮芯,热塑性弹性体(TPR)轮面
黑色,轮子—中管式
1155-1轻塑-1系列
经典 PPR 轮(中管黑黑)轮径 × 轮宽 100 × 24mm
KS-11550493268123
100 mm 80 Kgs 138 mm

双煞式锁定系统的脚轮,插心铆钉—Ø28x30L
黑色脚架采用聚醯胺增强料,插杆式安装
防銹,耐腐蚀,美观,经济,转动灵活
耐冲击聚丙烯轮芯,热塑性弹性体(TPR)轮面
黑色,轮子—中管式
1155-1轻塑-1系列
经典 PPR 轮(中管黑黑)轮径 × 轮宽 100 × 24mm
KS-11550493268143
100 mm 80 Kgs 138 mm

双煞式锁定系统的脚轮,插心铆钉—Ø28x30L
黑色脚架采用聚醯胺增强料,插杆式安装
防銹,耐腐蚀,美观,经济,转动灵活
耐冲击聚丙烯轮芯,热塑性弹性体(TPR)轮面
黑色,轮子—中管式