产品数据表
1155-1轻塑-1系列
  PPR轮(黑黑色)轮径×轮宽100x 31mm
  EAN
      KS-11550491261023
         

固定式脚轮,高级底板—75x45斜孔底板
黑色脚架采用聚醯胺增强料,丝扣式安装
防銹,耐腐蚀,美观,经济,转动灵活
耐冲击聚丙烯轮芯,热塑性弹性体(TPR)轮面
黑黑色,轮子轴承—精密滚珠
  轮面:热塑性橡胶弹性体(TPR)
  轮芯:采用优质耐冲击聚丙烯

    产品说明仅供参考一切以实体产品为主



     
      公制 英制
  轮径 100mm 

  轮宽 31mm 
  轮子轴承 搭配滚珠轴承的轮子 
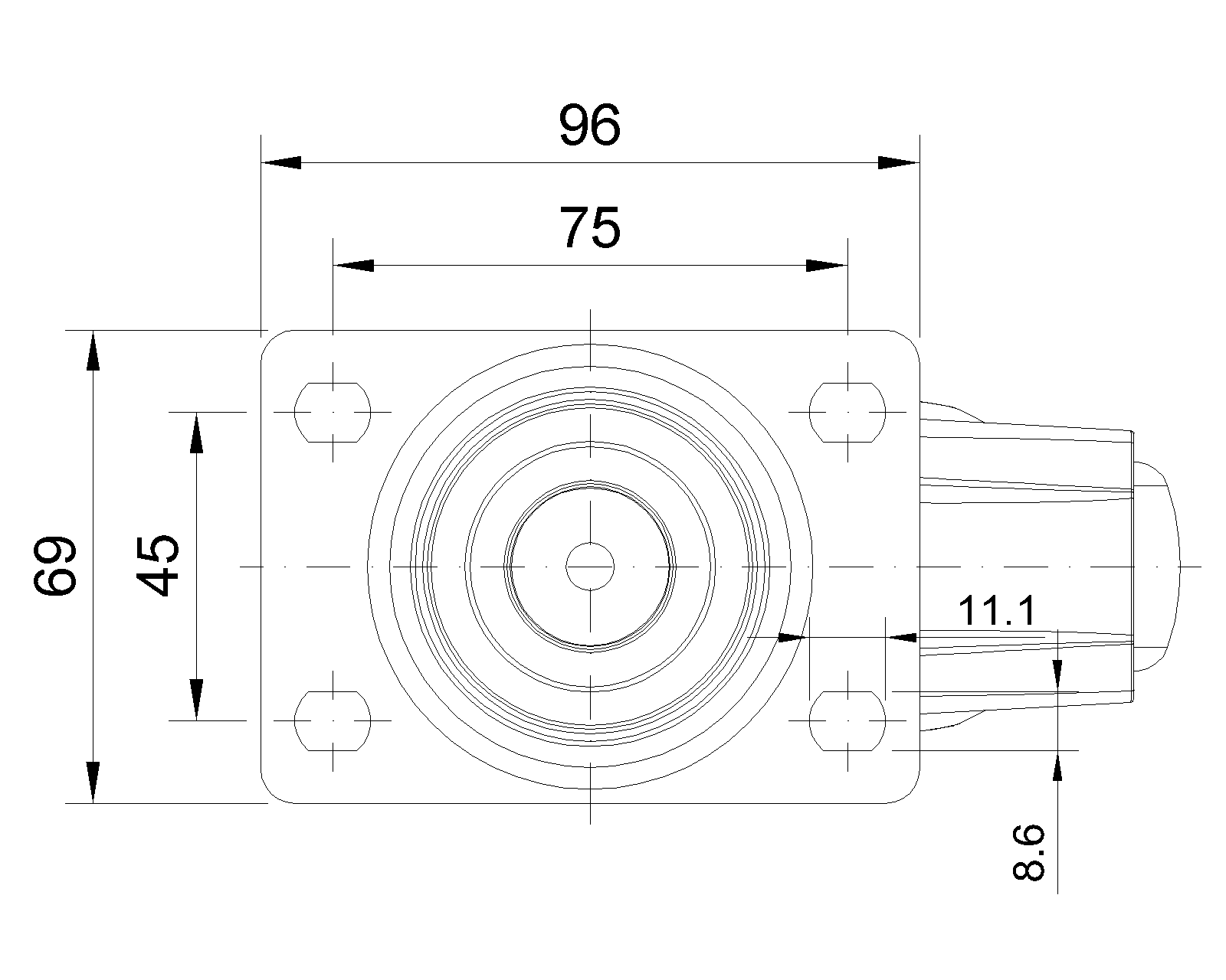
  底板规格 96 x 69mm 
  底板孔距 75 x 45mm  高级孔
  底板孔径 11 x 8.6mm 
  总高 141mm 
  硬度 82±5° Shore A 
  荷重(动态) 90kgs 


  滚动顺畅
      ● ● ● ● ○

  静音表现      ● ● ● ● ○

  保护地板      ● ● ● ● ●

  荷重(静态) 135kgs 
  温度 -20°C to +60°C 
  脚架样式 固定 
  不锈钢
  导电 否 
  抗静电 否 
  脚轮重量 0.65kgs 
  测试标准 ISO22883
  
  
  © 版权所有 2026 得貹上好轮 www.dersheng.com
关  联  产  品
1155-1轻塑-1系列
PPR 轮 (黑黑) 轮径 × 轮宽 100×31mm
KS-11550491262013
100 mm 90 Kgs 141.5 mm

活动式脚轮,高级底板—75x45斜孔底板
黑色脚架采用聚醯胺增强料,底板式安装
防銹,耐腐蚀,美观,经济,转动灵活
耐冲击聚丙烯轮芯,热塑性弹性体(TPR)轮面
黑色,轮子轴承—精密滚珠
1155-1轻塑-1系列
PPR 轮 (黑黑) 轮径 × 轮宽 100×31mm
KS-11550491264053
100 mm 90 Kgs 141.5 mm

双煞式锁定系统的脚轮,75x45斜孔底板
黑色脚架采用聚醯胺增强料,底板式安装
防銹,耐腐蚀,美观,经济,转动灵活
耐冲击聚丙烯轮芯,热塑性弹性体(TPR)轮面
黑色,轮子轴承—精密滚珠
1155-1轻塑-1系列
PPR 轮 (黑黑) 轮径 × 轮宽 100×31mm
KS-11550491264063
100 mm 90 Kgs 141.5 mm

双煞式锁定系统的脚轮,75x45斜孔底板
黑色脚架采用聚醯胺增强料,底板式安装
防銹,耐腐蚀,美观,经济,转动灵活
耐冲击聚丙烯轮芯,热塑性弹性体(TPR)轮面
黑色,轮子轴承—精密滚珠
1155-1轻塑-1系列
PPR 轮 (黑黑) 轮径 × 轮宽 100×31mm
KS-11550491261013
100 mm 90 Kgs 141.5 mm

固定式脚轮,高级底板—75x45斜孔底板
黑色脚架采用聚醯胺增强料,底板式安装
防銹,耐腐蚀,美观,经济,转动灵活
耐冲击聚丙烯轮芯,热塑性弹性体(TPR)轮面
黑色,轮子轴承—精密滚珠
1155-1轻塑-1系列
PPR 轮 (黑黑) 轮径 × 轮宽 100×31mm
KS-11550491264213
100 mm 90 Kgs 141.5 mm

定向煞式锁定系统的脚轮,75x45斜孔底板
黑色脚架采用聚醯胺增强料,底板式安装
防銹,耐腐蚀,美观,经济,转动灵活
耐冲击聚丙烯轮芯,热塑性弹性体(TPR)轮面
黑色,轮子轴承—精密滚珠