產品數據表
1155 全塑-1系列
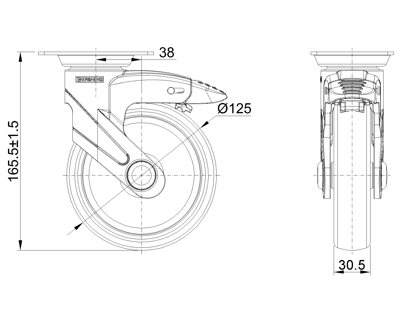
  經典 PPR 輪 (中管藍灰深灰) 輪徑 × 輪寬 125×31mm
  EAN
      KS-11550502264353
         

长双煞式锁定系统的脚轮,74.5x49斜孔底板
蓝灰脚架采用聚醯胺增强料,底板式安装
防銹,耐腐蚀,美观,经济,转动灵活
耐冲击聚丙烯轮芯,热塑性弹性體(TPR)轮面
深灰色,轮子—中管式
  轮面:热塑性橡胶弹性體(TPR)
  轮芯:采用优质耐冲击聚丙烯

    產品說明僅供參考一切以實體產品為主



     
      公制 英制
  輪徑 125mm 

  輪寬 30.5mm 
  輪子軸承 搭配中管的輪子 
  底板規格 96 x 69mm 
  底板孔距 74.5 x 49mm  高级孔
  底板孔徑 10 x 15mm 
  偏心距 38mm 
  旋轉干涉 226mm 
  總高 165.5mm 
  旋轉半徑 113mm 
  硬度 82±5° Shore A 
  荷重(動態) 90kgs 


  滾動順暢
      ● ● ● ● ○

  靜音表現      ● ● ● ● ○

  保護地板      ● ● ● ● ●

  荷重(靜態) 135kgs 
  溫度 -20°C to +60°C 
  腳架樣式 雙煞 
  不銹鋼
  導電 否 
  抗靜電 否 
  腳輪重量 0.86kgs 
  測試標準 ISO22881
  
  
  © 版權所有 2026 得貹上好輪 www.dersheng.com
關  聯  產  品
1155 全塑-1系列
經典 PPR 輪 (中管藍灰深灰) 輪徑 × 輪寬 125×31mm
KS-11550502261133
125 mm 90 Kgs 165.5 mm

固定式脚轮,高级底板—74.5x49斜孔底板
蓝灰脚架采用聚醯胺增强料,底板式安装
防銹,耐腐蚀,美观,经济,转动灵活
耐冲击聚丙烯轮芯,热塑性弹性體(TPR)轮面
深灰色,轮子—中管式
1155 全塑-1系列
經典 PPR 輪 (中管藍灰深灰) 輪徑 × 輪寬 125×31mm
KS-11550502262173
125 mm 90 Kgs 165.5 mm

活动式脚轮,高级底板—74.5x49斜孔底板
蓝灰脚架采用聚醯胺增强料,底板式安装
防銹,耐腐蚀,美观,经济,转动灵活
耐冲击聚丙烯轮芯,热塑性弹性體(TPR)轮面
深灰色,轮子—中管式
1155 全塑-1系列
經典 PPR 輪 (中管藍灰深灰) 輪徑 × 輪寬 125×31mm
KS-11550502264363
125 mm 90 Kgs 165.5 mm

长双煞式锁定系统的脚轮,74.5x49斜孔底板
蓝灰脚架采用聚醯胺增强料,底板式安装
防銹,耐腐蚀,美观,经济,转动灵活
耐冲击聚丙烯轮芯,热塑性弹性體(TPR)轮面
深灰色,轮子—中管式
1155 全塑-1系列
經典 PPR 輪 (中管藍灰深灰) 輪徑 × 輪寬 125×31mm
KS-11550502264443
125 mm 90 Kgs 165.5 mm

长定向煞锁定系统的脚轮,74.5x49斜孔底板
蓝灰脚架采用聚醯胺增强料,底板式安装
防銹,耐腐蚀,美观,经济,转动灵活
耐冲击聚丙烯轮芯,热塑性弹性體(TPR)轮面
深灰色,轮子轴承—精密滚珠