Bảng dữ liệu sản phẩm
1155 Series — BÁNH XE CÀNG NHỰA STAT
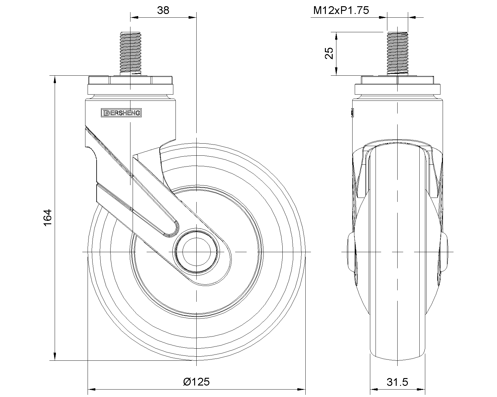
  Bánh xe hiệu ứng đầy đủ (Blue Ash Deep Ash - Plain Bearing Hub Lenth 35) Đường kính bánh xe × Wheel
  EAN
      KS-11550500455053
         

Bánh xe di động, ren M12x25
Bánh xe màu xanh xám với lớp gia cố polyamide, lắp ren
Chống gỉ, chống ăn mòn, thẩm mỹ, tiết kiệm và xoay linh hoạt
Lõi bánh xe bằng polypropylene chống va đập, bề mặt bánh xe bằng nhựa nhiệt dẻo đàn hồi (TPR)
Bánh xe ống trung tâm màu xám đậm
  Bề mặt bánh xe: Cao su nhiệt dẻo đàn hồi (TPR)
  Lõi bánh xe: Được làm bằng polypropylen chống va đập chất lượng cao

    Mô tả sản phẩm chỉ mang tính chất tham khảo. Sản phẩm thực tế sẽ được ưu tiên.



     
      đơn vị mét đế quốc
  Đường kính bánh xe 125mm 

  Chiều rộng bánh xe 031mm 
  vòng bi bánh xe Bánh xe đi kèm với ống giữa
  Thông số kỹ thuật của ren M12
  độ dài ren 25mm
  Độ lệch tâm 38mm 
  Sự can thiệp quay 201mm 
  Tổng chiều cao 164mm 
  Bán kính xoay 100.5mm 
  Độ cứng 72±5° Shore A 
  Tải trọng (động) 100kgs 


  Độ di chuyển mượt mà 
    ● ● ● ● ●

  Chế độ im lặng        ● ● ● ● ●

  Bảo vệ mặt sàn       ● ● ● ● ●

  Tải trọng (tĩnh) 150kgs 
  Nhiệt độ -20°C to +60°C 
  Càng bánh xe Xoay 
  Thép không gỉ N/A
  Dẫn điện N/A 
  Chống tĩnh điện N/A 
  Trọng lượng bánh xe đẩy 0.65kgs 
  Tiêu chuẩn kiểm nghiệm ISO22883
  
  
  © Bản quyền thuộc về 2026 DershengInternational www.dersheng.com
Sản phẩm liên quan
1155 Series — BÁNH XE CÀNG NHỰA STAT
Bánh xe PPR Toàn hiệu (Trục trung xanh xám xám đậm) Đường kính bánh×Chiều rộng bánh 125×31mm
KS-11550500456343
125 mm 100 Kgs 164 mm

Bánh xe dài loại phanh kép, hệ thống khóa, ren M12x25
Chân màu xanh xám làm bằng cốt thép polyamide, lắp đặt bằng ren
Chống gỉ, chống ăn mòn, thẩm mỹ, tiết kiệm và xoay linh hoạt
Lõi bánh xe bằng polypropylene chịu va đập, bề mặt bánh xe bằng chất đàn hồi nhiệt dẻo (TPR)
Bánh xe màu xám đậm, loại ống trung tâm
1155 Series — BÁNH XE CÀNG NHỰA STAT
Bánh xe PPR Toàn hiệu (Trục trung xanh xám xám đậm) Đường kính bánh×Chiều rộng bánh 125×31mm
KS-11550500456353
125 mm 100 Kgs 164 mm

Bánh xe dài loại phanh kép, hệ thống khóa, ren M12x25
Chân màu xanh xám làm bằng cốt thép polyamide, lắp đặt bằng ren
Chống gỉ, chống ăn mòn, thẩm mỹ, tiết kiệm và xoay linh hoạt
Lõi bánh xe bằng polypropylene chịu va đập, bề mặt bánh xe bằng chất đàn hồi nhiệt dẻo (TPR)
Bánh xe màu xám đậm, loại ống trung tâm
1155 Series — BÁNH XE CÀNG NHỰA STAT
Bánh xe PPR Toàn hiệu (Trục trung xanh xám xám đậm) Đường kính bánh×Chiều rộng bánh 125×31mm
KS-11550500455093
125 mm 100 Kgs 164 mm

Bánh xe di động, ren M12x25
Bánh xe màu xanh xám với lớp gia cố polyamide, lắp ren
Chống gỉ, chống ăn mòn, thẩm mỹ, tiết kiệm và xoay linh hoạt
Lõi bánh xe bằng polypropylene chống va đập, bề mặt bánh xe bằng nhựa nhiệt dẻo đàn hồi (TPR)
Bánh xe ống trung tâm màu xám đậm
1155 Series — BÁNH XE CÀNG NHỰA STAT
Bánh xe PPR Toàn hiệu (Trục trung xanh xám xám đậm) Đường kính bánh×Chiều rộng bánh 125×31mm
KS-11550500456383
125 mm 100 Kgs 164 mm

Bánh xe dài loại phanh kép, hệ thống khóa, ren M12x25
Chân màu xanh xám làm bằng cốt thép polyamide, lắp đặt bằng ren
Chống gỉ, chống ăn mòn, thẩm mỹ, tiết kiệm và xoay linh hoạt
Lõi bánh xe bằng polypropylene chịu va đập, bề mặt bánh xe bằng chất đàn hồi nhiệt dẻo (TPR)
Bánh xe màu xám đậm, loại ống trung tâm
1155 Series — BÁNH XE CÀNG NHỰA STAT
Bánh xe PPR Toàn hiệu (Trục trung xanh xám xám đậm) Đường kính bánh×Chiều rộng bánh 125×31mm
KS-11550500456393
125 mm 100 Kgs 164 mm
Bánh xe đa năng
Trang bị phanh kép dài, bánh xe có hệ thống khóa, ren M12x25
Chân màu xanh xám làm bằng vật liệu polyamide gia cường
Chống gỉ, chống ăn mòn, thẩm mỹ, tiết kiệm và xoay linh hoạt
Lõi bánh xe bằng polypropylene chịu va đập, bề mặt bánh xe bằng chất đàn hồi nhiệt dẻo (TPR)
Bánh xe màu xám đậm, kiểu ống trung tâm