Bảng dữ liệu sản phẩm
1155-1 Nhựa nhẹ-1 Series
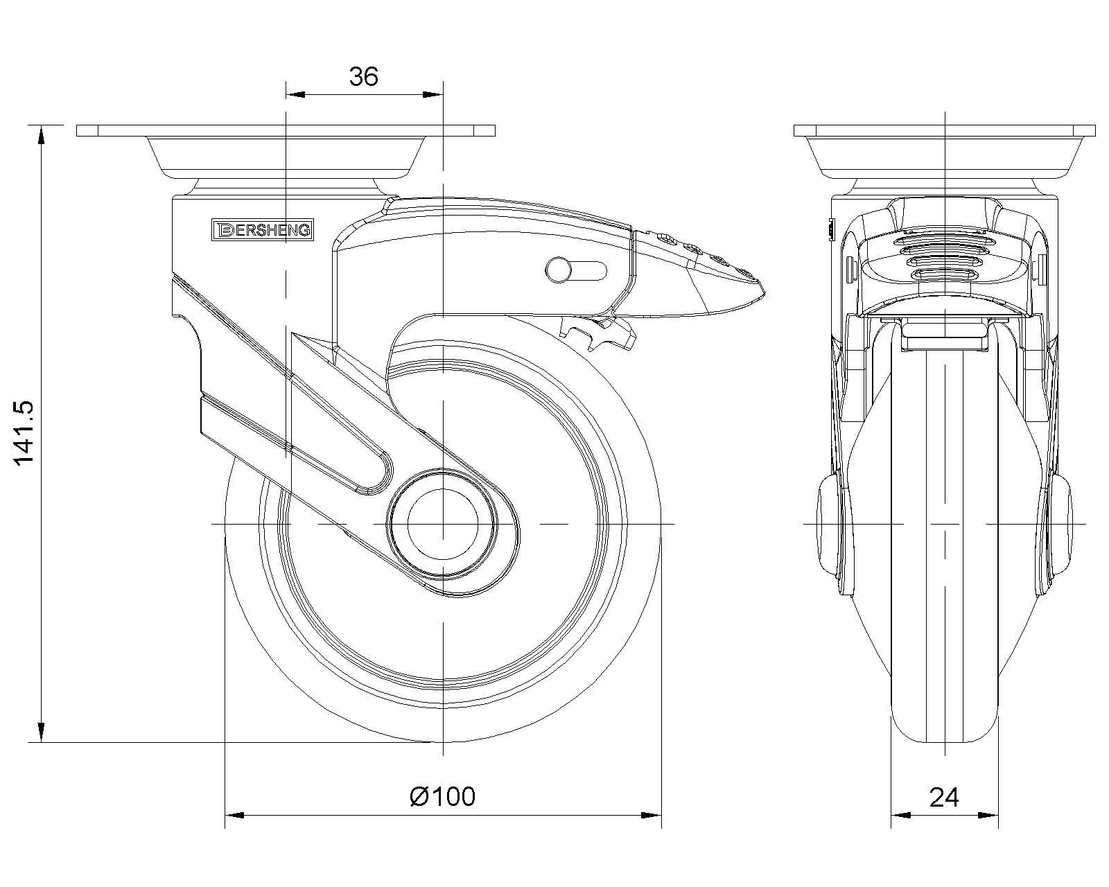
  Cổ điển PPR Bánh xe (đen) Đường kính bánh xe × Chiều rộng bánh xe 100 x 24mm
  EAN
      KS-11550493264033
         

Bánh xe có hệ thống khóa phanh kép, đế lỗ góc 75x45
Chân màu đen làm bằng vật liệu gia cố polyamide, lắp đế
Chống gỉ, chống ăn mòn, thẩm mỹ, tiết kiệm và xoay linh hoạt
Lõi bánh xe bằng polypropylene chống va đập, bề mặt bánh xe bằng nhựa nhiệt dẻo đàn hồi (TPR)
Vòng bi bánh xe màu đen—vòng bi chính xác
  Bề mặt bánh xe: Cao su nhiệt dẻo đàn hồi (TPR)
  Lõi bánh xe: Được làm bằng polypropylen chống va đập chất lượng cao

    Mô tả sản phẩm chỉ mang tính chất tham khảo. Sản phẩm thực tế sẽ được ưu tiên.



     
      đơn vị mét đế quốc
  Đường kính bánh xe 100mm 

  Chiều rộng bánh xe 24mm 
  vòng bi bánh xe Bánh xe trang bị vòng bi bi
  Quy cách tấm lắp 96 x 69mm 
  khoảng cách các lỗ trên tấm nền 75 x 45mm 
  Khoảng cách các lỗ lắp 11 x 8.6mm 
  Độ lệch tâm 36mm 
  Sự can thiệp quay 226mm 
  Tổng chiều cao 141.5mm 
  Bán kính xoay 113mm 
  Độ cứng 82±5° Shore A 
  Tải trọng (động) 80kgs 


  Độ di chuyển mượt mà 
    ● ● ● ● ○

  Chế độ im lặng        ● ● ● ● ○

  Bảo vệ mặt sàn       ● ● ● ● ●

  Tải trọng (tĩnh) 120kgs 
  Nhiệt độ -20°C to +60°C 
  Càng bánh xe Khóa đôi
  Thép không gỉ N/A
  Dẫn điện N/A 
  Chống tĩnh điện N/A 
  Trọng lượng bánh xe đẩy 0.64kgs 
  Tiêu chuẩn kiểm nghiệm ISO22883
  
  
  © Bản quyền thuộc về 2026 DershengInternational www.dersheng.com
Sản phẩm liên quan
1155-1 Nhựa nhẹ-1 Series
Bánh xe PPR Cổ điển (Cung đen-đen) Đường kính bánh × Chiều rộng bánh 100×24mm
KS-11550493262023
100 mm 80 Kgs 141.5 mm

Bánh xe thật, đế cao cấp—đế góc đục lỗ 75x45
Chân đen gia cố bằng polyamide, lắp đế
Chống gỉ, chống ăn mòn, thẩm mỹ, tiết kiệm và cho phép xoay trơn tru
Lõi bánh xe bằng polypropylene chống va đập, bề mặt bánh xe bằng nhựa nhiệt dẻo đàn hồi (TPR)
Bánh xe màu đen—loại ống giữa
1155-1 Nhựa nhẹ-1 Series
Bánh xe PPR Cổ điển (Cung đen-đen) Đường kính bánh × Chiều rộng bánh 100×24mm
KS-11550493264093
100 mm 80 Kgs 141.5 mm

Bánh xe có hệ thống khóa phanh kép, đế lỗ góc 75x45
Chân màu đen làm bằng vật liệu gia cố polyamide, lắp đế
Chống gỉ, chống ăn mòn, thẩm mỹ, tiết kiệm và xoay linh hoạt
Lõi bánh xe bằng polypropylene chống va đập, bề mặt bánh xe bằng nhựa nhiệt dẻo đàn hồi (TPR)
Vòng bi bánh xe màu đen—vòng bi chính xác
1155-1 Nhựa nhẹ-1 Series
Bánh xe PPR Cổ điển (Cung đen-đen) Đường kính bánh × Chiều rộng bánh 100×24mm
KS-11550493261033
100 mm 80 Kgs 141.5 mm
Bánh xe cố định, đế cao cấp—đế lỗ góc 75x45 Chân màu đen làm bằng vật liệu gia cố polyamide, lắp đế Chống gỉ, chống ăn mòn, thẩm mỹ, tiết kiệm và cho phép xoay linh hoạt Lõi bánh xe bằng polypropylene chống va đập, bề mặt bánh xe bằng nhựa nhiệt dẻo đàn hồi (TPR) Vòng bi bánh xe màu đen—vòng bi chính xác
1155-1 Nhựa nhẹ-1 Series
Bánh xe PPR Cổ điển (Cung đen-đen) Đường kính bánh × Chiều rộng bánh 100×24mm
KS-11550493264043
100 mm 90 Kgs 141.5 mm

Bánh xe có hệ thống khóa phanh định hướng, đế lỗ góc 75x45
Chân màu đen làm bằng vật liệu gia cố polyamide, lắp đế
Chống gỉ, chống ăn mòn, thẩm mỹ, tiết kiệm và xoay linh hoạt
Lõi bánh xe bằng polypropylene chống va đập, bề mặt bánh xe bằng nhựa nhiệt dẻo đàn hồi (TPR)
Vòng bi bánh xe màu đen—vòng bi chính xác