Bảng dữ liệu sản phẩm
1156 Series — SERIES 56 BÁNH XE KHÓA TRUNG TÂM
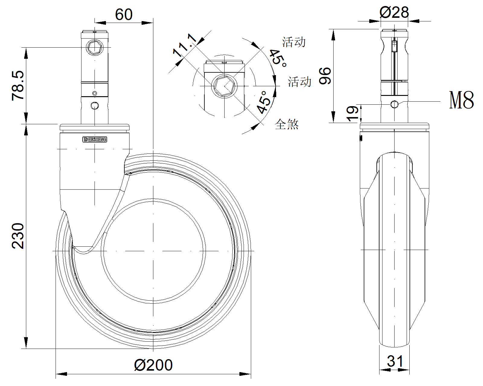
  PPR Bánh xe (trắng đen xám) Đường kính bánh xe × Chiều rộng bánh xe 200 x 31mm
  EAN
      KS-11560800268233
         
Bánh xe khóa tâm, phanh toàn phần với cần điều khiển dài và bộ điều khiển cam lỗ lục giác.
Đế thép với vỏ trang trí bên ngoài màu trắng.
Chống gỉ, chống ăn mòn, thẩm mỹ và xoay trơn tru.
Lõi bánh xe bằng polypropylene chống va đập với bề mặt bánh xe bằng nhựa nhiệt dẻo đàn hồi (TPR).
Vòng bi bánh xe màu xám đậm - vòng bi chính xác.
  Bề mặt bánh xe: Cao su nhiệt dẻo đàn hồi (TPR)
  Lõi bánh xe: Được làm bằng polypropylen chống va đập chất lượng cao

    Mô tả sản phẩm chỉ mang tính chất tham khảo. Sản phẩm thực tế sẽ được ưu tiên.



     
      đơn vị mét đế quốc
  Đường kính bánh xe 200mm 

  Chiều rộng bánh xe 31mm 
  vòng bi bánh xe Bánh xe trang bị vòng bi bi
  đường kính cọc 28mm 
  chiều dài cọc 96mm 
  Độ lệch tâm 60mm 
  Sự can thiệp quay 320mm 
  Tổng chiều cao 229mm 
  Bán kính xoay 160mm 
  Độ cứng 82±5° Shore A 
  Tải trọng (động) 150kgs 


  Độ di chuyển mượt mà 
    ● ● ● ● ○

  Chế độ im lặng        ● ● ● ● ○

  Bảo vệ mặt sàn       ● ● ● ● ●

  Tải trọng (tĩnh) 225kgs 
  Nhiệt độ -20°C to +60°C 
  Càng bánh xe Khóa đôi
  Thép không gỉ N/A
  Dẫn điện N/A 
  Chống tĩnh điện N/A 
  Trọng lượng bánh xe đẩy 2.10kgs 
  Tiêu chuẩn kiểm nghiệm ISO22883
  
  
  © Bản quyền thuộc về 2026 DershengInternational www.dersheng.com
Sản phẩm liên quan
1156 Series — SERIES 56 BÁNH XE KHÓA TRUNG TÂM
Bánh xe PPR (Trắng xám đậm) Đường kính bánh×Chiều rộng bánh 200×31mm
KS-11560800268013
200 mm 150 Kgs 229 mm
Bánh xe khóa tâm, phanh toàn phần với cần điều khiển dài và bộ điều khiển cam lỗ lục giác.
Đế thép với vỏ trang trí bên ngoài màu trắng.
Chống gỉ, chống ăn mòn, thẩm mỹ và xoay trơn tru.
Lõi bánh xe bằng polypropylene chống va đập với bề mặt bánh xe bằng nhựa nhiệt dẻo đàn hồi (TPR).
Vòng bi bánh xe màu xám đậm - vòng bi chính xác.
1156 Series — SERIES 56 BÁNH XE KHÓA TRUNG TÂM
Bánh xe PPR (Trắng xám đậm) Đường kính bánh×Chiều rộng bánh 200×31mm
KS-11560800268033
200 mm 150 Kgs 229 mm
Bánh xe khóa tâm, phanh toàn phần với cần điều khiển dài và bộ điều khiển cam lỗ lục giác.
Đế thép với vỏ trang trí bên ngoài màu trắng.
Chống gỉ, chống ăn mòn, thẩm mỹ và xoay trơn tru.
Lõi bánh xe bằng polypropylene chống va đập với bề mặt bánh xe bằng nhựa nhiệt dẻo đàn hồi (TPR).
Vòng bi bánh xe màu xám đậm - vòng bi chính xác.
1156 Series — SERIES 56 BÁNH XE KHÓA TRUNG TÂM
Bánh xe PPR (Trắng xám đậm) Đường kính bánh×Chiều rộng bánh 200×31mm
KS-11560800268023
200 mm 150 Kgs 229 mm
Bánh xe khóa tâm, phanh toàn phần với cần điều khiển dài và bộ điều khiển cam lỗ lục giác.
Đế thép với vỏ trang trí bên ngoài màu trắng.
Chống gỉ, chống ăn mòn, thẩm mỹ và xoay trơn tru.
Lõi bánh xe bằng polypropylene chống va đập với bề mặt bánh xe bằng nhựa nhiệt dẻo đàn hồi (TPR).
Vòng bi bánh xe màu xám đậm - vòng bi chính xác.
1156 Series — SERIES 56 BÁNH XE KHÓA TRUNG TÂM
Bánh xe PPR (Trắng xám đậm) Đường kính bánh×Chiều rộng bánh 200×31mm
KS-11560800268213
200 mm 150 Kgs 229 mm
Bánh xe khóa tâm, phanh toàn phần với cần điều khiển dài và bộ điều khiển cam lỗ lục giác.
Đế thép với vỏ trang trí bên ngoài màu trắng.
Chống gỉ, chống ăn mòn, thẩm mỹ và xoay trơn tru.
Lõi bánh xe bằng polypropylene chống va đập với bề mặt bánh xe bằng nhựa nhiệt dẻo đàn hồi (TPR).
Vòng bi bánh xe màu xám đậm - vòng bi chính xác.
1156 Series — SERIES 56 BÁNH XE KHÓA TRUNG TÂM
Bánh xe PPR (Trắng xám đậm) Đường kính bánh×Chiều rộng bánh 200×31mm
KS-11560800268223
200 mm 150 Kgs 229 mm

Cần điều khiển dài, điều khiển cam lỗ lục giác, khóa tâm, bánh xe phanh toàn phần
Chân thép, vỏ trang trí bên ngoài màu trắng
Chống gỉ, chống ăn mòn, thẩm mỹ và xoay trơn tru
Lõi bánh xe bằng polypropylene chống va đập, bề mặt bánh xe bằng nhựa nhiệt dẻo đàn hồi (TPR)
Vòng bi bánh xe màu xám đậm - vòng bi chính xác