产品数据表
1157 红架系列
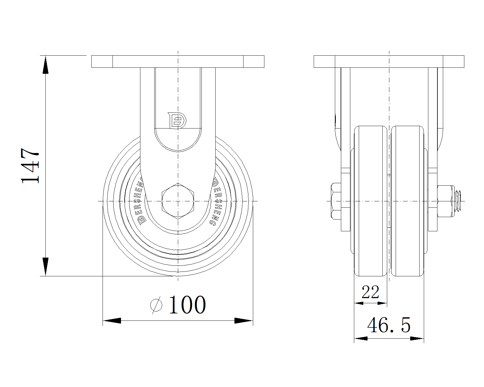
  ZQPU轮(褐弧)轮径×轮宽 100 x 22(46.5)mm
  EAN
      KS-11570400801031
         
固定式脚轮,焊接钢板架
表面喷红漆,底板式安裝裝置,孔距85x70
铸铁制轮芯,高品质聚氨酯轮面,铣褐色
轮子轴承—特制的精密滾珠,降低运转阻力
ZQPU双轮,符合人体工学,更容易启动及转动
  轮面:高品质聚氨酯制成
  轮芯:铁芯/铸铁芯

    产品说明仅供参考一切以实体产品为主



     
      公制 英制
  轮径 100mm 

  轮宽 46.5mm 
  轮子轴承 搭配滚珠轴承的轮子 
  底板规格 115 x 100mm 
  底板孔距 85 x 70mm   
  底板孔径 20 x 11mm 
  总高 147mm 
  硬度 92±5° Shore A 
  荷重(动态) 335kgs 


  滚动顺畅
      ● ● ● ● ●

  静音表现      ● ● ● ● ●

  保护地板      ● ● ● ● ●

  荷重(静态) 502.5kgs 
  温度 -20°C to +70°C 
  脚架样式 固定 
  不锈钢
  导电 否 
  抗静电 否 
  脚轮重量 2.70kgs 
  测试标准 ISO22883
  
  
  © 版权所有 2026 得貹上好轮 www.dersheng.com
关  联  产  品
1157 红架系列
ZQPU 轮 (褐弧) 轮径 × 轮宽 100×22 (46.5) mm
KS-11570400804071
100 mm 200 Kgs 147 mm
配有前煞式,锁定系统的脚轮,焊接钢板架
表面红漆,底板式安装装置,孔距85x70
铸铁制轮芯,高品质聚氨酯轮面,铣褐色
轮子轴承—特制的精密滚珠,降低运转阻力
ZQPU双轮,符合人体工学,更容易启动及转动
1157 红架系列
ZQPU 轮 (褐弧) 轮径 × 轮宽 100×22 (46.5) mm
KS-11570400802031
100 mm 335 Kgs 147 mm
活动式脚轮,焊接钢板架
表面喷红漆,底板式安装装置,孔距85x70
铸铁制轮芯,高品质聚氨酯轮面,铣褐色
轮子轴承—特征的精密滚珠,降低运行阻力
ZQPU双轮,符合人体工程学,更容启动及转动