产品数据表
1157 红架系列
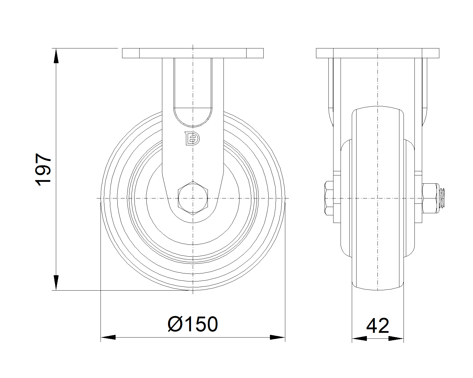
  VQPU轮(褐弧)轮径×轮宽 150 x 42mm
  EAN
      KS-11570600541131
         
固定式脚轮,焊接钢板架
表面喷红漆,底板式安裝裝置,孔距85x70
铸铁制轮芯,高品质聚氨酯轮面,铣褐色
轮子轴承—精密滚珠
  轮面:高品质聚氨酯制成
  轮芯:铁芯/铸铁芯

    产品说明仅供参考一切以实体产品为主



     
      公制 英制
  轮径 150mm 

  轮宽 42mm 
  轮子轴承 搭配滚珠轴承的轮子 
  底板规格 115 x 100mm 
  底板孔距 85 x 70mm   
  底板孔径 20 x 11mm 
  总高 197mm 
  硬度 94±5° Shore A 
  荷重(动态) 670kgs 


  滚动顺畅
      ● ● ● ● ○

  静音表现      ● ● ● ● ●

  保护地板      ● ● ● ● ●

  荷重(静态) 1005kgs 
  温度 -20°C to +80°C 
  脚架样式 固定 
  不锈钢
  导电 否 
  抗静电 否 
  脚轮重量 3.40kgs 
  测试标准 ISO22883
  
  
  © 版权所有 2026 得貹上好轮 www.dersheng.com
关  联  产  品
1157 红架系列
VQPU 轮 (褐弧) 轮径 × 轮宽 150×42mm
KS-11570600544131
150 mm 670 Kgs 197 mm
配有前煞式,锁定系统的脚轮,焊接钢板架
表面红漆,底板式安装装置,孔距85x70
铸铁制轮芯,高品质聚氨酯轮面,铣褐色
轮子轴承—精密滚珠
1157 红架系列
VQPU 轮 (褐弧) 轮径 × 轮宽 150×42mm
KS-11570600544151
150 mm 670 Kgs 197 mm
配有前煞式,锁定系统的脚轮,焊接钢板架
表面红漆,底板式安装装置,孔距85x70
铸铁制轮芯,高品质聚氨酯轮面,铣褐色
轮子轴承—精密滚珠,配特制防缠绕轮盖
1157 红架系列
VQPU 轮 (褐弧) 轮径 × 轮宽 150×42mm
KS-11570600541161
150 mm 670 Kgs 197 mm
固定式脚轮,焊接钢板架
表面喷红漆,底板式安裝裝置,孔距85x70
铸铁制轮芯,高品质聚氨酯轮面,铣褐色
轮子轴承—精密滚珠,配特制防缠绕轮盖
1157 红架系列
VQPU 轮 (褐弧) 轮径 × 轮宽 150×42mm
KS-11570600542131
150 mm 670 Kgs 197 mm
活动式脚轮,焊接钢板架
表面红漆,底板式安装装置,孔距85x70
铸铁制轮芯,高品质聚氨酯轮面,铣褐色
轮子轴承—精密滚珠
1157 红架系列
VQPU 轮 (褐弧) 轮径 × 轮宽 150×42mm
KS-11570600542171
150 mm 670 Kgs 197 mm
活动式脚轮,焊接钢板架
表面红漆,底板式安装装置,孔距85x70
铸铁制轮芯,高品质聚氨酯轮面,铣褐色
轮子轴承—精密滚珠,配特制防缠绕轮盖