產品數據表
1157 紅架系列 
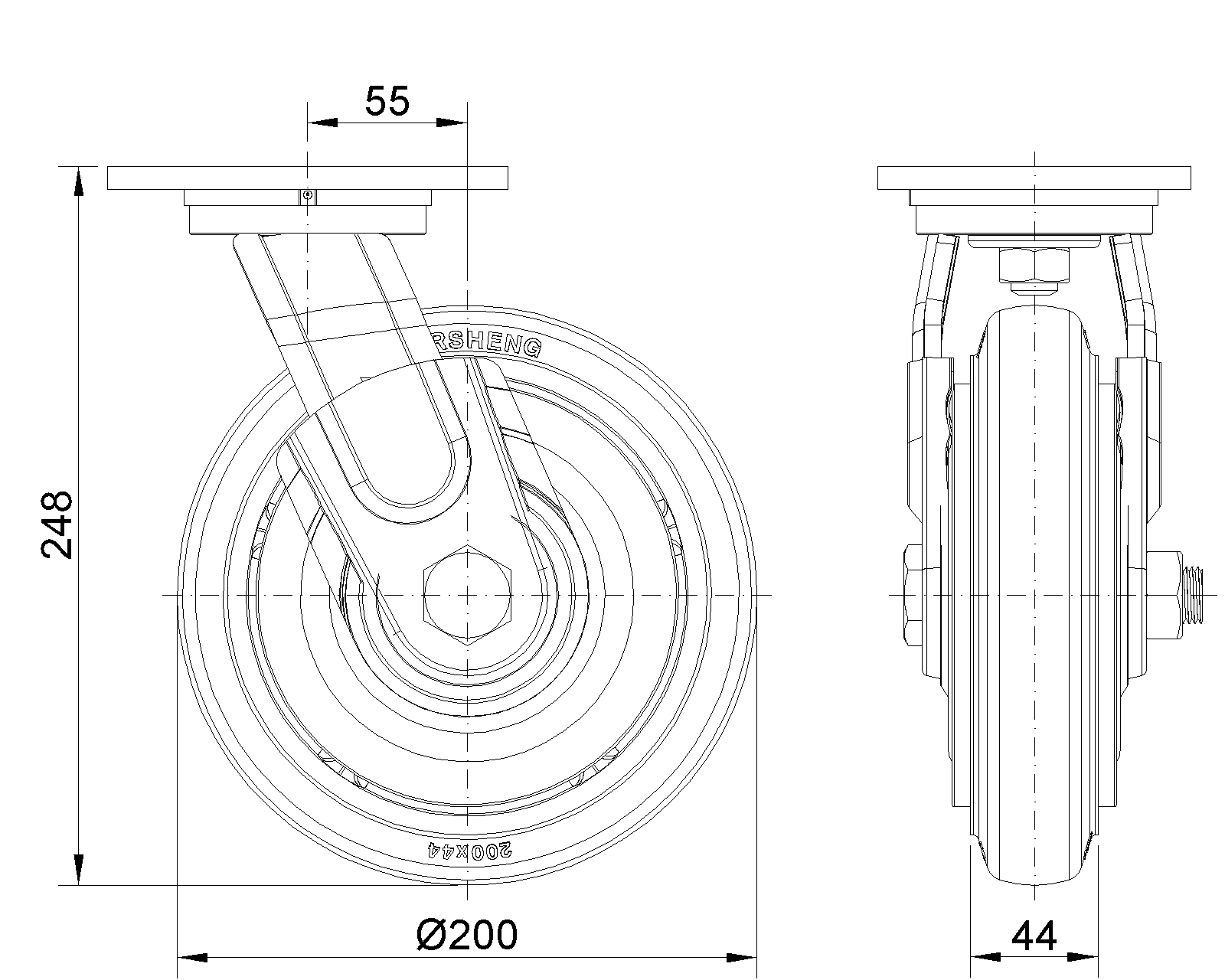
  牽引NBR輪(銑原) 輪徑 × 輪寬 200 x 44mm
  EAN
      KS-11570800042041
         
活動式腳輪,焊接鋼板架,表面紅漆
底板式安裝裝置,孔距110x75
鑄鐵製輪芯,高品質高彈性橡膠輪面,銑原色
輪子軸承—精密滾珠,配特製防纏繞輪蓋
  輪面:高品質高彈性橡膠輪面
  輪芯:鐵芯/鑄鐵芯

    產品說明僅供參考一切以實體產品為主



     
      公制 英制
  輪徑 200mm 

  輪寬 44mm 
  輪子軸承 搭配滾珠軸承的輪子 
  底板規格 138 x 108mm 
  底板孔距 110x75mm   
  底板孔徑 22 x 13mm 
  偏心距 55mm 
  旋轉干涉 314mm 
  總高 248mm 
  旋轉半徑 157mm 
  硬度 85±5° Shore A 
  荷重(動態) 350kgs 


  滾動順暢
      ● ● ● ○ ○

  靜音表現      ● ● ● ● ○

  保護地板      ● ● ● ● ○

  荷重(靜態) 525kgs 
  溫度 -20°C to +80°C 
  腳架樣式 活動 
  不銹鋼
  導電 否 
  抗靜電 否 
  腳輪重量 5.22kgs 
  測試標準 ISO22883
  
  
  © 版權所有 2026 得貹上好輪 www.dersheng.com
關  聯  產  品
1157 紅架系列 
牽引NBR輪(銑原) 輪徑 × 輪寬 200 x 44mm
KS-11570800041031
200 mm 350 Kgs 248 mm
固定式腳輪,焊接鋼板架 表面噴紅漆,底板式安裝裝置,孔距110x75 鑄鐵製輪芯,高品質高彈性橡膠輪面,銑原色 輪子軸承—精密滾珠
1157 紅架系列 
牽引NBR輪(銑原) 輪徑 × 輪寬 200 x 44mm
KS-11570800041041
200 mm 350 Kgs 248 mm
固定式腳輪,焊接鋼板架 表面噴紅漆,底板式安裝裝置,孔距110x75 鑄鐵製輪芯,高品質高彈性橡膠輪面,銑原色 輪子軸承—精密滾珠,配特製防纏繞輪蓋
1157 紅架系列 
牽引NBR輪(銑原) 輪徑 × 輪寬 200 x 44mm
KS-11570800044031
200 mm 350 Kgs 248 mm
配有前煞式,鎖定係統的腳輪,焊接鋼板架
表面紅漆,底板式安裝裝置,孔距110x75
鑄鐵製輪芯,高品質高彈性橡膠輪面,銑原色
輪子軸承—精密滾珠
1157 紅架系列 
牽引NBR輪(銑原) 輪徑 × 輪寬 200 x 44mm
KS-11570800044041
200 mm 350 Kgs 248 mm
配有前煞式,鎖定係統的腳輪,焊接鋼板架
表面紅漆,底板式安裝裝置,孔距110x75
鑄鐵製輪芯,高品質高彈性橡膠輪面,銑原色
輪子軸承—精密滾珠,配特製防纏繞輪蓋
1157 紅架系列 
牽引NBR輪(銑原) 輪徑 × 輪寬 200 x 44mm
KS-11570800042031
200 mm 350 Kgs 248 mm
活動式腳輪,焊接鋼板架,表面紅漆
底板式安裝裝置,孔距110 x 75
鑄鐵製輪芯,高品質高彈性橡膠輪面,銑原色
輪子軸承—精密滾珠