Tờ thông tin sản phẩm
1157 Series — SERIES 57
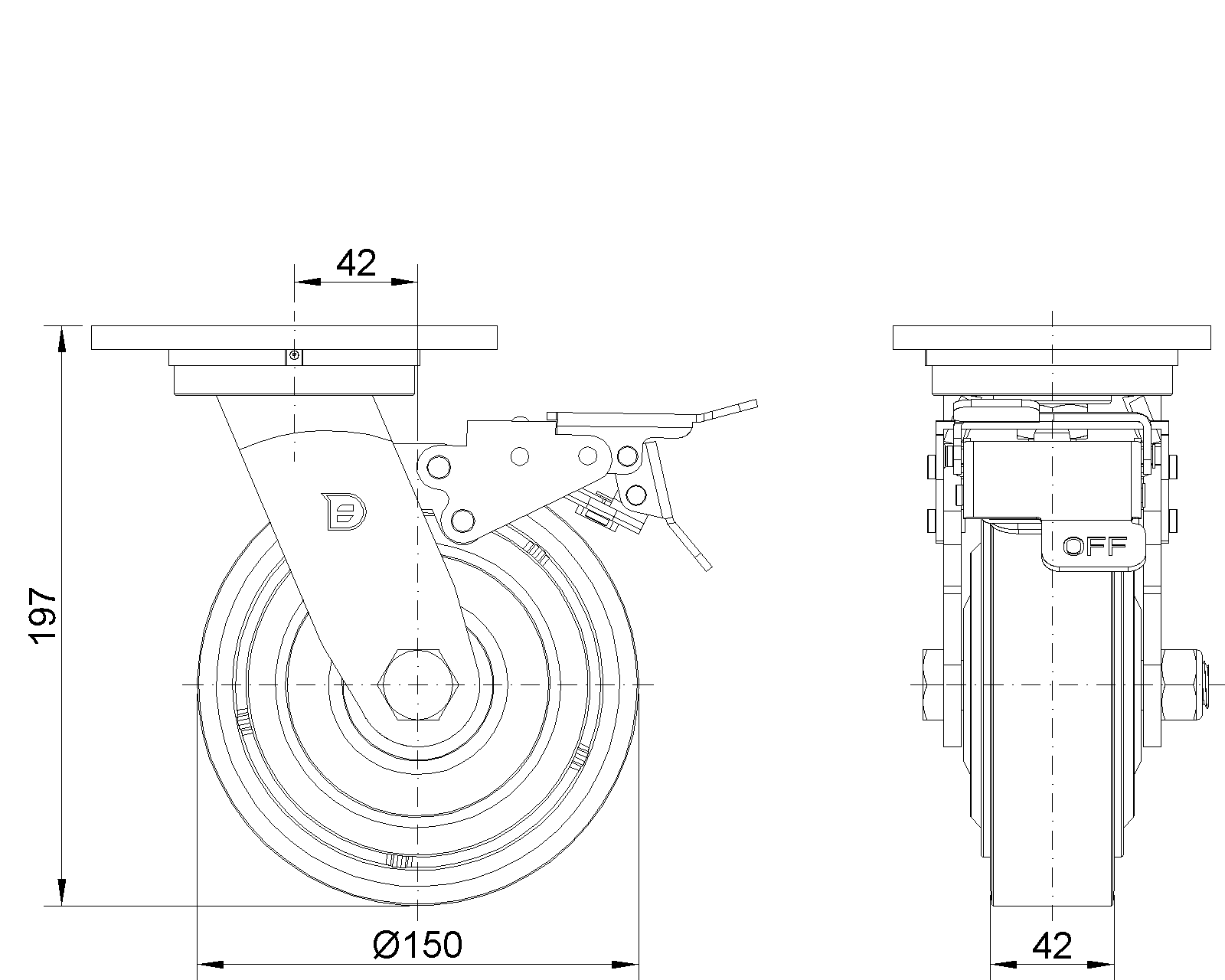
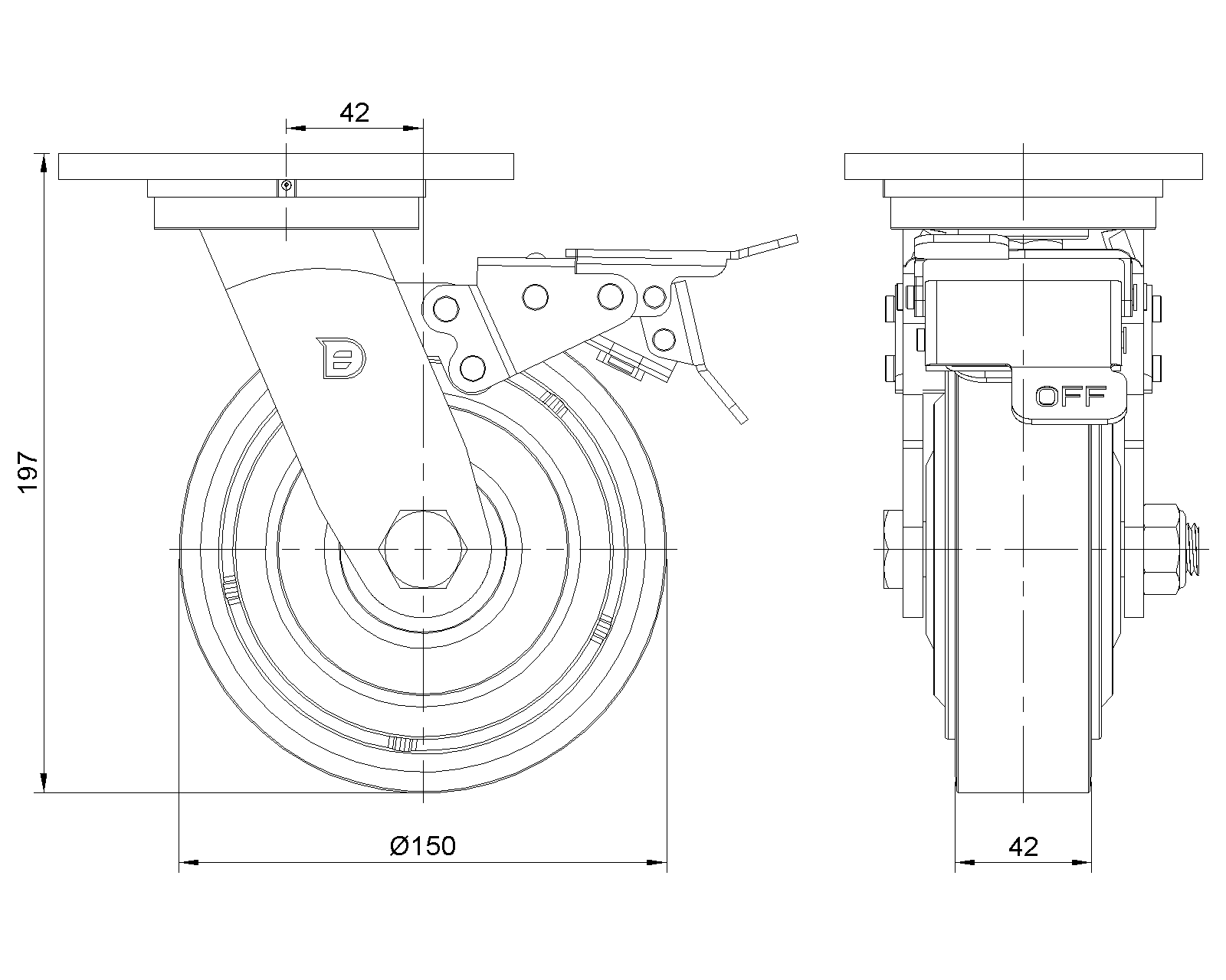
  Bánh PU (Đỏ Bình) Đường kính bánh × Chiều rộng bánh 150 × 42 mm
  EAN
      KS-11570600334051
         

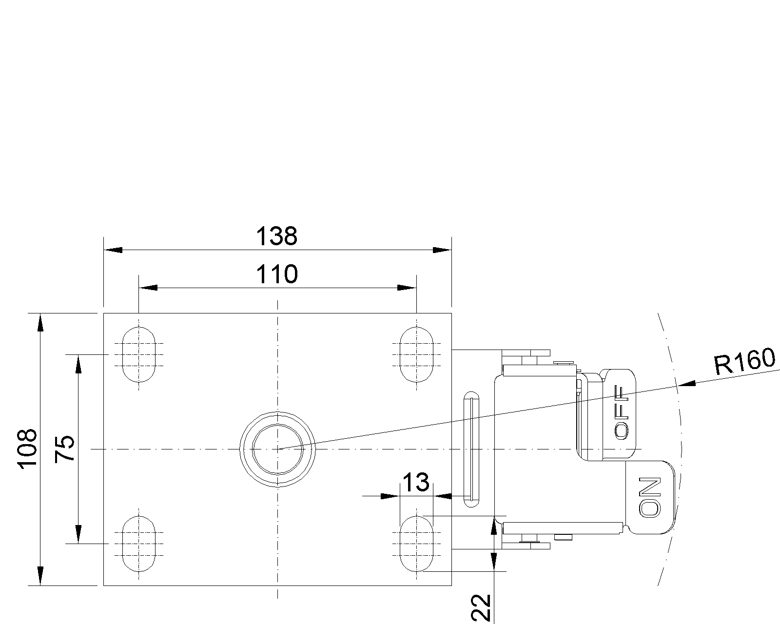
Đặc điểm: Phanh trước, bánh xe có khóa; khung thép hàn.
Sơn màu đỏ; lắp đặt bằng tấm đế; khoảng cách lỗ 110x75mm.
Lõi bánh xe bằng gang; bề mặt bánh xe bằng polyurethane chất lượng cao; lớp sơn đỏ được gia công.
Vòng bi bánh xe—vòng bi cầu chính xác.
  Bề mặt bánh xe: Được làm từ polyurethane chất lượng cao.
  Lõi bánh xe: Lõi sắt/Lõi gang

    Mô tả sản phẩm chỉ mang tính chất tham khảo. Sản phẩm thực tế sẽ được ưu tiên.



     
      đơn vị mét đế quốc
  Đường kính bánh xe 150mm 

  Chiều rộng bánh xe 42mm 
  vòng bi bánh xe Bánh xe trang bị vòng bi bi
  Quy cách tấm lắp 138 x 108mm 
  khoảng cách các lỗ trên tấm nền 110x75mm 
  Khoảng cách các lỗ lắp 22 x 13mm 
  Độ lệch tâm 42mm 
  Sự can thiệp quay 320mm 
  Tổng chiều cao 197mm 
  Bán kính xoay 160mm 
  Độ cứng 93±5° Shore A 
  Tải trọng (động) 410kgs 


  Độ di chuyển mượt mà 
    ● ● ● ○ ○

  Chế độ im lặng        ● ● ● ● ○

  Bảo vệ mặt sàn       ● ● ● ● ○

  Tải trọng (tĩnh) 615kgs 
  Nhiệt độ -20°C to +70°C 
  Càng bánh xe Khóa trước
  Thép không gỉ N/A
  Dẫn điện N/A 
  Chống tĩnh điện N/A 
  Trọng lượng bánh xe đẩy 4.39kgs 
  Tiêu chuẩn kiểm nghiệm ISO22883
  
  
  © Bản quyền thuộc về 2026 DershengInternational www.dersheng.com
Sản phẩm liên quan
1157 Series — SERIES 57
Bánh PU (Đỏ Bình) Đường kính bánh × Chiều rộng bánh 150 × 42 mm
KS-11570600334041
150 mm 410 Kgs 197 mm

Đặc điểm nổi bật: Phanh trước, bánh xe có khóa, khung thép hàn.
Sơn màu đỏ, lắp đặt bằng tấm đế, khoảng cách lỗ 110x75mm.
Lõi bánh xe bằng gang, bề mặt bánh xe bằng polyurethane chất lượng cao, được phay màu đỏ.
Vòng bi chính xác, với nắp bánh xe chống xoắn được thiết kế đặc biệt.
1157 Series — SERIES 57
Bánh PU (Đỏ Bình) Đường kính bánh × Chiều rộng bánh 150 × 42 mm
KS-11570600331051
150 mm 410 Kgs 197 mm
Bánh xe cố định, khung thép hàn
Bề mặt phun sơn đỏ, thiết bị lắp đặt tấm đáy, khoảng cách lỗ 110x75
Lõi bánh xe bằng gang, bề mặt bánh xe bằng polyurethane chất lượng cao, phay màu đỏ
Vòng bi bánh xe—vòng bi bi chính xác
1157 Series — SERIES 57
Bánh PU (Đỏ Bình) Đường kính bánh × Chiều rộng bánh 150 × 42 mm
KS-11570600331071
150 mm 410 Kgs 197 mm
Bánh xe cố định với khung thép hàn
Hoàn thiện sơn đỏ, lắp đế, khoảng cách lỗ 110x75
Lõi gang với gai polyurethane chất lượng cao, phay màu đỏ
Vòng bi bánh xe—vòng bi chính xác với nắp chống quấn đặc biệt
1157 Series — SERIES 57
Bánh PU (Đỏ Bình) Đường kính bánh × Chiều rộng bánh 150 × 42 mm
KS-11570600332051
150 mm 410 Kgs 197 mm
Bánh xe di động, khung thép hàn, sơn màu đỏ
Thiết bị gắn đế, khoảng cách lỗ 110x75mm
Lõi bánh xe bằng gang, bề mặt bánh xe bằng polyurethane chất lượng cao, sơn màu đỏ
Vòng bi bánh xe—vòng bi cầu chính xác
1157 Series — SERIES 57
Bánh PU (Đỏ Bình) Đường kính bánh × Chiều rộng bánh 150 × 42 mm
KS-11570600332031
150 mm 410 Kgs 197 mm
Bánh xe di động, khung thép hàn, sơn màu đỏ
Thiết bị gắn đế, khoảng cách lỗ 110x75mm
Lõi bánh xe bằng gang, bề mặt bánh xe bằng polyurethane chất lượng cao, sơn màu đỏ
Vòng bi bánh xe—vòng bi cầu chính xác, được trang bị nắp chống xoắn đặc biệt