Bảng dữ liệu sản phẩm
1157 Series — SERIES 57
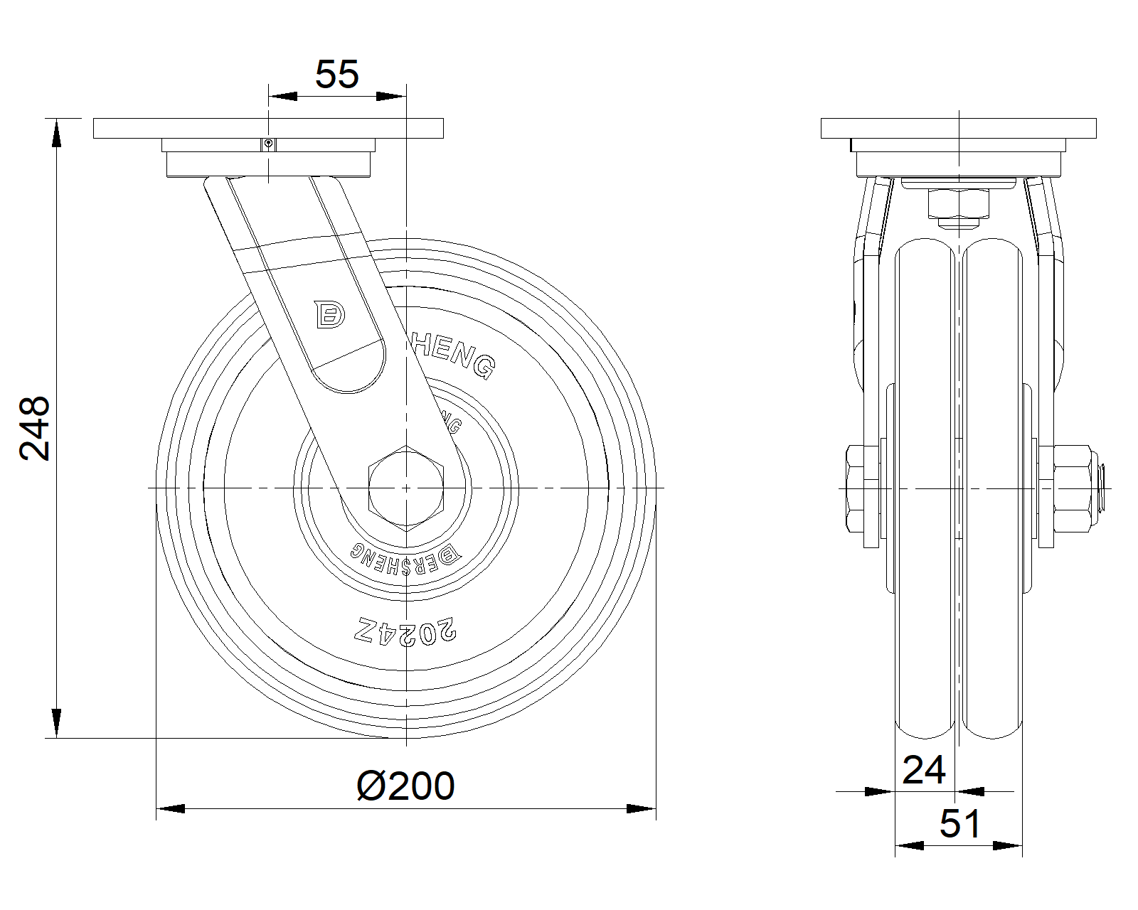
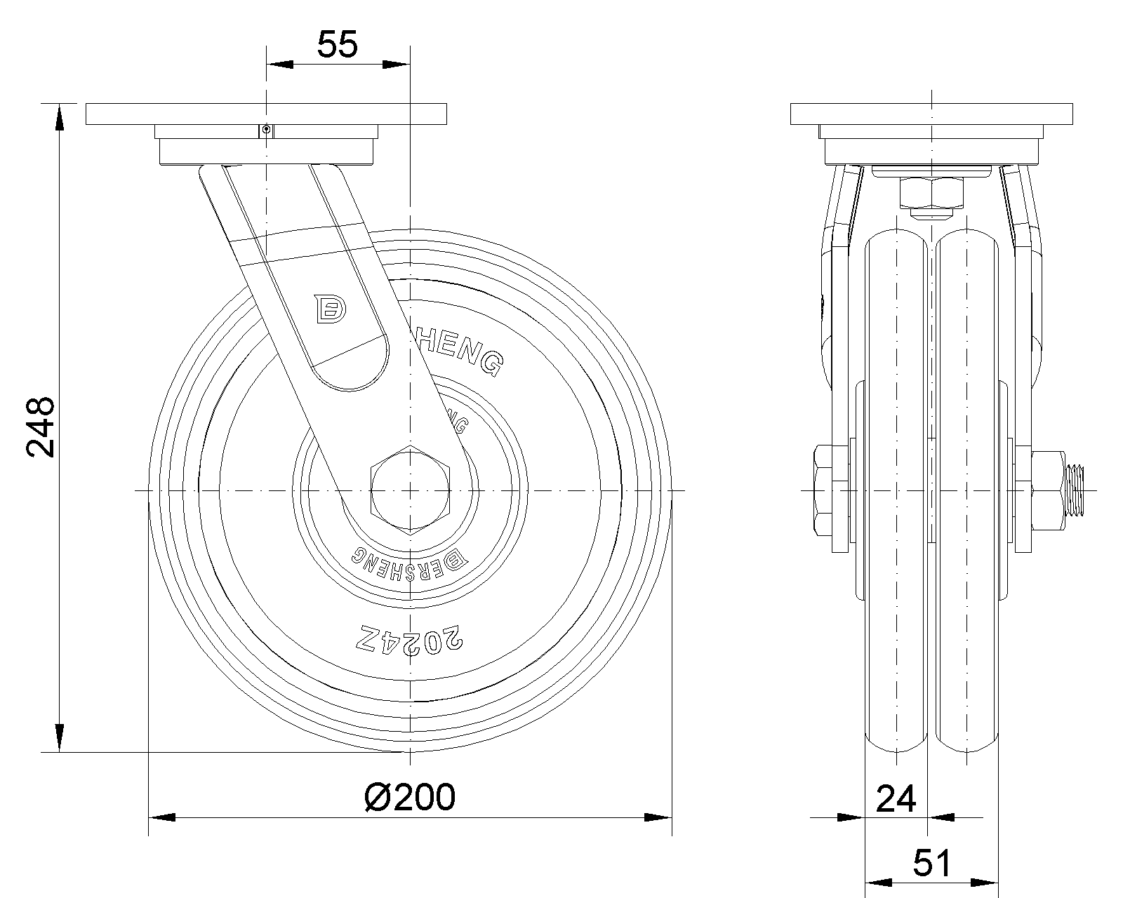
  Bánh ZQPU (Nâu Cong) Đường Kính Bánh × Độ Rộng Bánh 200 × 24 (51) mm
  EAN
      KS-11570800802021
         
Bánh xe di động, khung thép hàn, sơn màu đỏ.
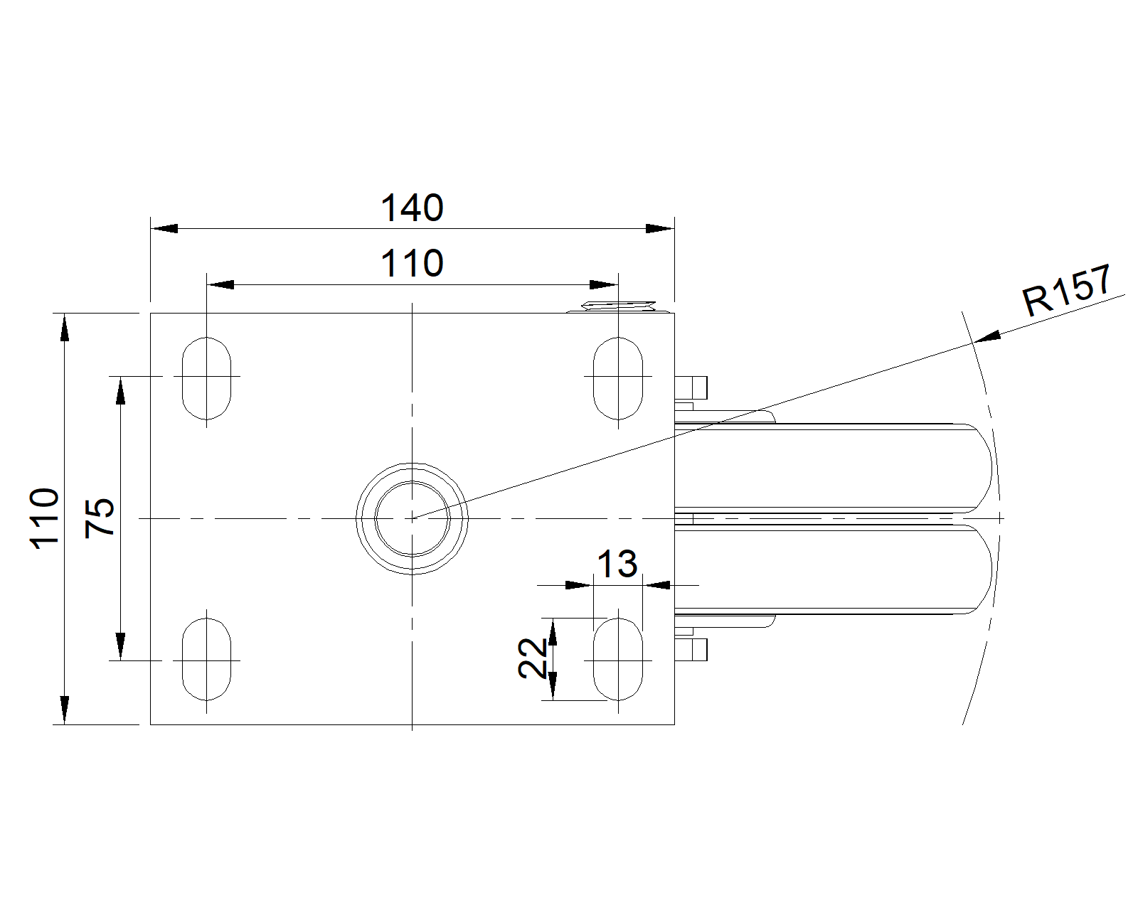
Thiết bị gắn đế, khoảng cách lỗ 110x75mm.
Lõi bánh xe bằng gang, bề mặt bánh xe bằng polyurethane chất lượng cao, màu nâu phay.
Vòng bi bánh xe—các viên bi chính xác được thiết kế đặc biệt để giảm lực cản khi vận hành.
Bánh xe kép ZQPU, thiết kế công thái học giúp dễ dàng khởi động và xoay chuyển.
  Bề mặt bánh xe: Được làm từ polyurethane chất lượng cao.
  Lõi bánh xe: Lõi sắt/Lõi gang

    Mô tả sản phẩm chỉ mang tính chất tham khảo. Sản phẩm thực tế sẽ được ưu tiên.



     
      đơn vị mét đế quốc
  Đường kính bánh xe 200mm 

  Chiều rộng bánh xe 51mm 
  vòng bi bánh xe Bánh xe trang bị vòng bi bi
  Quy cách tấm lắp 138 x 108mm 
  khoảng cách các lỗ trên tấm nền 110x75mm 
  Khoảng cách các lỗ lắp 22 x 13mm 
  Độ lệch tâm 55mm 
  Sự can thiệp quay 314mm 
  Tổng chiều cao 248mm 
  Bán kính xoay 157mm 
  Độ cứng 92±5° Shore A 
  Tải trọng (động) 650kgs 


  Độ di chuyển mượt mà 
    ● ● ● ● ●

  Chế độ im lặng        ● ● ● ● ●

  Bảo vệ mặt sàn       ● ● ● ● ●

  Tải trọng (tĩnh) 975kgs 
  Nhiệt độ -20°C to +70°C 
  Càng bánh xe Xoay 
  Thép không gỉ N/A
  Dẫn điện N/A 
  Chống tĩnh điện N/A 
  Trọng lượng bánh xe đẩy 6.96kgs 
  Tiêu chuẩn kiểm nghiệm ISO22883
  
  
  © Bản quyền thuộc về 2026 DershengInternational www.dersheng.com
Sản phẩm liên quan
1157 Series — SERIES 57
Bánh ZQPU (Nâu Cong) Đường Kính Bánh × Độ Rộng Bánh 200 × 24 (51) mm
KS-11570800801021
200 mm 650 Kgs 248 mm
Bánh xe cố định, khung thép hàn
Bề mặt phun sơn đỏ, thiết bị lắp đặt tấm đế, khoảng cách lỗ 110x75
Lõi bánh xe bằng gang, bề mặt bánh xe bằng polyurethane chất lượng cao, phay màu nâu
Vòng bi bánh xe—bi bi chính xác đặc biệt giúp giảm lực cản khi vận hành
Bánh xe đôi ZQPU, tiện dụng, dễ khởi động và quay đầu
1157 Series — SERIES 57
Bánh ZQPU (Nâu Cong) Đường Kính Bánh × Độ Rộng Bánh 200 × 24 (51) mm
KS-11570800804071
200 mm 650 Kgs 248 mm
Trang bị phanh trước, bánh xe có hệ thống khóa, khung thép hàn.
Sơn màu đỏ, lắp đặt bằng tấm đế, khoảng cách lỗ 110x75mm.
Lõi bánh xe bằng gang, bề mặt bánh xe bằng polyurethane chất lượng cao, màu nâu phay.
Vòng bi bánh xe—vòng bi cầu chính xác được thiết kế đặc biệt để giảm ma sát khi vận hành.
Bánh xe kép ZQPU, thiết kế công thái học giúp dễ dàng khởi động và quay.