|
|
Bảng dữ liệu sản phẩm |
|
|
|
||
| 1157 Series — SERIES 57 |
|
|
||||
| Bánh xe EQPU (hồ quang nâu) Đường kính bánh xe × Chiều rộng bánh xe 150 x 42mm |
|
|
||||
| EAN |
|
|||||
|
KS-11570800554021 |
|
|||||
|
|
|
|||||
| Phanh trước, bánh xe khóa, khung thép hàn
Hoàn thiện sơn đỏ, lắp đế, khoảng cách lỗ 85x70 Lõi bánh xe bằng gang, gai polyurethane chất lượng cao, màu nâu phay Vòng bi bánh xe—vòng bi cầu chính xác |
|
|||||
|
|
|
|||||
| Mặt bánh xe: Được làm bằng polyurethane chất lượng cao Lõi bánh xe: lõi sắt/lõi gang Mô tả sản phẩm chỉ mang tính chất tham khảo. Sản phẩm thực tế sẽ được ưu tiên. |
|
|||||
|
|
|
|||||
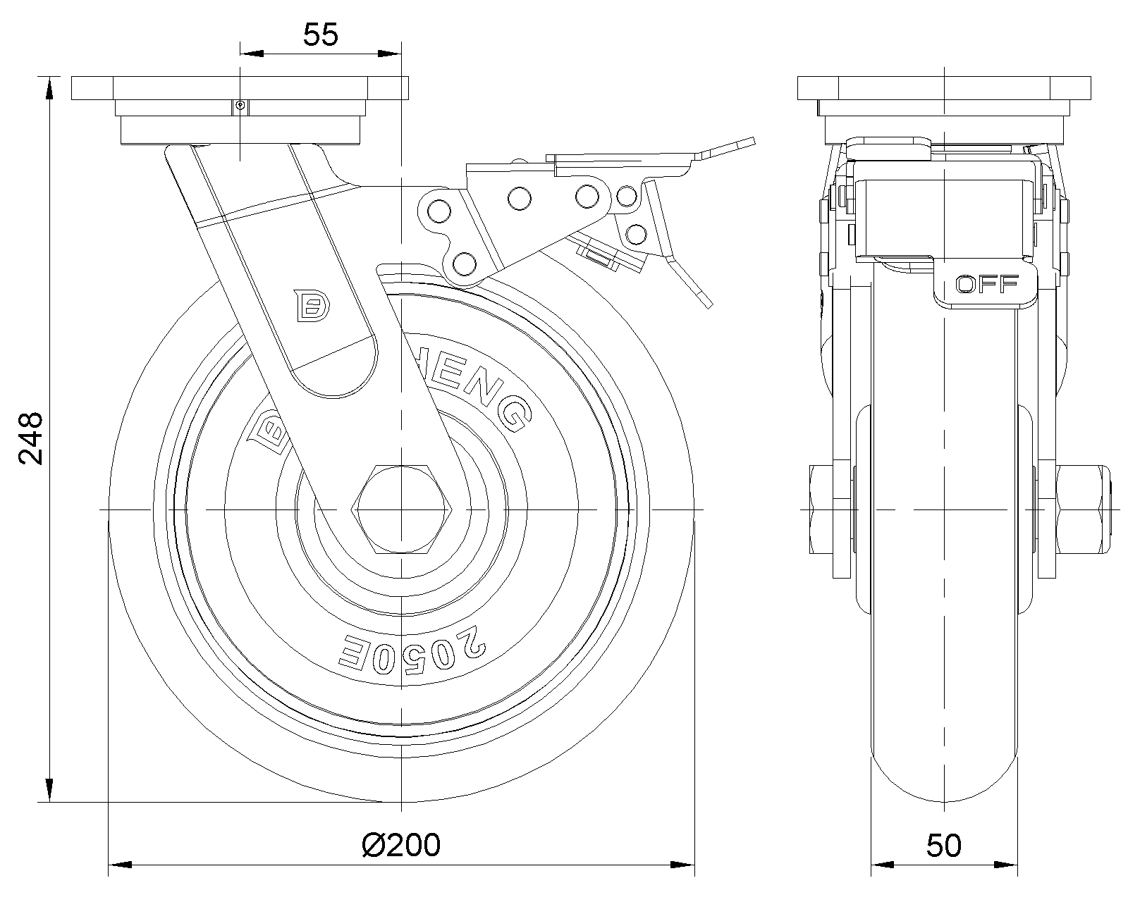
đơn vị mét đế quốc
Đường kính bánh xe
200mm
Chiều rộng bánh xe
50mm
|
|
|
||||
|
vòng bi bánh xe
Bánh xe trang bị vòng bi bi
Quy cách tấm lắp
115 x 110mm
khoảng cách các lỗ trên tấm nền
85 x 70mm
Khoảng cách các lỗ lắp
20 x 11mm
Độ lệch tâm
55mm
Sự can thiệp quay
356mm
Tổng chiều cao
248mm
Bán kính xoay
178mm
Độ cứng
92±5° Shore A
Tải trọng (động)
750kgs
|
Độ di chuyển mượt mà ● ● ● ● ● Chế độ im lặng ● ● ● ● ● Bảo vệ mặt sàn ● ● ● ● ● |
|||||
|
Tải trọng (tĩnh)
1125kgs
Nhiệt độ
-20°C to +70°C
Càng bánh xe
Khóa trước
|
|
|||||
|
Thép không gỉ
N/A
Dẫn điện
N/A
Chống tĩnh điện
N/A
Trọng lượng bánh xe đẩy
6.39kgs
Tiêu chuẩn kiểm nghiệm
ISO22883
|
|
|
||||
|
|
|||||
|
|
|||||
|
|
|||||
|
|
|||||
| © Bản quyền thuộc về 2026 DershengInternational www.dersheng.com | ||||||