| 
				 | 
						  			  						Bảng dữ liệu sản phẩm | 
			  
				 |  
			
				
				 
			 | 
			
				 | 
		||
| 1157 Series — SERIES 57 | 
				 
			 | 
			
				 | 
		||||
| Bánh xe MRC (trong suốt) Đường kính bánh xe × Chiều rộng bánh xe 100 x 32mm | 
				
				
			     
			     | 
			
				 | 
		||||
| EAN | 
				 | 
		|||||
| 
			     
			KS-11570400074061 | 
		
			
				 | 
		|||||
| 
				 | 
			
				 | 
		|||||
| Bánh xe có phanh trước và hệ thống khóa, khung thép hàn Sơn đỏ, lắp đế, khoảng cách lỗ 85x70 Lõi bánh xe bằng nhựa nhiệt dẻo, gai bánh xe tự nhiên Vòng bi bánh xe—vòng bi chính xác với nắp bánh xe chống xoắn đặc biệt | 
				 | 
		|||||
| 
				 | 
			
				 | 
		|||||
|   Mặt bánh xe: Nhựa nhiệt dẻo (PA6)				 Lõi bánh xe: Nhựa nhiệt dẻo (PA6) Mô tả sản phẩm chỉ mang tính chất tham khảo. Sản phẩm thực tế sẽ được ưu tiên.  | 
						
				 | 
		|||||
| 
				
																	 | 
			
				 | 
		|||||
			
																 
            			
				
				
				
					                																
												
																				                				
				
																												
																																								
																												
																												
																																
												
																												
																												
																																
																												
				
												
																												
																												
																																																								
																																																				
																																																																												
				
																				
																				
																				
																								đơn vị mét đế quốc 
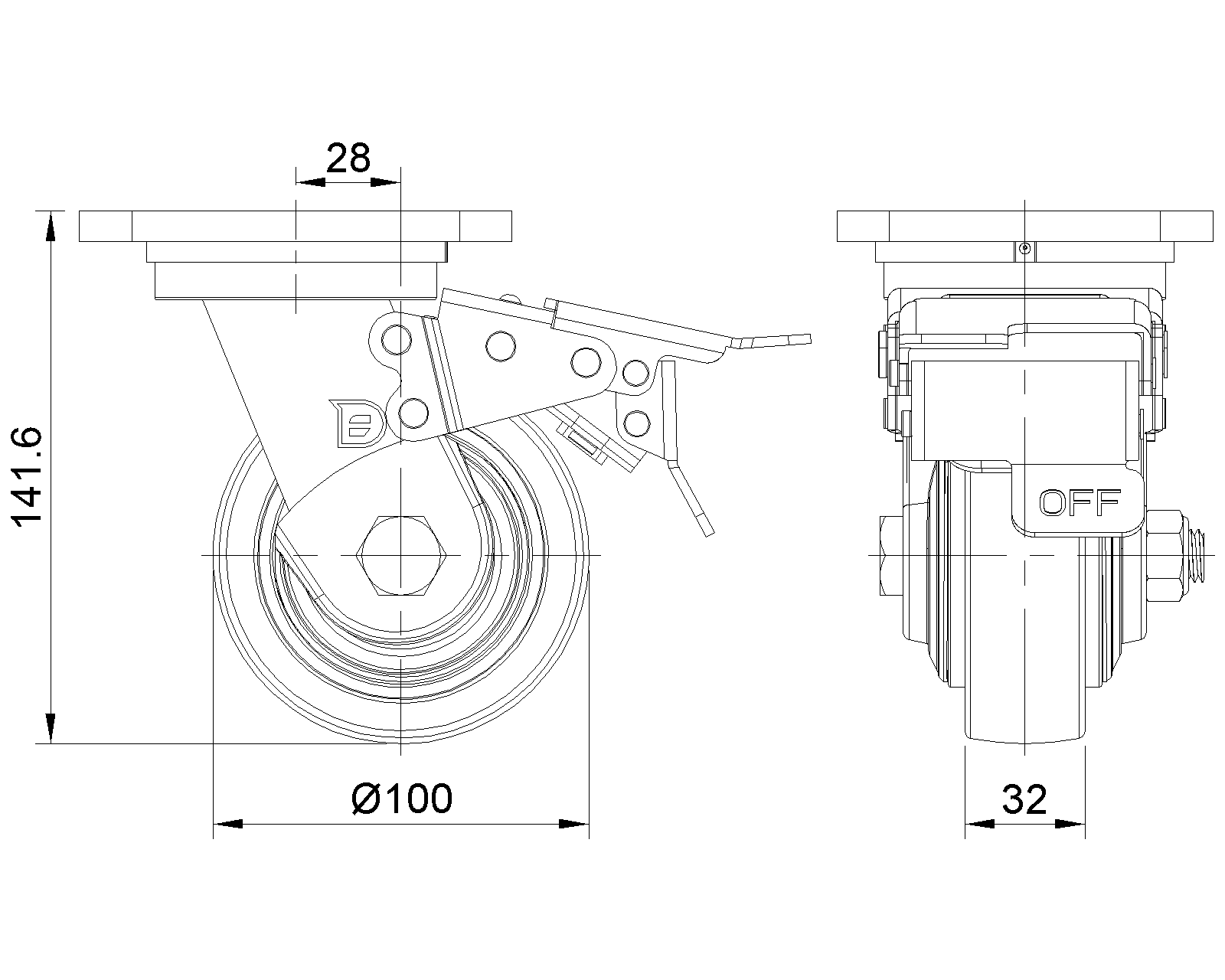
				  Đường kính bánh xe
			
								
												
                 				
			
															    100mm 
								
				 
								
				
				
				  Chiều rộng bánh xe
				
								
								
																			    32mm 
								 
								
				
			 | 
            
					
				
				
																	 
            			
			 | 			
	   			
				 | 
		||||
| 
			
																												
																												
																																																				
								 
				  vòng bi bánh xe
								
								
																			    Bánh xe trang bị vòng bi bi
								 
								
				
								
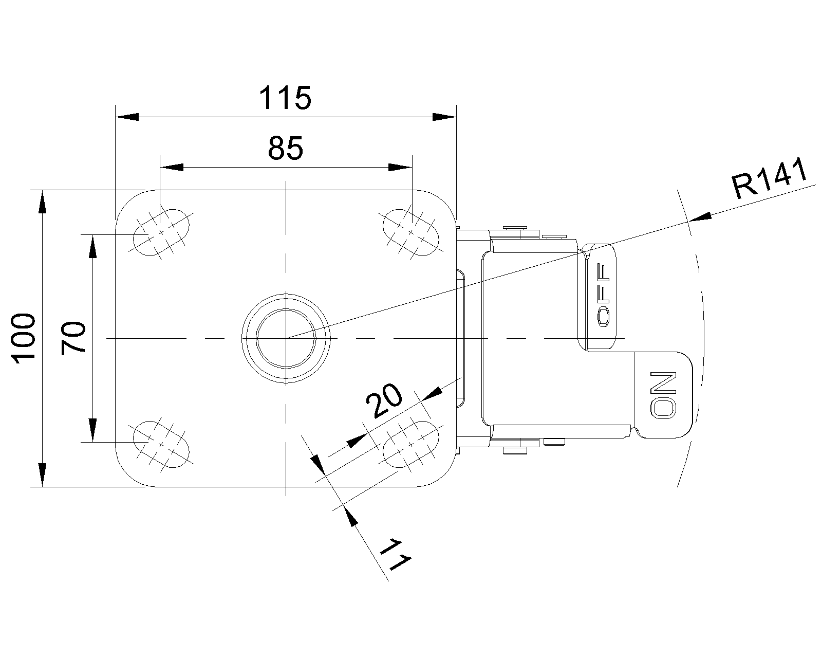
				  Quy cách tấm lắp
								                
												
               																																			    115 x 100mm  
								
				 
												
					  khoảng cách các lỗ trên tấm nền
										
															
													
				
																	
																
				
				
																
								85 x 70mm 
								 
			    								
					  Khoảng cách các lỗ lắp
																									
									   				   				   					20 x 11mm 
				   				    
				    				 
				
								
					  Độ lệch tâm
																									
																					28mm 
								 
												
					  Sự can thiệp quay
																									
																					282mm 
								 
												
					  Tổng chiều cao
																									
					                                                  				141.6mm 
								
				 
												
					  Bán kính xoay
																																													141mm 
										 
												
					  Độ cứng
																																													75±5° Shore D 
										 
												
					  Tải trọng (động)
																																													250kgs 
										 
				
			 | 
			
			
			
				
																																																																																																								
							   			   			   Độ di chuyển mượt mà ● ● ● ● ● Chế độ im lặng ● ● ○ ○ ○ Bảo vệ mặt sàn ● ● ○ ○ ○  | 			
			|||||
| 
								 
					  Tải trọng (tĩnh)
																									
										 					 					 					375kgs 
				     					 
					  
								
								
					  Nhiệt độ
																																													-20°C to +80°C 
				    				 
					
								
     	
	 	
          																																					 			 
								
					  Càng bánh xe
																																										Khóa trước
								 
				
			 | 
				
				
																	 
            			
			 | 
			|||||
| 
				
				
																				
									
													
				                					
					
                					
								
				 
					  Thép không gỉ
																									
				    				    				    				    					N/A
				    					 
					
                 																																
									
													
													
													
								
                					
													
													
													
								
					  Dẫn điện
																									
																									N/A 
				    					 
					
					
					
				  Chống tĩnh điện	
																								N/A 
				    					 
								   
					  Trọng lượng bánh xe đẩy
																																													2.37kgs 
										
					 
												    
					  Tiêu chuẩn kiểm nghiệm
																																										ISO22883
								  | 
							
			
			     
				
				 
				 | 
			
				 | 
		||||
				
																						
																					
																					
             				 
            													
            				
			
			 | 
		
			
				 | 
		|||||
			
				
				
							
								 				 | 
			
				 | 
			
		|||||
				
								
			
																							
																																											  
           																	   
				  
		   
			 | 
			
				 | 
			
		|||||
 				
			                    
								
			
					
																																																													 
            																	
			
								   
		   			
			 | 
			
				 | 
		|||||
| © Bản quyền thuộc về 2025 DershengInternational www.dersheng.com | ||||||
			
			
			
						100 mm					
					
						
						250 Kgs					
					
						
						141.6 mm					
				
			
			
			
						100 mm					
					
						
						250 Kgs					
					
						
						141.6 mm					
				
			
			
			
						100 mm					
					
						
						250 Kgs					
					
						
						141.6 mm