| 
				 | 
						  			  						Bảng dữ liệu sản phẩm | 
			  
				 |  
			
				
				 
			 | 
			
				 | 
		||
| 1157 Series — SERIES 57 | 
				 
			 | 
			
				 | 
		||||
| Bánh xe QPU (nâu phẳng) Đường kính bánh xe × Chiều rộng bánh xe 125 x 40mm | 
				
				
			     
			     | 
			
				 | 
		||||
| EAN | 
				 | 
		|||||
| 
			     
			KS-11570500532081 | 
		
			
				 | 
		|||||
| 
				 | 
			
				 | 
		|||||
| Bánh xe xoay với khung thép hàn, sơn đỏ
 Lắp đế, khoảng cách lỗ 110x75 Lõi bánh xe bằng gang, gai polyurethane chất lượng cao, màu nâu phay Vòng bi bánh xe - vòng bi chính xác  | 
						
				 | 
		|||||
| 
				 | 
			
				 | 
		|||||
|   Mặt bánh xe: Được làm bằng polyurethane chất lượng cao				 Lõi bánh xe: lõi sắt/lõi gang Mô tả sản phẩm chỉ mang tính chất tham khảo. Sản phẩm thực tế sẽ được ưu tiên.  | 
						
				 | 
		|||||
| 
				
																	 | 
			
				 | 
		|||||
			
																 
            			
				
				
				
					                																
												
																				                				
				
																												
																																								
																												
																												
																																
												
																												
																												
																																
																												
				
												
																												
																												
																																																								
																																																				
																																																																												
				
																				
																				
																				
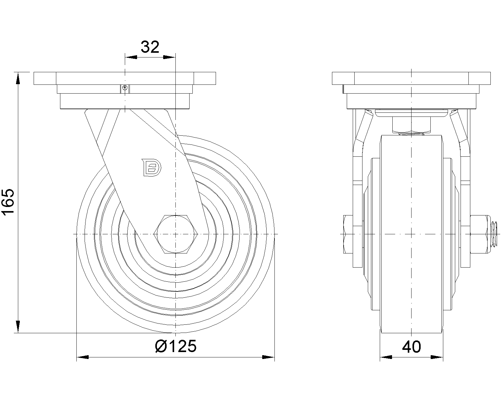
																								đơn vị mét đế quốc 
				  Đường kính bánh xe
			
								
												
                 				
			
															    125mm 
								
				 
								
				
				
				  Chiều rộng bánh xe
				
								
								
																			    40mm 
								 
								
				
			 | 
            
					
				
				
																	 
            			
			 | 			
	   			
				 | 
		||||
| 
			
																												
																												
																																																				
								 
				  vòng bi bánh xe
								
								
																			    Bánh xe trang bị vòng bi bi
								 
								
				
								
				  Quy cách tấm lắp
								                
												
               																																			    110 x 100mm  
								
				 
												
					  khoảng cách các lỗ trên tấm nền
										
															
													
				
																	
																
				
				
																
								85 x 70mm 
								 
			    								
					  Khoảng cách các lỗ lắp
																									
									   				   				   					20 x 11mm 
				   				    
				    				 
				
								
					  Độ lệch tâm
																									
																					32mm 
								 
												
					  Sự can thiệp quay
																									
																					194mm 
								 
												
					  Tổng chiều cao
																									
					                                                  				165mm 
								
				 
												
					  Bán kính xoay
																																													97mm 
										 
												
					  Độ cứng
																																													92±5° Shore A 
										 
												
					  Tải trọng (động)
																																													500kgs 
										 
				
			 | 
			
			
			
				
																																																																																																								
							   			   			   Độ di chuyển mượt mà ● ● ● ● ● Chế độ im lặng ● ● ● ● ● Bảo vệ mặt sàn ● ● ● ● ●  | 			
			|||||
| 
								 
					  Tải trọng (tĩnh)
																									
										 					 					 					750kgs 
				     					 
					  
								
								
					  Nhiệt độ
																																													-20°C to +70°C 
				    				 
					
								
     	
	 	
          																																					 			 
								
					  Càng bánh xe
																																										Xoay 
								 
				
			 | 
				
				
																	 
            			
			 | 
			|||||
| 
				
				
																				
									
													
				                					
					
                					
								
				 
					  Thép không gỉ
																									
				    				    				    				    					N/A
				    					 
					
                 																																
									
													
													
													
								
                					
													
													
													
								
					  Dẫn điện
																									
																									N/A 
				    					 
					
					
					
				  Chống tĩnh điện	
																								N/A 
				    					 
								   
					  Trọng lượng bánh xe đẩy
																																													3.36kgs 
										
					 
												    
					  Tiêu chuẩn kiểm nghiệm
																																										ISO22883
								  | 
							
			
			     
				
				 
				 | 
			
				 | 
		||||
				
																						
																					
																					
             				 
            													
            				
			
			 | 
		
			
				 | 
		|||||
			
				
				
							
								 				 | 
			
				 | 
			
		|||||
				
								
			
																							
																																											  
           																	   
				  
		   
			 | 
			
				 | 
			
		|||||
 				
			                    
								
			
					
																																																													 
            																	
			
								   
		   			
			 | 
			
				 | 
		|||||
| © Bản quyền thuộc về 2025 DershengInternational www.dersheng.com | ||||||
			
			
			
						125 mm					
					
						
						500 Kgs					
					
						
						165 mm					
				
			
			
			
						125 mm					
					
						
						500 Kgs					
					
						
						165 mm					
				
			
			
			
						125 mm					
					
						
						500 Kgs					
					
						
						165 mm					
				
			
			
			
						125 mm					
					
						
						500 Kgs					
					
						
						165 mm					
				
			
			
			
						125 mm					
					
						
						500 Kgs					
					
						
						165 mm