Bảng dữ liệu sản phẩm
1157 Series — SERIES 57
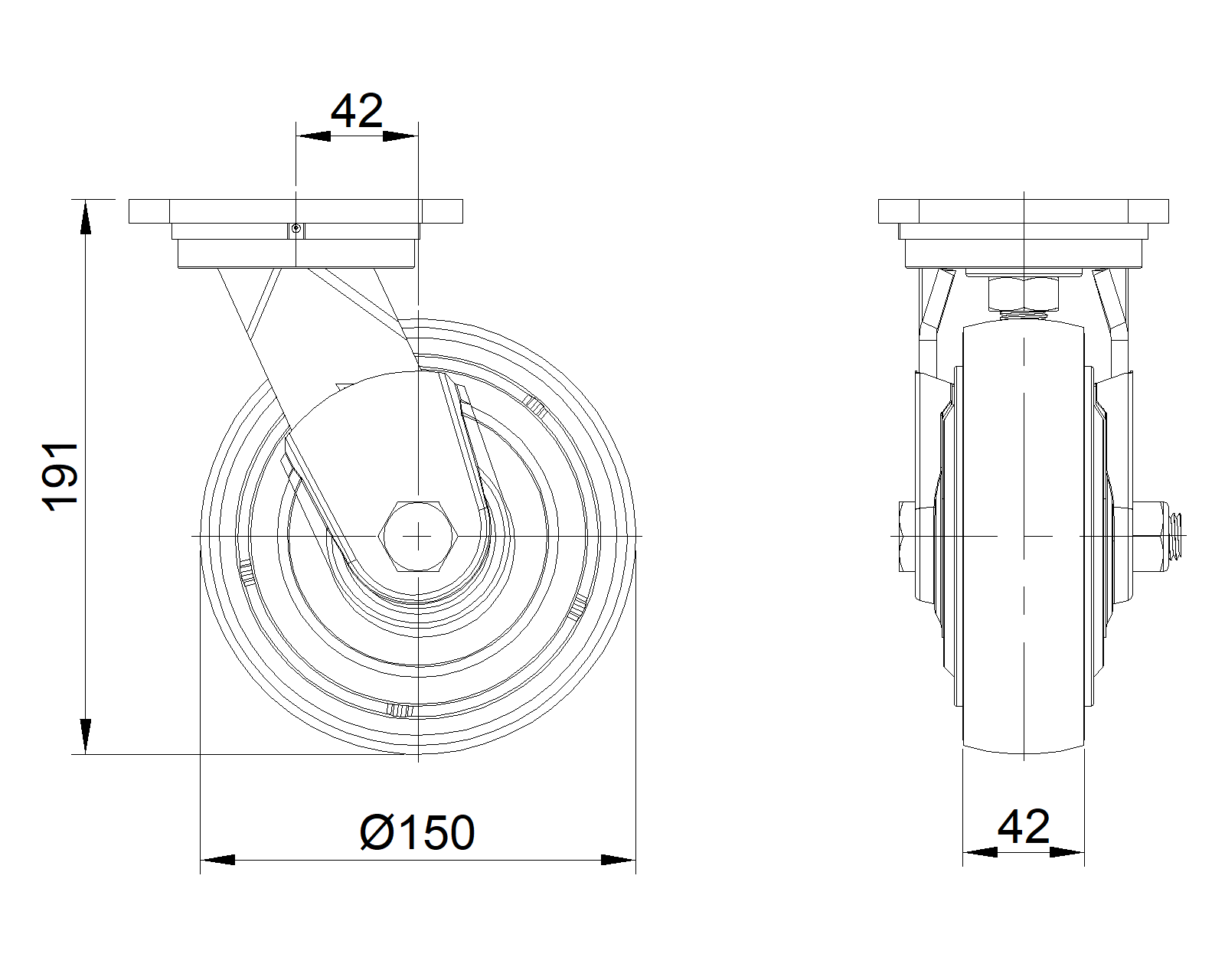
  Bánh xe PU (vòng cung đỏ) Đường kính bánh xe × Chiều rộng bánh xe 150x 42mm
  EAN
      KS-11570600332191
         
Bánh xe xoay với khung thép hàn, sơn phủ màu đỏ
Lắp đế, khoảng cách lỗ 85 x 70
Lõi gang với gai polyurethane chất lượng cao, phay màu đỏ
Vòng bi bánh xe—vòng bi chính xác với nắp chống quấn đặc biệt
  Mặt bánh xe: Được làm bằng polyurethane chất lượng cao
  Lõi bánh xe: lõi sắt/lõi gang

    Mô tả sản phẩm chỉ mang tính chất tham khảo. Sản phẩm thực tế sẽ được ưu tiên.



     
      đơn vị mét đế quốc
  Đường kính bánh xe 150mm 

  Chiều rộng bánh xe 42mm 
  vòng bi bánh xe Bánh xe trang bị vòng bi bi
  Quy cách tấm lắp 115 x 100mm 
  khoảng cách các lỗ trên tấm nền 85 x 70mm 
  Khoảng cách các lỗ lắp 20 x 11mm 
  Độ lệch tâm 42mm 
  Sự can thiệp quay 238mm 
  Tổng chiều cao 191mm 
  Bán kính xoay 119mm 
  Độ cứng 93±5° Shore A 
  Tải trọng (động) 400kgs 


  Độ di chuyển mượt mà 
    ● ● ● ○ ○

  Chế độ im lặng        ● ● ● ● ○

  Bảo vệ mặt sàn       ● ● ● ● ○

  Tải trọng (tĩnh) 600kgs 
  Nhiệt độ -20°C to +70°C 
  Càng bánh xe Xoay 
  Thép không gỉ N/A
  Dẫn điện N/A 
  Chống tĩnh điện N/A 
  Trọng lượng bánh xe đẩy 3.71kgs 
  Tiêu chuẩn kiểm nghiệm ISO22883
  
  
  © Bản quyền thuộc về 2026 DershengInternational www.dersheng.com
Sản phẩm liên quan
1157 Series — SERIES 57
Bánh xe PU (vòng cung đỏ) Đường kính bánh xe × Chiều rộng bánh xe 150x 42mm
KS-11570600331191
150 mm 410 Kgs 191 mm
Bánh xe cố định, khung thép hàn
Bề mặt phun sơn đỏ, thiết bị lắp đặt tấm đáy, khoảng cách lỗ 85x70
Lõi bánh xe bằng gang, bề mặt bánh xe bằng polyurethane chất lượng cao, phay màu đỏ
Vòng bi bánh xe—vòng bi chính xác với nắp bánh xe chống cuộn đặc biệt
1157 Series — SERIES 57
Bánh xe PU (vòng cung đỏ) Đường kính bánh xe × Chiều rộng bánh xe 150x 42mm
KS-11570600334181
150 mm 410 Kgs 191 mm
Bánh xe có phanh trước và hệ thống khóa, khung thép hàn Sơn đỏ, lắp đế, khoảng cách lỗ 85x70 Lõi bánh xe bằng gang, gai polyurethane chất lượng cao, phay màu đỏ Vòng bi bánh xe – vòng bi cầu chính xác
1157 Series — SERIES 57
Bánh xe PU (vòng cung đỏ) Đường kính bánh xe × Chiều rộng bánh xe 150x 42mm
KS-11570600334191
150 mm 410 Kgs 191 mm
Bánh xe có hệ thống phanh và khóa bánh trước, khung thép hàn Sơn đỏ, lắp đế, khoảng cách lỗ 85x70 Lõi bánh xe bằng gang, gai polyurethane chất lượng cao, phay màu đỏ Ổ bi bánh xe—ổ bi chính xác với nắp bánh xe chống quấn đặc biệt
1157 Series — SERIES 57
Bánh xe PU (vòng cung đỏ) Đường kính bánh xe × Chiều rộng bánh xe 150x 42mm
KS-11570600332181
150 mm 400 Kgs 191 mm
Bánh xe xoay với khung thép hàn, sơn phủ màu đỏ
Lắp đế, khoảng cách lỗ 85 x 70
Lõi bánh xe bằng gang, gai polyurethane chất lượng cao, phay màu đỏ
Vòng bi bánh xe - vòng bi chính xác