Bảng dữ liệu sản phẩm
1157 Series — SERIES 57
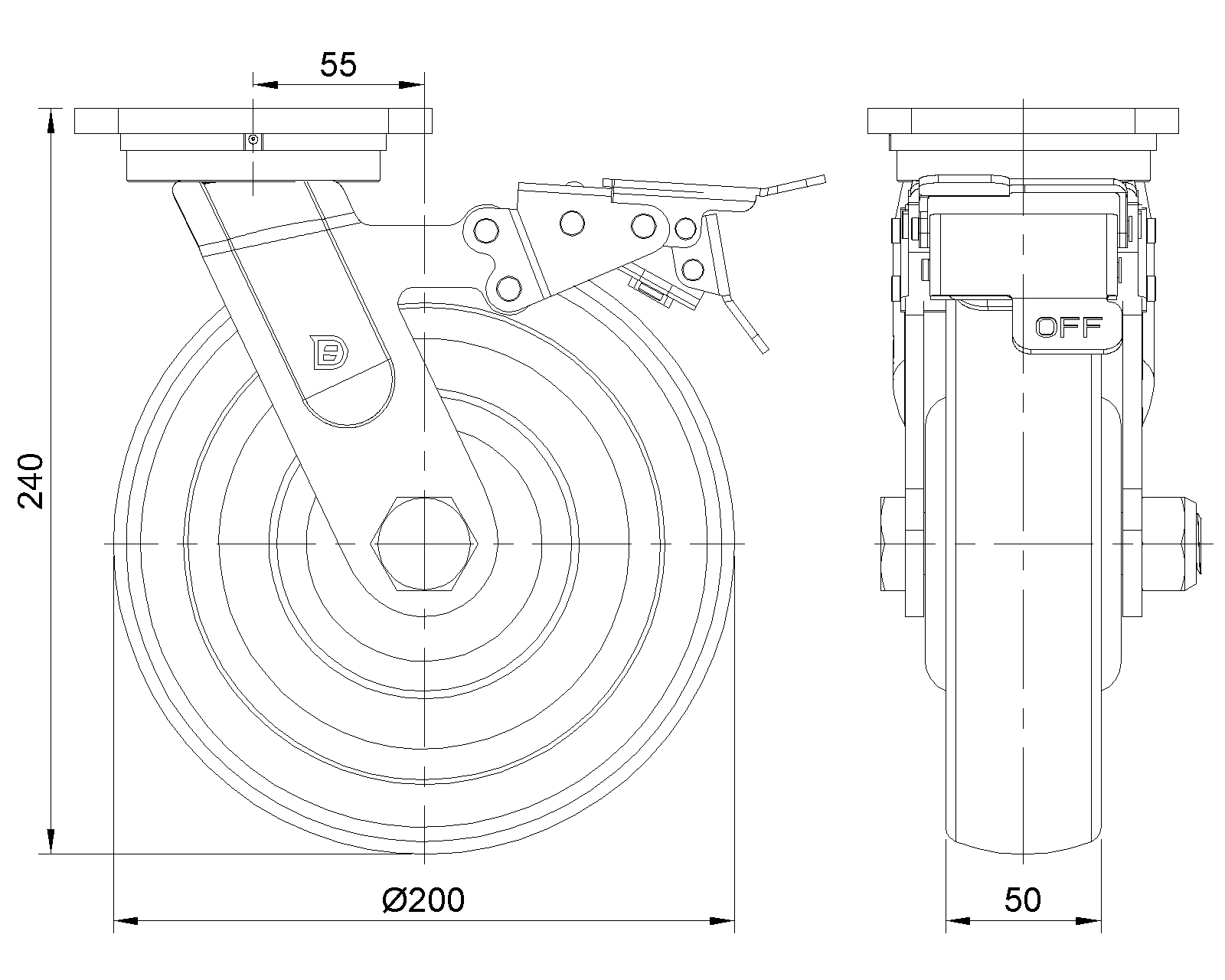
  Bánh xe VQPU (hồ quang nâu) Đường kính bánh xe × Chiều rộng bánh xe 200 x 50mm
  EAN
      KS-11570800544171
         
Bánh xe có phanh trước và hệ thống khóa, khung thép hàn
Hoàn thiện sơn đỏ, lắp đế, khoảng cách lỗ 85x70
Lõi bánh xe bằng gang, gai polyurethane chất lượng cao, màu nâu phay
Vòng bi bánh xe—vòng bi cầu chính xác
  Bề mặt bánh xe: Được làm bằng polyurethane chất lượng cao
  Lõi bánh xe: lõi sắt/lõi gang

    Mô tả sản phẩm chỉ mang tính chất tham khảo. Sản phẩm thực tế sẽ được ưu tiên.



     
      đơn vị mét đế quốc
  Đường kính bánh xe 200mm 

  Chiều rộng bánh xe 50mm 
  vòng bi bánh xe Bánh xe trang bị vòng bi bi
  Quy cách tấm lắp 115 x 110mm 
  khoảng cách các lỗ trên tấm nền 85 x 70mm 
  Khoảng cách các lỗ lắp 20 x 11mm 
  Độ lệch tâm 55mm 
  Sự can thiệp quay 376mm 
  Tổng chiều cao 240mm 
  Bán kính xoay 188mm 
  Độ cứng 92±5° Shore A 
  Tải trọng (động) 750kgs 


  Độ di chuyển mượt mà 
    ● ● ● ● ●

  Chế độ im lặng        ● ● ● ● ●

  Bảo vệ mặt sàn       ● ● ● ● ●

  Tải trọng (tĩnh) 1125kgs 
  Nhiệt độ -20°C to +70°C 
  Càng bánh xe Khóa trước
  Thép không gỉ N/A
  Dẫn điện N/A 
  Chống tĩnh điện N/A 
  Trọng lượng bánh xe đẩy 7.65kgs 
  Tiêu chuẩn kiểm nghiệm ISO22883
  
  
  © Bản quyền thuộc về 2026 DershengInternational www.dersheng.com
Sản phẩm liên quan
1157 Series — SERIES 57
Bánh xe VQPU (hồ quang nâu) Đường kính bánh xe × Chiều rộng bánh xe 200 x 50mm
KS-11570800542131
200 mm 750 Kgs 240 mm
Bánh xe di chuyển, khung thép hàn
Bề mặt phun sơn đỏ, thiết bị lắp đặt tấm đáy, khoảng cách lỗ 85x70
Lõi bánh xe làm bằng gang, bề mặt bánh xe bằng polyurethane chất lượng cao, phay màu nâu
Vòng bi bánh xe—vòng bi bi chính xác
1157 Series — SERIES 57
Bánh xe VQPU (hồ quang nâu) Đường kính bánh xe × Chiều rộng bánh xe 200 x 50mm
KS-11570800541171
200 mm 750 Kgs 240 mm
Bánh xe cố định, khung thép hàn
Bề mặt phun sơn đỏ, thiết bị lắp đặt tấm đáy, khoảng cách lỗ 85x70
Lõi bánh xe làm bằng gang, bề mặt bánh xe bằng polyurethane chất lượng cao, phay màu nâu
Vòng bi bánh xe—vòng bi bi chính xác
1157 Series — SERIES 57
Bánh xe VQPU (hồ quang nâu) Đường kính bánh xe × Chiều rộng bánh xe 200 x 50mm
KS-11570800541181
200 mm 750 Kgs 240 mm
Bánh xe cố định, khung thép hàn
Bề mặt phun sơn đỏ, thiết bị lắp đặt tấm đáy, khoảng cách lỗ 85x70
Lõi bánh xe làm bằng gang, bề mặt bánh xe bằng polyurethane chất lượng cao, phay màu nâu
Vòng bi bánh xe—vòng bi chính xác với nắp bánh xe chống cuộn đặc biệt
1157 Series — SERIES 57
Bánh xe VQPU (hồ quang nâu) Đường kính bánh xe × Chiều rộng bánh xe 200 x 50mm
KS-11570800542191A
200 mm 750 Kgs 240 mm
Bánh xe di chuyển, khung thép hàn
Bề mặt phun sơn đỏ, thiết bị lắp đặt tấm đáy, khoảng cách lỗ 85x70
Lõi bánh xe làm bằng gang, bề mặt bánh xe bằng polyurethane chất lượng cao, phay màu nâu
Vòng bi bánh xe—vòng bi chính xác với nắp bánh xe chống cuộn đặc biệt
1157 Series — SERIES 57
Bánh xe VQPU (hồ quang nâu) Đường kính bánh xe × Chiều rộng bánh xe 200 x 50mm
KS-11570800544181
200 mm 750 Kgs 240 mm
Bánh xe có hệ thống phanh và khóa bánh trước, khung thép hàn
Sơn màu đỏ, lắp đế, khoảng cách lỗ 85x70
Lõi bánh xe bằng gang, gai polyurethane chất lượng cao, màu nâu phay
Vòng bi bánh xe—vòng bi chính xác với nắp bánh xe chống quấn đặc biệt