Bảng dữ liệu sản phẩm
1160 Series — SERIES UNI
  PPR Bánh xe (đen) Đường kính bánh xe × Chiều rộng bánh xe 51,5 x 20mm
  EAN
      KS-11600200262033
         
Bánh xe điều chỉnh được, đế đế đục lỗ góc 42,5x42,5mm
Chân màu trắng làm bằng vật liệu gia cố polyamide
Chống gỉ, chống ăn mòn, thẩm mỹ, tiết kiệm và cho phép xoay trơn tru
Lõi bánh xe bằng polypropylene chống va đập, bề mặt bánh xe bằng nhựa nhiệt dẻo đàn hồi (TPR)
Vòng bi bánh xe màu đen - vòng bi chính xác
  Bề mặt bánh xe: Cao su nhiệt dẻo đàn hồi (TPR)
  Lõi bánh xe: Được làm bằng polypropylen chống va đập chất lượng cao

    Mô tả sản phẩm chỉ mang tính chất tham khảo. Sản phẩm thực tế sẽ được ưu tiên.



     
      đơn vị mét đế quốc
  Đường kính bánh xe 51.5mm 

  Chiều rộng bánh xe 20mm 
  vòng bi bánh xe Bánh xe đi kèm với ống giữa
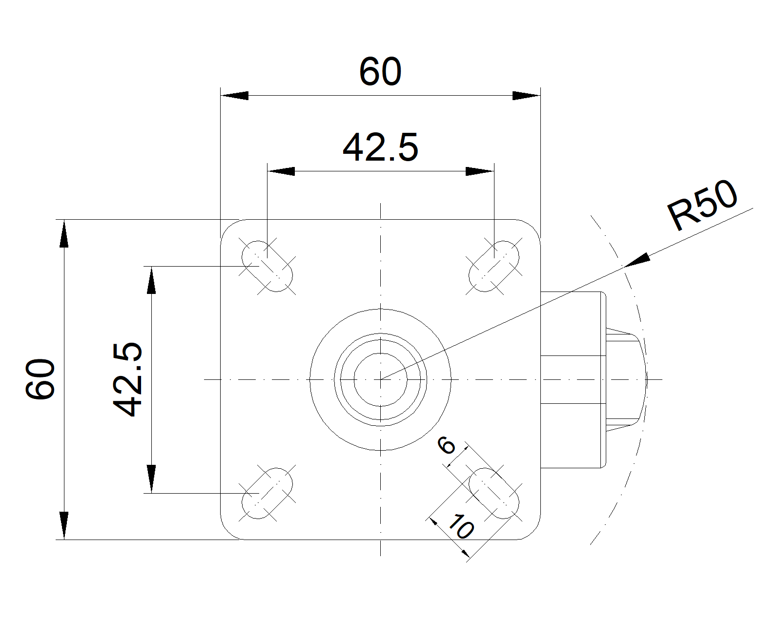
  Quy cách tấm lắp 60 x 60mm 
  khoảng cách các lỗ trên tấm nền 42.5x42.5mm 
  Khoảng cách các lỗ lắp 10 x 6mm 
  Độ lệch tâm 24mm 
  Sự can thiệp quay 100mm 
  Tổng chiều cao 86.5mm 
  Bán kính xoay 50mm 
  Độ cứng 82±5° Shore A 
  Tải trọng (động) 30kgs 


  Độ di chuyển mượt mà 
    ● ● ● ● ○

  Chế độ im lặng        ● ● ● ● ○

  Bảo vệ mặt sàn       ● ● ● ● ●

  Tải trọng (tĩnh) 45kgs 
  Nhiệt độ -20°C to +60°C 
  Càng bánh xe Xoay 
  Thép không gỉ N/A
  Dẫn điện N/A 
  Chống tĩnh điện N/A 
  Trọng lượng bánh xe đẩy 0.19kgs 
  Tiêu chuẩn kiểm nghiệm ISO22881
  
  
  © Bản quyền thuộc về 2026 DershengInternational www.dersheng.com
Sản phẩm liên quan
1160 Series — SERIES UNI
PPR Bánh (Đen Đen) Đường Kính Bánh × Độ Rộng Bánh 51.5 × 20mm
KS-11600200264033
51.5 mm 30 Kgs 86.5 mm

Bánh xe hệ thống khóa phanh đơn, đế lỗ góc 42,5x42,5mm
Chân màu trắng làm bằng vật liệu gia cố polyamide, lắp đế
Chống gỉ, chống ăn mòn, thẩm mỹ, tiết kiệm và cho phép xoay trơn tru
Lõi bánh xe bằng polypropylene chống va đập, bề mặt bánh xe bằng nhựa nhiệt dẻo đàn hồi (TPR)
Vòng bi bánh xe màu đen - vòng bi chính xác