Bảng dữ liệu sản phẩm
1160 Series — SERIES UNI
  PPR Bánh xe (đen) Đường kính bánh xe × Chiều rộng bánh xe 80 x 24mm
  EAN
      KS-11602300265143
         
Bánh xe điều chỉnh được, ren M10x20
Bánh xe màu trắng với lớp gia cố polyamide
Chống gỉ, chống ăn mòn, thẩm mỹ, tiết kiệm và cho phép xoay trơn tru
Lõi bánh xe bằng polypropylene chống va đập, bề mặt bánh xe bằng nhựa nhiệt dẻo đàn hồi (TPR)
Bánh xe ống giữa màu đen
  Bề mặt bánh xe: Cao su nhiệt dẻo đàn hồi (TPR)
  Lõi bánh xe: Được làm bằng polypropylen chống va đập chất lượng cao

    Mô tả sản phẩm chỉ mang tính chất tham khảo. Sản phẩm thực tế sẽ được ưu tiên.



     
      đơn vị mét đế quốc
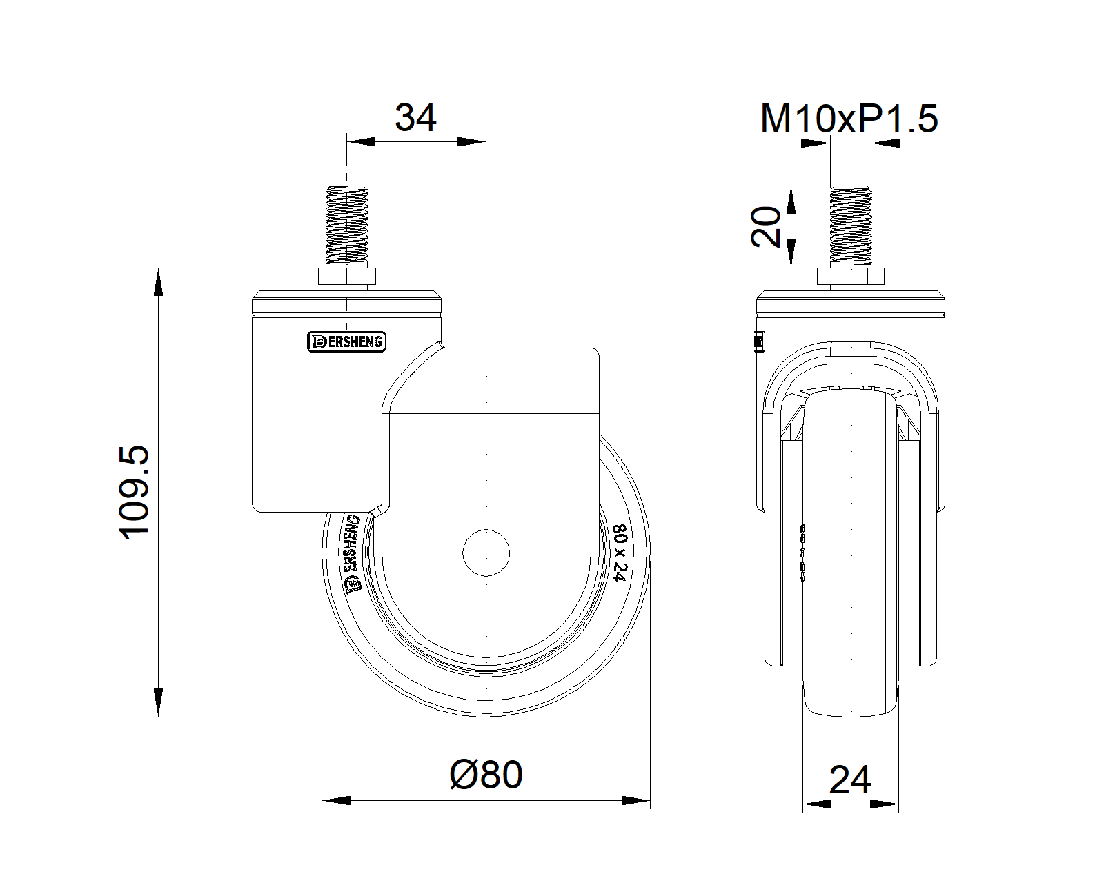
  Đường kính bánh xe 80mm 

  Chiều rộng bánh xe 24mm 
  vòng bi bánh xe Bánh xe đi kèm với ống giữa
  Thông số kỹ thuật của ren M10
  độ dài ren 20mm
  Độ lệch tâm 34mm 
  Sự can thiệp quay 149mm 
  Tổng chiều cao 109.5mm 
  Bán kính xoay 74.5mm 
  Độ cứng 82±5° Shore A 
  Tải trọng (động) 40kgs 


  Độ di chuyển mượt mà 
    ● ● ● ● ○

  Chế độ im lặng        ● ● ● ● ○

  Bảo vệ mặt sàn       ● ● ● ● ●

  Tải trọng (tĩnh) 60kgs 
  Nhiệt độ -20°C to +60°C 
  Càng bánh xe Xoay 
  Thép không gỉ N/A
  Dẫn điện N/A 
  Chống tĩnh điện N/A 
  Trọng lượng bánh xe đẩy 0.24kgs 
  Tiêu chuẩn kiểm nghiệm ISO22881
  
  
  © Bản quyền thuộc về 2026 DershengInternational www.dersheng.com
Sản phẩm liên quan
1160 Series — SERIES UNI
Bánh xe PPR (Đen đen) Đường kính bánh×Chiều rộng bánh 80×24mm
KS-11602300266143
80 mm 40 Kgs 109.5 mm

Bánh xe hệ thống khóa phanh đơn, ren M10x20
Chân màu trắng làm bằng polyamide gia cố, lắp ren
Chống gỉ, chống ăn mòn, thẩm mỹ, tiết kiệm và cho phép xoay trơn tru
Lõi bánh xe bằng polypropylene chống va đập, bề mặt bánh xe bằng nhựa nhiệt dẻo đàn hồi (TPR)
Bánh xe màu đen, loại ống tâm