Bảng dữ liệu sản phẩm
1160 Series — SERIES UNI
  PPR Bánh xe (đen) Đường kính bánh xe × Chiều rộng bánh xe 80 x 24mm
  EAN
      KS-11602300262033
         
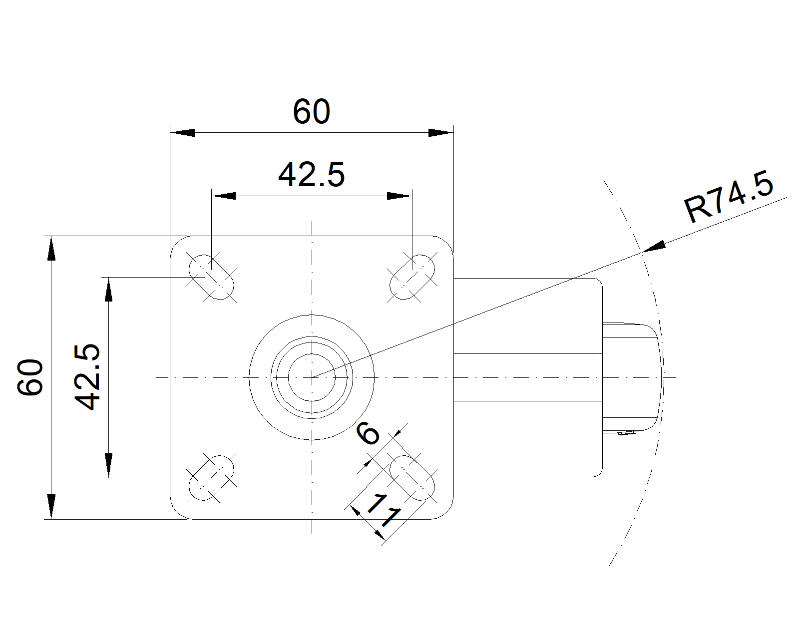
Bánh xe điều chỉnh được, đế lỗ góc 42,5x42,5mm
Chân màu trắng làm bằng vật liệu gia cố polyamide
Chống gỉ, chống ăn mòn, xoay linh hoạt, phù hợp với xe đẩy cỡ nhỏ và trung bình
Lõi bánh xe bằng polypropylene chống va đập, bề mặt bánh xe bằng nhựa nhiệt dẻo đàn hồi (TPR)
Vòng bi bánh xe màu đen - vòng bi chính xác
  Bề mặt bánh xe: Cao su nhiệt dẻo đàn hồi (TPR)
  Lõi bánh xe: Được làm bằng polypropylen chống va đập chất lượng cao

    Mô tả sản phẩm chỉ mang tính chất tham khảo. Sản phẩm thực tế sẽ được ưu tiên.



     
      đơn vị mét đế quốc
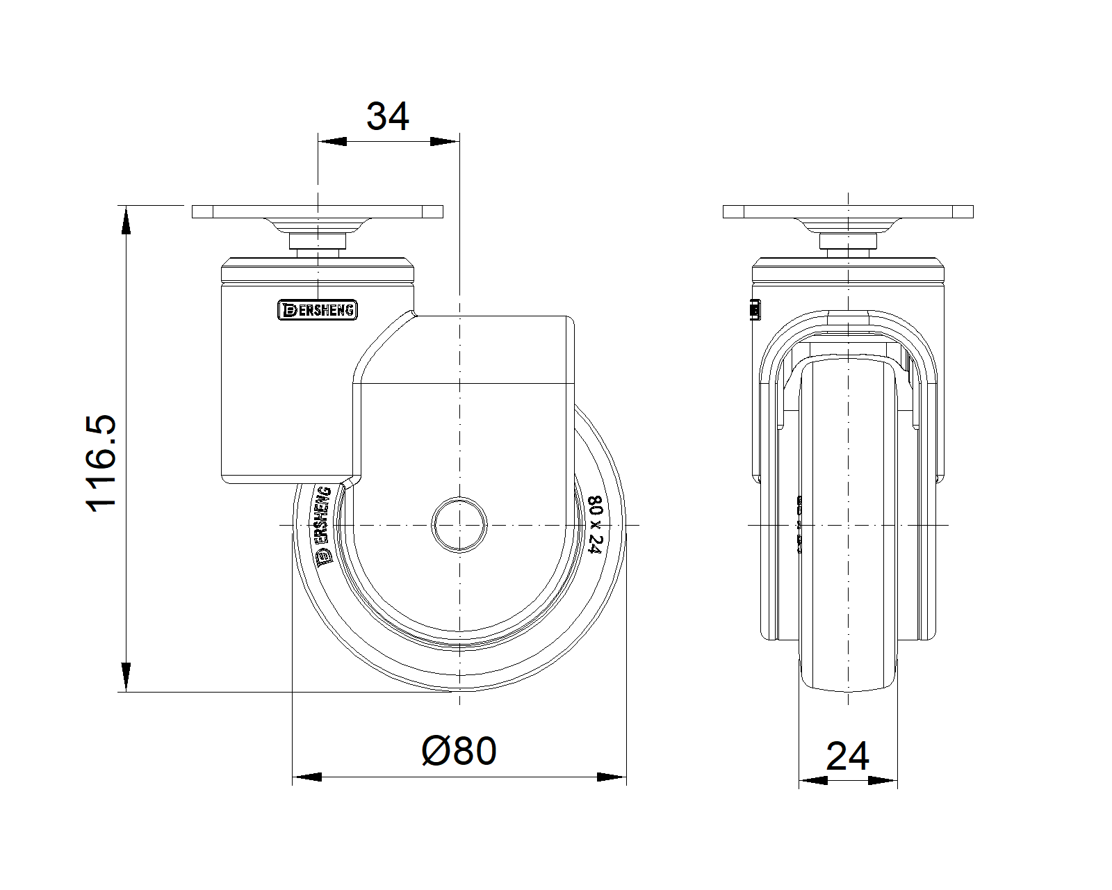
  Đường kính bánh xe 80mm 

  Chiều rộng bánh xe 24mm 
  vòng bi bánh xe Bánh xe đi kèm với ống giữa
  Quy cách tấm lắp 60 x 60mm 
  khoảng cách các lỗ trên tấm nền 42.5x42.5mm 
  Khoảng cách các lỗ lắp 11 x 6mm 
  Độ lệch tâm 34mm 
  Sự can thiệp quay 149mm 
  Tổng chiều cao 116.5mm 
  Bán kính xoay 74.5mm 
  Độ cứng 82±5° Shore A 
  Tải trọng (động) 40kgs 


  Độ di chuyển mượt mà 
    ● ● ● ● ○

  Chế độ im lặng        ● ● ● ● ○

  Bảo vệ mặt sàn       ● ● ● ● ●

  Tải trọng (tĩnh) 60kgs 
  Nhiệt độ -20°C to +60°C 
  Càng bánh xe Xoay 
  Thép không gỉ N/A
  Dẫn điện N/A 
  Chống tĩnh điện N/A 
  Trọng lượng bánh xe đẩy 0.35kgs 
  Tiêu chuẩn kiểm nghiệm ISO22881
  
  
  © Bản quyền thuộc về 2026 DershengInternational www.dersheng.com
Sản phẩm liên quan
1160 Series — SERIES UNI
Bánh xe PPR (Đen đen) Đường kính bánh×Chiều rộng bánh 80×24mm
KS-11602300264033
80 mm 40 Kgs 116.5 mm

Bánh xe hệ thống khóa phanh đơn, đế lỗ góc 42,5x42,5mm
Chân màu trắng gia cố bằng polyamide, lắp đế
Chống gỉ, chống ăn mòn, thẩm mỹ, tiết kiệm và cho phép xoay trơn tru
Lõi bánh xe bằng polypropylen chống va đập, bề mặt bánh xe bằng nhựa nhiệt dẻo đàn hồi (TPR)
Bánh xe màu đen, loại ống tâm