|   | Bảng dữ liệu sản phẩm |   |   |   | ||
| 1160 Series — SERIES UNI |   |   | ||||
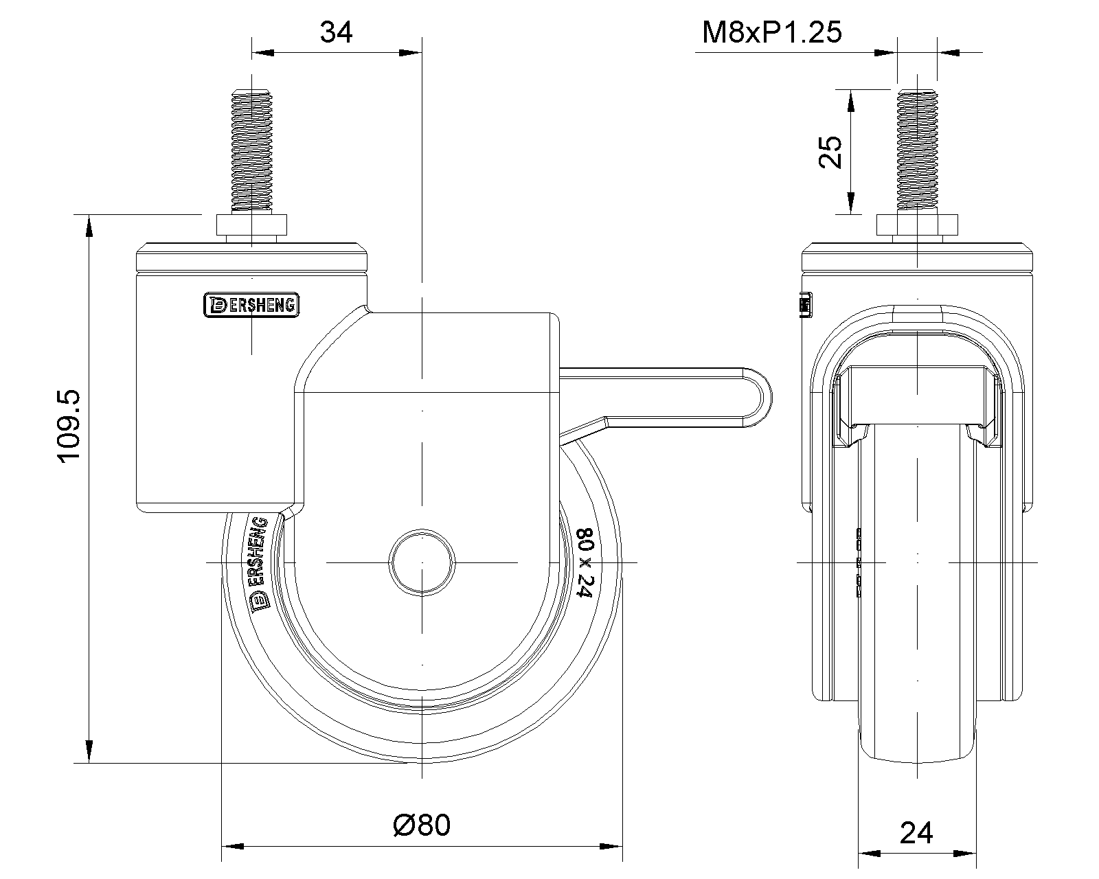
| PPR Bánh xe (đen) Đường kính bánh xe × Chiều rộng bánh xe 80 x 24mm |   |   | ||||
| EAN |   | |||||
| KS-11602300266073 |   | |||||
|   |   | |||||
| Bánh xe khóa đơn, phanh đơn, ren M8x25. Khung màu trắng với lớp gia cố polyamide. Chống gỉ, chống ăn mòn, thẩm mỹ, tiết kiệm và linh hoạt. Lõi bánh xe bằng polypropylen chống va đập với gai lốp bằng chất liệu đàn hồi nhiệt dẻo (TPR). Bánh xe ống giữa màu đen. |   | |||||
|   |   | |||||
| Bề mặt bánh xe: Cao su nhiệt dẻo đàn hồi (TPR) Lõi bánh xe: Được làm bằng polypropylen chống va đập chất lượng cao Mô tả sản phẩm chỉ mang tính chất tham khảo. Sản phẩm thực tế sẽ được ưu tiên. |   | |||||
|   |   | |||||
|   đơn vị mét đế quốc 
				  Đường kính bánh xe
			
								
												
                 				
			
															    80mm 
								
				 
				  Chiều rộng bánh xe
				
								
								
																			    24mm 
								 |   |   | ||||
| 
				  vòng bi bánh xe
								
								
																			    Bánh xe đi kèm với ống giữa
								 
				  Thông số kỹ thuật của ren
								                
												
               																															    M8 
												
				 
					  độ dài ren
										
															
													
				
																	
																
				
				
																25mm
								
								 
					  Độ lệch tâm
																									
																					34mm 
								 
					  Sự can thiệp quay
																									
																					210mm 
								 
					  Tổng chiều cao
																									
					                                                  				109.5mm 
								
				 
					  Bán kính xoay
																																													105mm 
										 
					  Độ cứng
																																													82±5° Shore A 
										 
					  Tải trọng (động)
																																													40kgs 
										 | Độ di chuyển mượt mà ● ● ● ● ○ Chế độ im lặng ● ● ● ● ○ Bảo vệ mặt sàn ● ● ● ● ● | |||||
| 
					  Tải trọng (tĩnh)
																									
										 					 					 					60kgs 
				     					 
					  
					  Nhiệt độ
																																													-20°C to +60°C 
				    				 
					  Càng bánh xe
																																										Khóa đơn
								 |   | |||||
| 
					  Thép không gỉ
																									
				    				    				    				    					N/A
				    					 
					  Dẫn điện
																									
																									N/A 
				    					 
				  Chống tĩnh điện	
																								N/A 
				    					 
					  Trọng lượng bánh xe đẩy
																																													0.28kgs 
										
					 
					  Tiêu chuẩn kiểm nghiệm
																																										ISO22883
								 |   |   | ||||
|   |   | |||||
|   |   | |||||
|   |   | |||||
|   |   | |||||
| © Bản quyền thuộc về 2025 DershengInternational www.dersheng.com | ||||||
 
			
			
			 80 mm
						80 mm					
					
						 40 Kgs
						40 Kgs					
					
						 109.5 mm
						109.5 mm