|   | Bảng dữ liệu sản phẩm |   |   |   | ||
| 1161 Series — BÁNH XE ĐẨY KHÓA TỰ ĐỘNG |   |   | ||||
| Điều khiển dây Double Ball Full Effect Wheel Sheet (trắng đen xám) Đường kính bánh xe × Chiều rộng b |   |   | ||||
| EAN |   | |||||
| KS-11610300454013 |   | |||||
|   |   | |||||
| Bánh xe có phanh kép và hệ thống khóa, đế lỗ góc 42,5 x 42,5 Khung đế màu trắng với lớp gia cố polyamide Chống gỉ, chống ăn mòn, thẩm mỹ, tiết kiệm và linh hoạt Lõi bánh xe bằng polypropylen chống va đập với gai nhựa nhiệt dẻo đàn hồi (TPR) Vòng bi bánh xe màu trắng xám đậm—vòng bi chính xác |   | |||||
|   |   | |||||
| Bề mặt bánh xe: Cao su nhiệt dẻo đàn hồi (TPR) Lõi bánh xe: Được làm bằng polypropylen chống va đập chất lượng cao Mô tả sản phẩm chỉ mang tính chất tham khảo. Sản phẩm thực tế sẽ được ưu tiên. |   | |||||
|   |   | |||||
|   đơn vị mét đế quốc 
				  Đường kính bánh xe
			
								
												
                 				
			
															    75mm 
								
				 
				  Chiều rộng bánh xe
				
								
								
																			    60mm 
								 |   |   | ||||
| 
				  vòng bi bánh xe
								
								
																			    Bánh xe trang bị vòng bi bi
								 
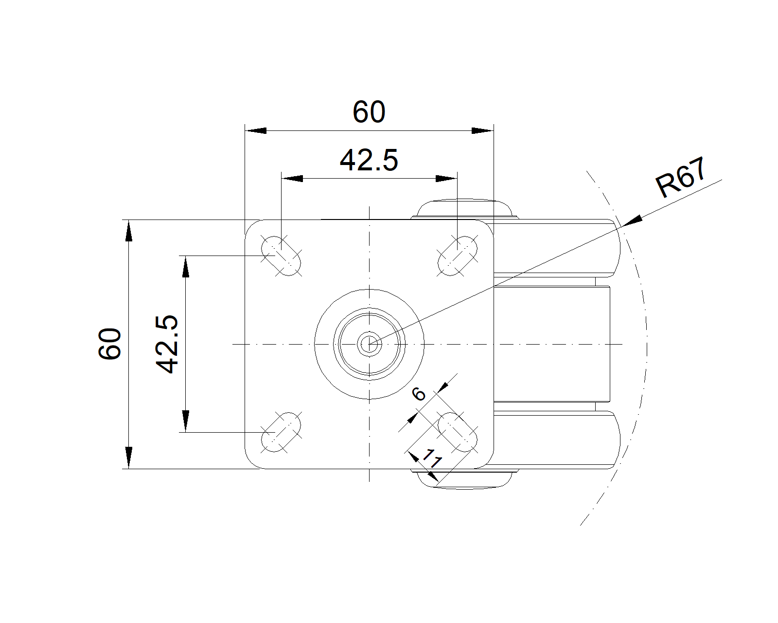
				  Quy cách tấm lắp
								                
												
               																																			    60 x 60mm  
								
				 
					  khoảng cách các lỗ trên tấm nền
										
															
													
				
																	
																
				
				
																
								42.5x42.5mm 
								 
					  Khoảng cách các lỗ lắp
																									
									   				   				   					11 x 6mm 
				   				    
					  Độ lệch tâm
																									
																					23mm 
								 
					  Sự can thiệp quay
																									
																					134mm 
								 
					  Tổng chiều cao
																									
					                                                  				90.5mm 
								
				 
					  Bán kính xoay
																																													67mm 
										 
					  Độ cứng
																																													72±5° Shore A 
										 
					  Tải trọng (động)
																																													90kgs 
										 | Độ di chuyển mượt mà ● ● ● ● ● Chế độ im lặng ● ● ● ● ● Bảo vệ mặt sàn ● ● ● ● ● | |||||
| 
					  Tải trọng (tĩnh)
																									
										 					 					 					135kgs 
				     					 
					  
					  Nhiệt độ
																																													-20°C to +60°C 
				    				 
					  Càng bánh xe
																																										Khóa đôi
								 |   | |||||
| 
					  Thép không gỉ
																									
				    				    				    				    					N/A
				    					 
					  Dẫn điện
																									
																									N/A 
				    					 
				  Chống tĩnh điện	
																								N/A 
				    					 
					  Trọng lượng bánh xe đẩy
																																													0.45kgs 
										
					 
					  Tiêu chuẩn kiểm nghiệm
																																										ISO22881
								 |   |   | ||||
|   |   | |||||
|   |   | |||||
|   |   | |||||
|   |   | |||||
| © Bản quyền thuộc về 2025 DershengInternational www.dersheng.com | ||||||
 
			
			
			 75 mm
						75 mm					
					
						 90 Kgs
						90 Kgs					
					
						 90.5 mm
						90.5 mm					
				 
			
			
			 75 mm
						75 mm					
					
						 90 Kgs
						90 Kgs					
					
						 90.5 mm
						90.5 mm					
				 
			
			
			 75 mm
						75 mm					
					
						 90 Kgs
						90 Kgs					
					
						 90.5 mm
						90.5 mm