产品数据表
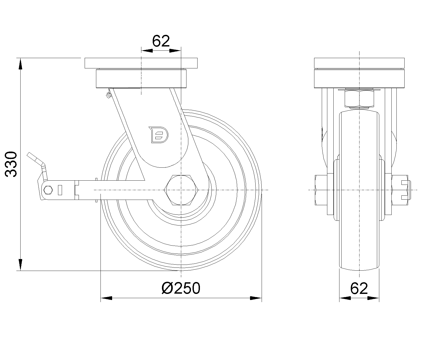
1162 大象脚轮系列(单轮)
  VXPU轮(酒红弧)轮径×轮宽 250 x 62mm
  EAN
      KS-11621000694011
         
后煞式脚轮,焊接钢板架
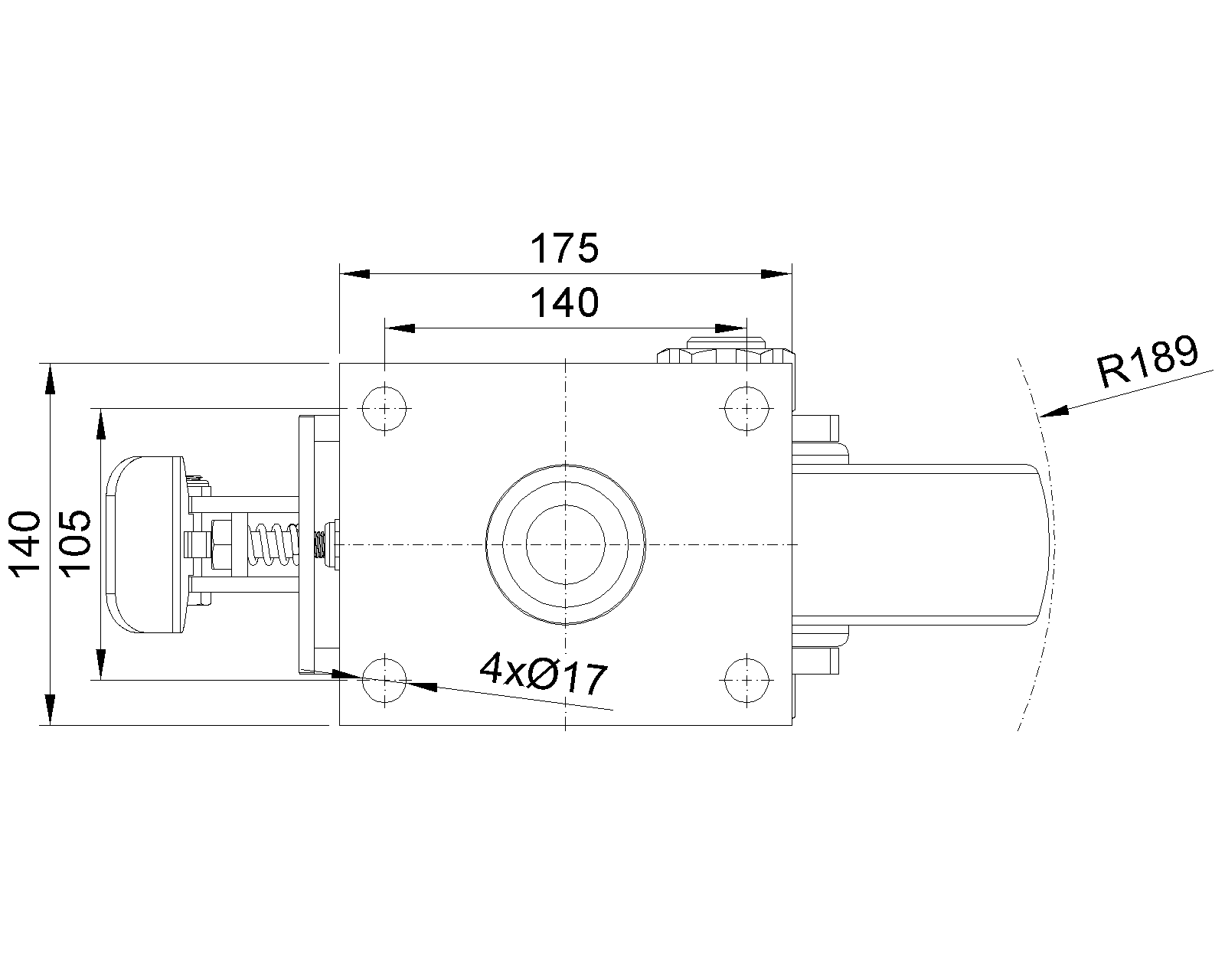
表面蓝漆,底板式安装装置,孔距140x105
铸铁制轮芯,高质量聚氨酯轮面,酒红色
轮子轴承—精密滚珠
  轮面:高品质聚氨酯制成
  轮芯:铁芯/铸铁芯

    产品说明仅供参考一切以实体产品为主



     
      公制 英制
  轮径 250mm 

  轮宽 62mm 
  轮子轴承 搭配滚珠轴承的轮子 
  底板规格 175 x 140mm 
  底板孔距 140x105mm   
  底板孔径 17mm 
  偏心距 62mm 
  旋转干涉 378mm 
  总高 330mm 
  旋转半径 189mm 
  硬度 93±5° Shore A 
  荷重(动态) 1600kgs 


  滚动顺畅
      ● ● ● ○ ○

  静音表现      ● ● ● ● ○

  保护地板      ● ● ● ● ○

  荷重(静态) 2400kgs 
  温度 -20°C to +70°C 
  脚架样式 后煞
  不锈钢
  导电 否 
  抗静电 否 
  脚轮重量 23.72kgs 
  测试标准 ISO22883
  
  
  © 版权所有 2026 得貹上好轮 www.dersheng.com
关  联  产  品
1162 大象脚轮系列(单轮)
VXPU 轮 (酒红弧) 轮径 × 轮宽 250×62mm
KS-11621000692011
250 mm 1600 Kgs 330 mm
活动式脚轮,焊接钢板架,表面蓝漆
底板式安装装置,孔距140x105
铸铁制轮芯,高品质聚氨酯轮面,铣酒红色
轮子轴承—斜珠轴承
1162 大象脚轮系列(单轮)
VXPU 轮 (酒红弧) 轮径 × 轮宽 250×62mm
KS-11621000691011
250 mm 1600 Kgs 330 mm
固定式脚轮,焊接钢板架,表面蓝漆
底板式安装装置,孔距140x105
铸铁制轮芯,高品质聚氨酯轮面,铣酒红色
轮子轴承—斜珠轴承