产品资料表
1162 大象脚轮系列(单轮)
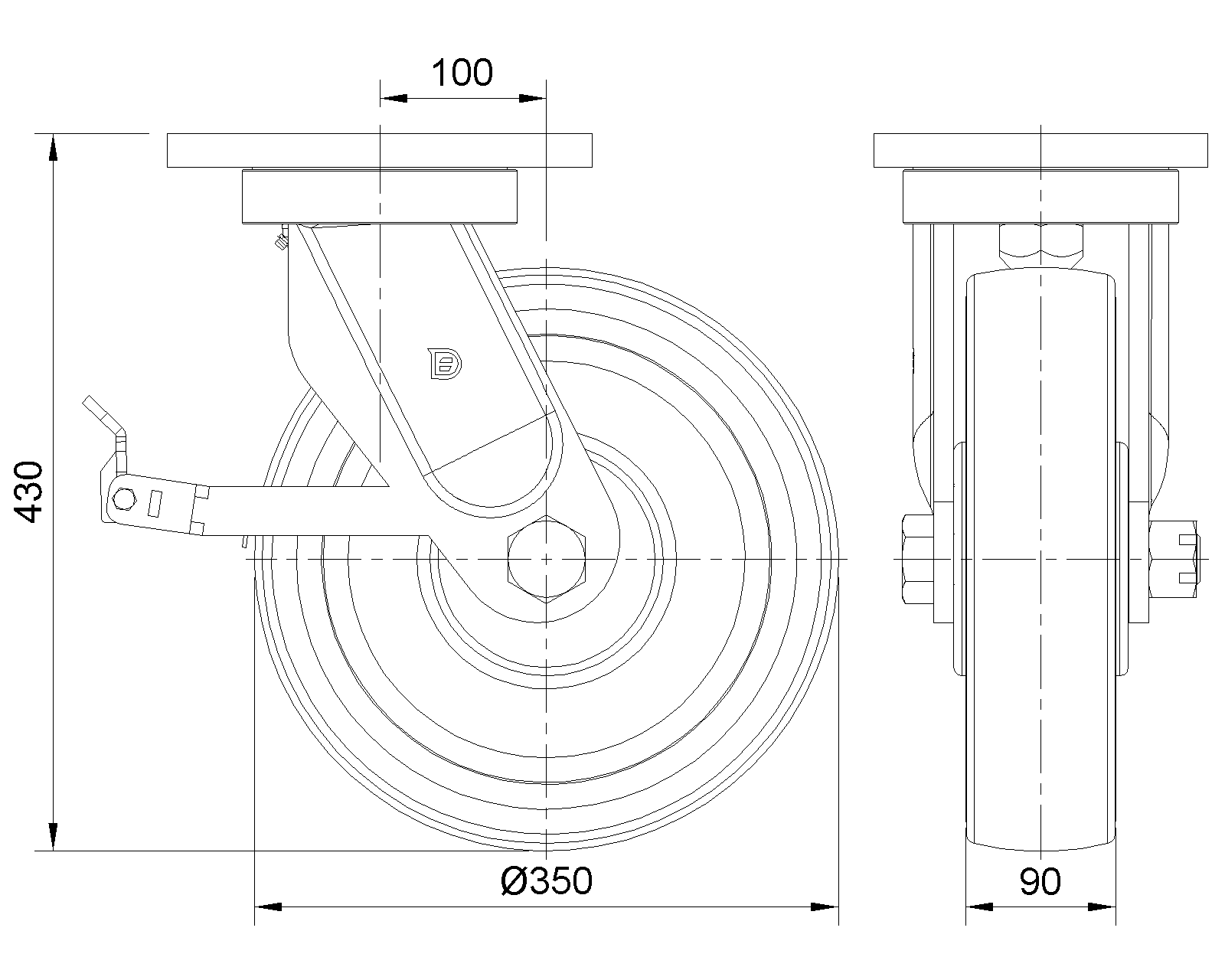
  VXPU轮(酒红弧) 轮径×轮宽 350x 90mm
  EAN
      KS-11621400694111
         
后煞式脚轮,焊接钢板架,表面蓝漆
底板式安装装置,孔距210x160
铸铁制轮芯,高品质聚氨酯轮面,铣酒红色
轮子轴承—斜珠轴承
  轮面:高品质聚氨酯制成
  轮芯:铁芯/铸铁芯

    产品说明仅供参考一切以实体产品为主



     
      公制 英制
  轮径 350mm 

  轮宽 90mm 
  轮子轴承 搭配滚珠轴承的轮子 
  底板规格 255 x 200mm 
  底板孔距 210 x 160mm   
  底板孔径 21mm 
  偏心距 100mm 
  旋转干涉 556mm 
  总高 430mm 
  旋转半径 278mm 
  硬度 93±5° Shore A 
  荷重(动态) 3200kgs 


  滚动顺畅
      ● ● ● ○ ○

  静音表现      ● ● ● ● ○

  保护地板      ● ● ● ● ○

  荷重(静态) 4800kgs 
  温度 -20°C to +70°C 
  脚架样式 后煞
  不锈钢
  导电 否 
  抗静电 否 
  脚轮重量 45.27kgs 
  测试标准 ISO22883
  
  
  © 版权所有 2026 得貹上好轮 www.dersheng.com
关  联  产  品
1162 大象脚轮系列(单轮)
VXPU 轮 (酒红弧) 轮径 × 轮宽 350×90mm
KS-11621400692111
350 mm 3200 Kgs 430 mm
活动式脚轮,焊接钢板架,表面蓝漆
底板式安装装置,孔距210x160
铸铁制轮芯,高品质聚氨酯轮面,铣酒红色
轮子轴承—斜珠轴承
1162 大象脚轮系列(单轮)
VXPU 轮 (酒红弧) 轮径 × 轮宽 350×90mm
KS-11621400691111
350 mm 3200 Kgs 430 mm
固定式脚轮,焊接钢板架,表面蓝漆
底板式安装装置,孔距210x160
铸铁制轮芯,高品质聚氨酯轮面,铣酒红色
轮子轴承—斜珠轴承