Tờ thông tin sản phẩm
1162 Series — BÁNH XE SIÊU TẢI (Một bánh)
  Bánh xe VQPU (hồ quang nâu) Đường kính bánh xe × Chiều rộng bánh xe 200 x 50mm
  EAN
      KS-11620800542011
         
Bánh xe di động, khung thép hàn, sơn màu xanh dương.
Thiết bị gắn đế, khoảng cách lỗ 140x105mm.
Lõi bánh xe bằng gang, bề mặt bánh xe bằng polyurethane chất lượng cao, màu nâu phay.
Vòng bi bánh xe—vòng bi cầu xiên.
  Bề mặt bánh xe: Được làm từ polyurethane chất lượng cao.
  Lõi bánh xe: Lõi sắt / Lõi gang

    Mô tả sản phẩm chỉ mang tính chất tham khảo. Sản phẩm thực tế sẽ được ưu tiên.



     
      đơn vị mét đế quốc
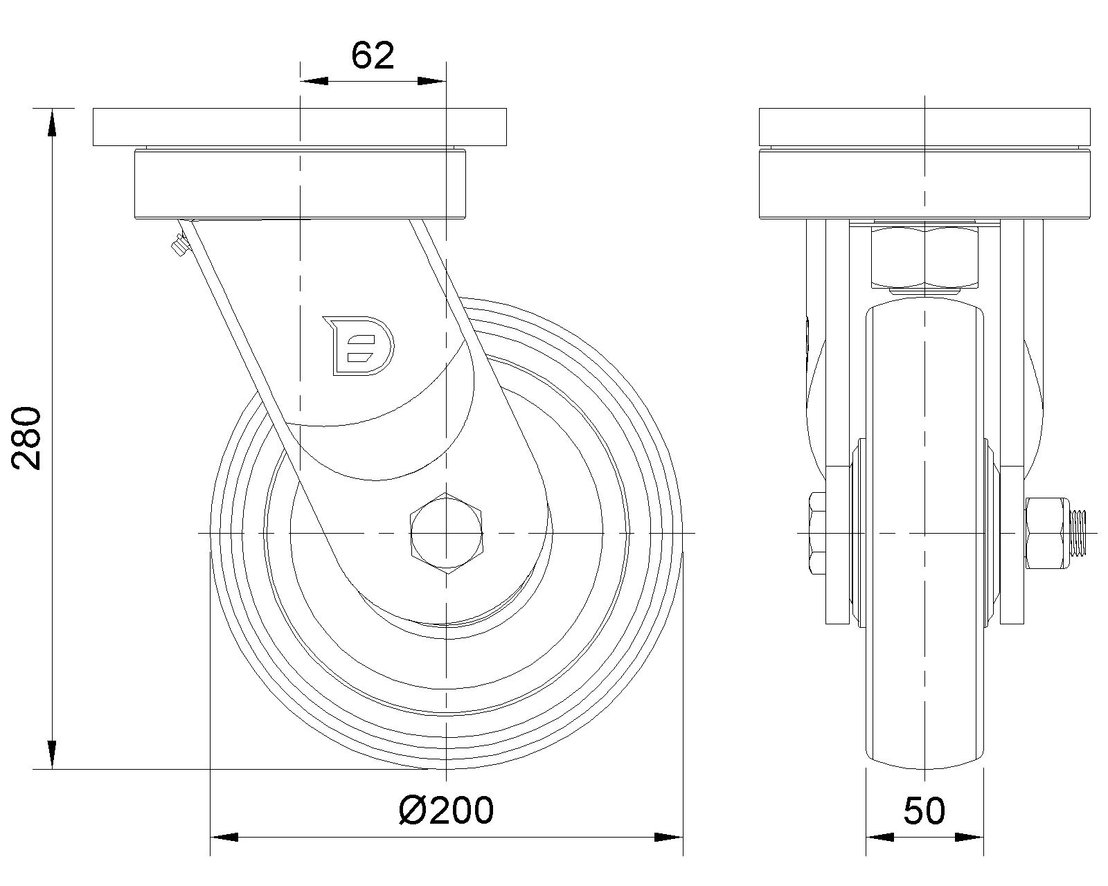
  Đường kính bánh xe 200mm 

  Chiều rộng bánh xe 50mm 
  vòng bi bánh xe Bánh xe trang bị vòng bi cầu góc
  Quy cách tấm lắp 175 x 140mm 
  khoảng cách các lỗ trên tấm nền 140x105mm 
  Khoảng cách các lỗ lắp 17mm 
  Độ lệch tâm 62mm 
  Sự can thiệp quay 326mm 
  Tổng chiều cao 280mm 
  Bán kính xoay 163mm 
  Độ cứng 92±5° Shore A 
  Tải trọng (động) 1000kgs 


  Độ di chuyển mượt mà 
    ● ● ● ● ●

  Chế độ im lặng        ● ● ● ● ●

  Bảo vệ mặt sàn       ● ● ● ● ●

  Tải trọng (tĩnh) 1500kgs 
  Nhiệt độ -20°C to +70°C 
  Càng bánh xe Xoay 
  Thép không gỉ N/A
  Dẫn điện N/A 
  Chống tĩnh điện N/A 
  Trọng lượng bánh xe đẩy 14.52kgs 
  Tiêu chuẩn kiểm nghiệm ISO22883
  
  
  © Bản quyền thuộc về 2026 DershengInternational www.dersheng.com
Sản phẩm liên quan
1162 Series — BÁNH XE SIÊU TẢI (Một bánh)
Bánh xe VQPU (hồ quang nâu) Đường kính bánh xe × Chiều rộng bánh xe 200 x 50mm
KS-11620800541011
200 mm 1000 Kgs 280 mm
Bánh xe cố định, khung thép hàn, sơn màu xanh dương.
Thiết bị gắn đế, khoảng cách lỗ 140x105mm.
Lõi bánh xe bằng gang, bề mặt bánh xe bằng polyurethane chất lượng cao, màu nâu phay.
Vòng bi bánh xe—vòng bi cầu xiên.
1162 Series — BÁNH XE SIÊU TẢI (Một bánh)
Bánh xe VQPU (hồ quang nâu) Đường kính bánh xe × Chiều rộng bánh xe 200 x 50mm
KS-11620800544011
200 mm 1000 Kgs 280 mm
Bánh xe có phanh sau, khung thép hàn, sơn màu xanh dương.
Thiết bị lắp đặt tấm đế, khoảng cách lỗ 140x105mm.
Lõi bánh xe bằng gang, bề mặt bánh xe bằng polyurethane chất lượng cao, màu nâu phay.
Vòng bi bánh xe—vòng bi cầu xiên.