|   | Bảng dữ liệu sản phẩm |   |   |   | ||
| 1162 Series — BÁNH XE SIÊU TẢI (Hai bánh) |   |   | ||||
| MC Bánh xe nylon (màu trắng gạo) Đường kính bánh xe × Chiều rộng bánh xe 350 x 95mm |   |   | ||||
| EAN |   | |||||
| KS-11621400072311 |   | |||||
|   |   | |||||
| Bánh xe xoay, khung thép hàn, sơn màu xanh Lắp đế, khoảng cách lỗ 210x160 Lõi bánh xe và gai bánh xe bằng nhựa nhiệt dẻo, màu trắng ngà Vòng bi bánh xe - vòng bi góc |   | |||||
|   |   | |||||
| Bề mặt bánh xe: Nhựa nhiệt dẻo Lõi bánh xe: Nhựa nhiệt dẻo Mô tả sản phẩm chỉ mang tính chất tham khảo. Sản phẩm thực tế sẽ được ưu tiên. |   | |||||
|   |   | |||||
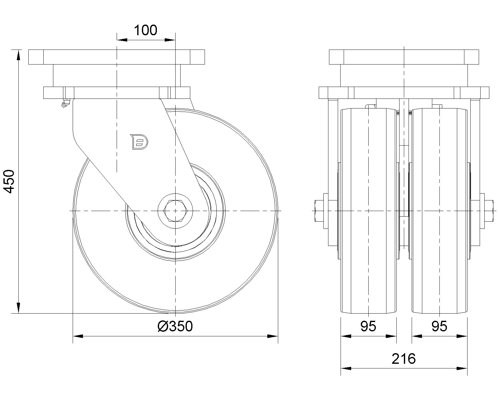
|   đơn vị mét đế quốc 
				  Đường kính bánh xe
			
								
												
                 				
			
															    350mm 
								
				 
				  Chiều rộng bánh xe
				
								
								
																			    216mm 
								 |   |   | ||||
| 
				  vòng bi bánh xe
								
								
																			    Bánh xe trang bị vòng bi bi
								 
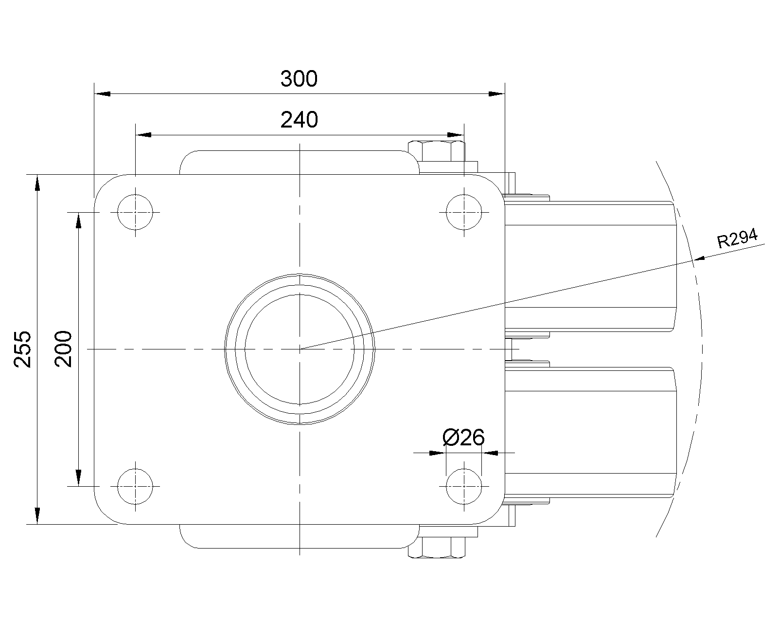
				  Quy cách tấm lắp
								                
												
               																																			    300 x 255mm  
								
				 
					  khoảng cách các lỗ trên tấm nền
										
															
													
				
																	
																
				
				
																
								240x 200mm 
								 
					  Khoảng cách các lỗ lắp
																									
									   				   				   					26mm 
				   				    
					  Độ lệch tâm
																									
																					100mm 
								 
					  Sự can thiệp quay
																									
																					588mm 
								 
					  Tổng chiều cao
																									
					                                                  				450mm 
								
				 
					  Bán kính xoay
																																													294mm 
										 
					  Độ cứng
																																													82±5° Shore D 
										 
					  Tải trọng (động)
																																													5940kgs 
										 | Độ di chuyển mượt mà ● ● ● ● ● Chế độ im lặng ● ● ○ ○ ○ Bảo vệ mặt sàn ● ● ○ ○ ○ | |||||
| 
					  Tải trọng (tĩnh)
																									
										 					 					 					8910kgs 
				     					 
					  
					  Nhiệt độ
																																													-25°C to +80°C 
				    				 
					  Càng bánh xe
																																										Xoay 
								 |   | |||||
| 
					  Thép không gỉ
																									
				    				    				    				    					N/A
				    					 
					  Dẫn điện
																									
																									N/A 
				    					 
				  Chống tĩnh điện	
																								N/A 
				    					 
					  Trọng lượng bánh xe đẩy
																																													76.29kgs 
										
					 
					  Tiêu chuẩn kiểm nghiệm
																																										ISO22883
								 |   |   | ||||
|   |   | |||||
|   |   | |||||
|   |   | |||||
|   |   | |||||
| © Bản quyền thuộc về 2025 DershengInternational www.dersheng.com | ||||||
 
			
			
			 350 mm
						350 mm					
					
						 18000 Kgs
						18000 Kgs					
					
						 450 mm
						450 mm					
				 
			
			
			 350 mm
						350 mm					
					
						 5940 Kgs
						5940 Kgs					
					
						 450 mm
						450 mm