Bảng dữ liệu sản phẩm
1162 Series — BÁNH XE SIÊU TẢI (Một bánh)
  MC Bánh xe nylon (màu trắng gạo) Đường kính bánh xe × Chiều rộng bánh xe 150 x 50mm
  EAN
      KS-11620600074311
         
Bánh xe hai dãy phanh trực tiếp, khung thép hàn, sơn phủ màu xanh
Lắp đế, khoảng cách lỗ 140x105
Lõi gang, gai polyurethane chất lượng cao, sơn phủ màu trắng ngà
Vòng bi bánh xe—vòng bi cầu chính xác
  Bề mặt bánh xe: Được làm bằng polyurethane chất lượng cao
  Lõi bánh xe: lõi sắt/lõi gang

    Mô tả sản phẩm chỉ mang tính chất tham khảo. Sản phẩm thực tế sẽ được ưu tiên.



     
      đơn vị mét đế quốc
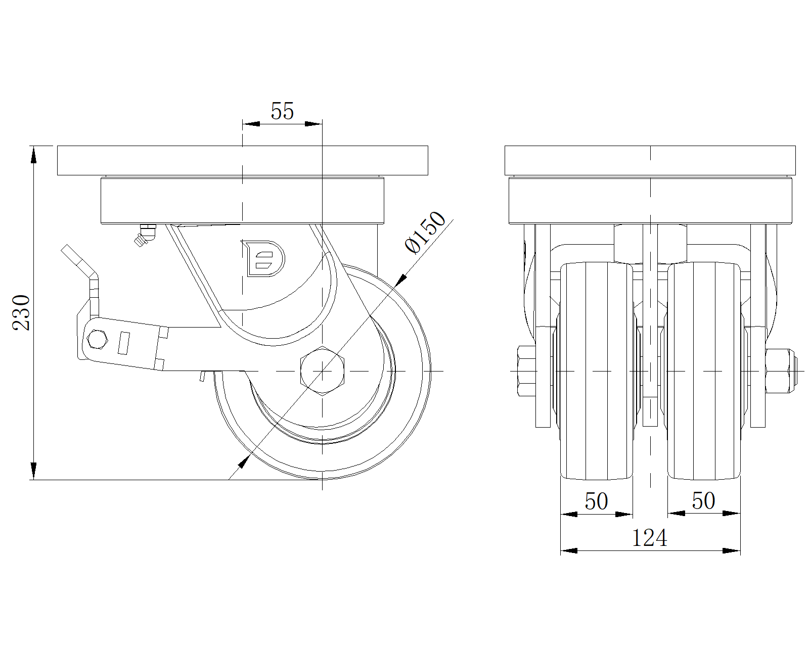
  Đường kính bánh xe 150mm 

  Chiều rộng bánh xe 50mm 
  vòng bi bánh xe Bánh xe trang bị vòng bi bi
  Quy cách tấm lắp 255 x 200mm 
  khoảng cách các lỗ trên tấm nền 210 x 160mm 
  Khoảng cách các lỗ lắp 21mm 
  Độ lệch tâm 55mm 
  Sự can thiệp quay 286mm 
  Tổng chiều cao 230mm 
  Bán kính xoay 143mm 
  Độ cứng 82±5° Shore D 
  Tải trọng (động) 1350kgs 


  Độ di chuyển mượt mà 
    ● ● ● ● ●

  Chế độ im lặng        ● ● ○ ○ ○

  Bảo vệ mặt sàn       ● ● ○ ○ ○

  Tải trọng (tĩnh) 2025kgs 
  Nhiệt độ -25°C to +80°C 
  Càng bánh xe Khóa sau
  Thép không gỉ N/A
  Dẫn điện N/A 
  Chống tĩnh điện N/A 
  Trọng lượng bánh xe đẩy 22.60kgs 
  Tiêu chuẩn kiểm nghiệm ISO22883
  
  
  © Bản quyền thuộc về 2025 DershengInternational www.dersheng.com
關  聯  產  品
1162 Series — BÁNH XE SIÊU TẢI (Hai bánh)
MC Bánh xe nylon (màu trắng gạo) Đường kính bánh xe × Chiều rộng bánh xe 150 x 50mm
KS-11620600072311
150 mm 1350 Kgs 230 mm
Bánh xe xoay, khung thép hàn, sơn màu xanh
Lắp đế, khoảng cách lỗ 210x160
Lõi bánh xe và gai bánh xe bằng nhựa nhiệt dẻo, màu trắng ngà
Vòng bi bánh xe - vòng bi góc
1162 Series — BÁNH XE SIÊU TẢI (Hai bánh)
MC Bánh xe nylon (màu trắng gạo) Đường kính bánh xe × Chiều rộng bánh xe 150 x 50mm
KS-11620600071311
150 mm 1350 Kgs 230 mm
Bánh xe cố định, khung thép hàn, sơn phủ màu xanh
Lắp đế, khoảng cách lỗ 210x160
Lõi bánh xe và gai bánh xe bằng nhựa nhiệt dẻo, màu trắng ngà
Vòng bi bánh xe – vòng bi góc