Tờ thông tin sản phẩm
1162 Series — BÁNH XE SIÊU TẢI (Một bánh)
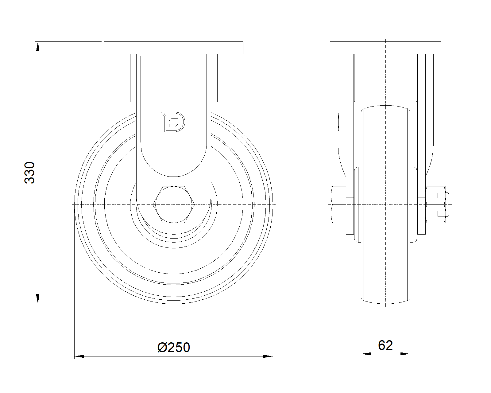
  Bánh xe VQPU (hồ quang nâu) Đường kính bánh xe × Chiều rộng bánh xe 250 x 62mm
  EAN
      KS-11621000541011
         
Bánh xe cố định, khung thép hàn, sơn màu xanh dương.
Thiết bị gắn đế, khoảng cách lỗ 140x105mm.
Lõi bánh xe bằng gang, bề mặt bánh xe bằng polyurethane chất lượng cao, màu nâu phay.
Vòng bi bánh xe—vòng bi cầu xiên.
  Bề mặt bánh xe: Được làm từ polyurethane chất lượng cao.
  Lõi bánh xe: Lõi sắt / Lõi gang

    Mô tả sản phẩm chỉ mang tính chất tham khảo. Sản phẩm thực tế sẽ được ưu tiên.



     
      đơn vị mét đế quốc
  Đường kính bánh xe 250mm 

  Chiều rộng bánh xe 62mm 
  vòng bi bánh xe Bánh xe trang bị vòng bi cầu góc
  Quy cách tấm lắp 175 x 140mm 
  khoảng cách các lỗ trên tấm nền 140x105mm 
  Khoảng cách các lỗ lắp 17mm 
  Tổng chiều cao 330mm 
  Độ cứng 92±5° Shore A 
  Tải trọng (động) 1600kgs 


  Độ di chuyển mượt mà 
    ● ● ● ● ●

  Chế độ im lặng        ● ● ● ● ●

  Bảo vệ mặt sàn       ● ● ● ● ●

  Tải trọng (tĩnh) 2400kgs 
  Nhiệt độ -20°C to +70°C 
  Càng bánh xe Cố định 
  Thép không gỉ N/A
  Dẫn điện N/A 
  Chống tĩnh điện N/A 
  Trọng lượng bánh xe đẩy 20.66kgs 
  Tiêu chuẩn kiểm nghiệm ISO22883
  
  
  © Bản quyền thuộc về 2026 DershengInternational www.dersheng.com
Sản phẩm liên quan
1162 Series — BÁNH XE SIÊU TẢI (Một bánh)
Bánh xe VQPU (hồ quang nâu) Đường kính bánh xe × Chiều rộng bánh xe 250 x 62mm
KS-11621000544011
250 mm 1600 Kgs 330 mm
Bánh xe phanh sau, khung thép hàn
Hoàn thiện sơn xanh, lắp đế, khoảng cách lỗ 140x105mm
Lõi bánh xe bằng gang, gai polyurethane chất lượng cao, màu nâu phay
Vòng bi bánh xe—vòng bi cầu chính xác
1162 Series — BÁNH XE SIÊU TẢI (Một bánh)
Bánh xe VQPU (hồ quang nâu) Đường kính bánh xe × Chiều rộng bánh xe 250 x 62mm
KS-11621000542011
250 mm 1600 Kgs 330 mm
Bánh xe di động, khung thép hàn, sơn màu xanh dương.
Thiết bị gắn đế, khoảng cách lỗ 140x105mm.
Lõi bánh xe bằng gang, bề mặt bánh xe bằng polyurethane chất lượng cao, màu nâu phay.
Vòng bi bánh xe—vòng bi cầu xiên.