Bảng dữ liệu sản phẩm
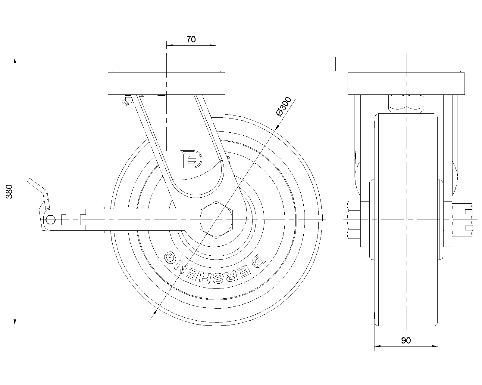
1162 Series — BÁNH XE SIÊU TẢI (Một bánh)
  VXPU Đường kính bánh xe × Chiều rộng bánh xe 300 x 90mm
  EAN
      KS-11621200694111
         
Bánh xe phanh sau, khung thép hàn, sơn phủ màu xanh
Lắp đế, khoảng cách lỗ 210x160
Lõi bánh xe bằng gang, gai polyurethane chất lượng cao, phay màu đỏ tía
Vòng bi bánh xe - vòng bi góc
  Mặt bánh xe: Được làm bằng polyurethane chất lượng cao
  Lõi bánh xe: lõi sắt/lõi gang

    Mô tả sản phẩm chỉ mang tính chất tham khảo. Sản phẩm thực tế sẽ được ưu tiên.



     
      đơn vị mét đế quốc
  Đường kính bánh xe 300mm 

  Chiều rộng bánh xe 90mm 
  vòng bi bánh xe Bánh xe trang bị vòng bi bi
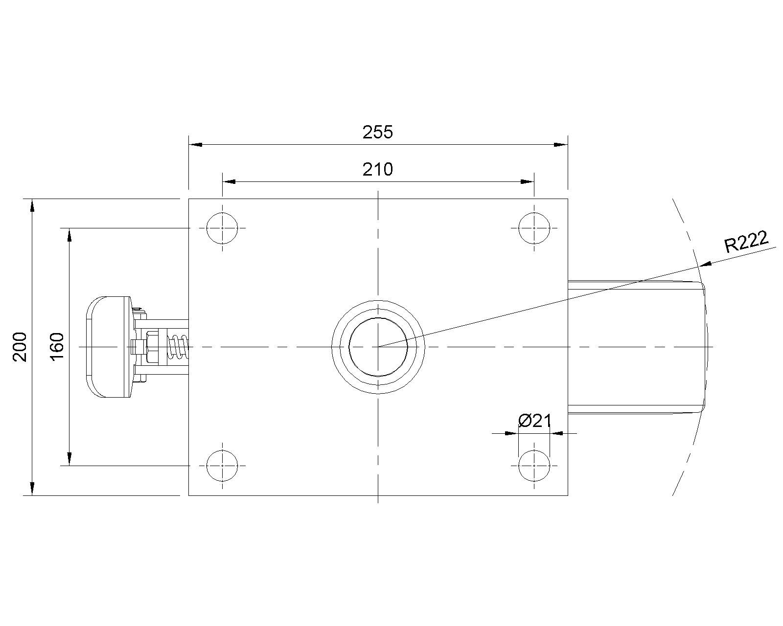
  Quy cách tấm lắp 255 x 200mm 
  khoảng cách các lỗ trên tấm nền 210 x 160mm 
  Khoảng cách các lỗ lắp 21mm 
  Độ lệch tâm 70mm 
  Sự can thiệp quay 444mm 
  Tổng chiều cao 380mm 
  Bán kính xoay 222mm 
  Độ cứng 93±5° Shore A 
  Tải trọng (động) 2700kgs 


  Độ di chuyển mượt mà 
    ● ● ● ○ ○

  Chế độ im lặng        ● ● ● ● ○

  Bảo vệ mặt sàn       ● ● ● ● ○

  Tải trọng (tĩnh) 4050kgs 
  Nhiệt độ -20°C to +70°C 
  Càng bánh xe Khóa sau
  Thép không gỉ N/A
  Dẫn điện N/A 
  Chống tĩnh điện N/A 
  Trọng lượng bánh xe đẩy 37.08kgs 
  Tiêu chuẩn kiểm nghiệm ISO22883
  
  
  © Bản quyền thuộc về 2026 DershengInternational www.dersheng.com
Sản phẩm liên quan
1162 Series — BÁNH XE SIÊU TẢI (Một bánh)
VXPU Đường kính bánh xe × Chiều rộng bánh xe 300 x 90mm
KS-11621200692111
300 mm 2700 Kgs 380 mm
Bánh xe xoay với khung thép hàn, sơn phủ màu xanh
Lắp đế, khoảng cách lỗ 210x160
Lõi bánh xe bằng gang, gai polyurethane chất lượng cao, phay màu đỏ tía
Vòng bi bánh xe: vòng bi góc
1162 Series — BÁNH XE SIÊU TẢI (Một bánh)
VXPU Đường kính bánh xe × Chiều rộng bánh xe 300 x 90mm
KS-11621200691111
300 mm 2700 Kgs 380 mm
Bánh xe cố định với khung thép hàn, sơn phủ màu xanh
Lắp đế, khoảng cách lỗ 210x160
Lõi bánh xe bằng gang với gai polyurethane chất lượng cao, phay màu đỏ tía
Vòng bi bánh xe - vòng bi góc