|
|
产品资料表 |
|
|
|
||
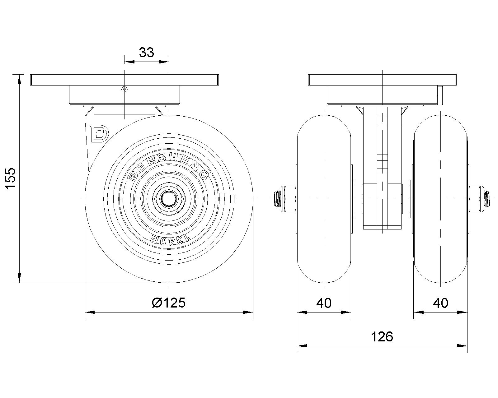
| 1163-1 左右平衡轮系列 |
|
|
||||
| EQPU轮(褐弧)轮径×轮宽 125 x 40mm |
|
|
||||
| A |
|
|||||
|
KS-11630502552023 |
|
|||||
|
|
|
|||||
活动式脚轮,焊接钢板架,表面镀锌 底板式安装装置,孔距110x75 铸铁制轮芯,高品质聚安酯轮面 铣褐色,轮子轴承—精密滚珠 |
|
|||||
|
|
|
|||||
| 轮面:高品质聚氨酯制成 轮芯:铁芯/铸铁 产品说明仅供参考一切以实体产品为主 |
|
|||||
|
|
|
|||||
公制 英制
轮径
125mm
轮宽
126mm
|
|
|
||||
|
轮子轴承
搭配滚珠轴承的轮子
底板规格
140 x 110mm
底板孔距
110x75mm
底板孔径
2213mm
偏心距
33mm
旋转干涉
226mm
总高
155mm
旋转半径
113mm
硬度
92±5° Shore A
荷重(动态)
600kgs
|
滚动顺畅 ● ● ● ● ● 静音表现 ● ● ● ● ● 保护地板 ● ● ● ● ● |
|||||
|
荷重(静态)
900kgs
温度
-20°C to +70°C
脚架样式
活动
|
|
|||||
|
不锈钢
否
导电
否
抗静电
否
脚轮重量
10.01kgs
测试标准
ISO22883
|
|
|
||||
|
|
|||||
|
|
|||||
|
|
|||||
|
|
|||||
| © 版权所有 2026 得貹上好轮 www.dersheng.com | ||||||