|
|
产品资料表 |
|
|
|
||
| 1163-1 左右平衡轮系列 |
|
|
||||
| ZQPU轮(铣蓝)轮径×轮宽 75x 20mm |
|
|
||||
| EAN |
|
|||||
|
KS-11630302802013 |
|
|||||
|
|
|
|||||
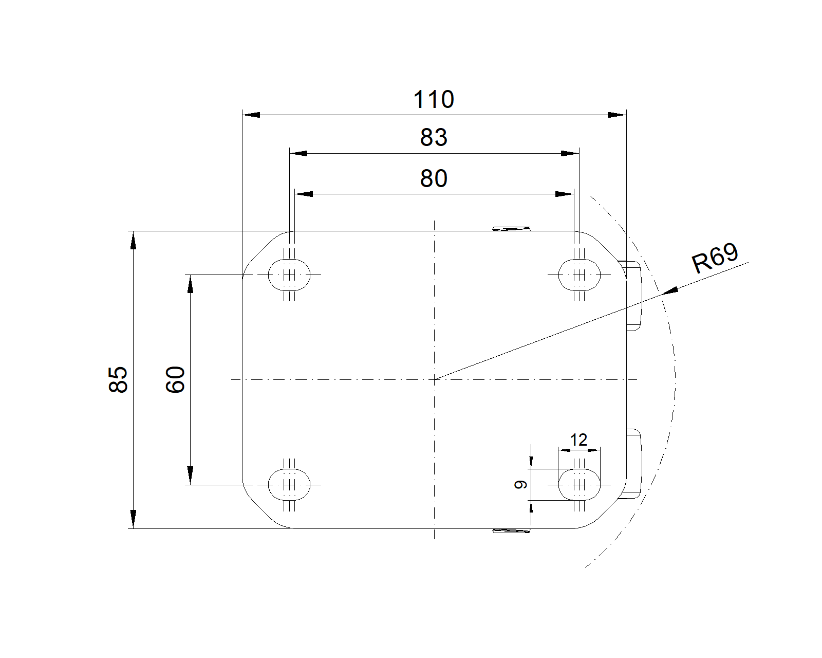
| 活动式脚轮,焊接钢板架
表面镀锌,底板式安装装置,孔距80x60 铸铁制轮芯,高品质聚氨酯轮面,铣蓝色 轮子轴承—特制的精密滚珠,降低运转阻力 ZQPU双轮,符合人体工学,更容易启动及转动 |
|
|||||
|
|
|
|||||
| 轮面:高品质聚氨酯制成 轮芯:铁芯/铸铁芯 产品说明仅供参考一切以实体产品为主 |
|
|||||
|
|
|
|||||
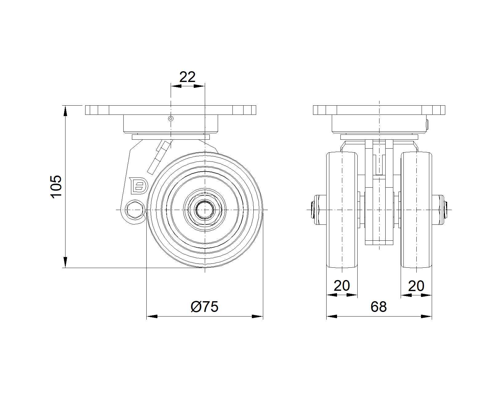
公制 英制
轮径
75mm
轮宽
68mm
|
|
|
||||
|
轮子轴承
搭配滚珠轴承的轮子
底板规格
110 x 85mm
底板孔距
80 x 60mm
底板孔径
129mm
偏心距
22mm
旋转干涉
138mm
总高
105mm
旋转半径
69mm
硬度
87±5° Shore A
荷重(动态)
650kgs
|
滚动顺畅 ● ● ● ● ● 静音表现 ● ● ● ● ● 保护地板 ● ● ● ● ● |
|||||
|
荷重(静态)
975kgs
温度
-20°C to +70°C
脚架样式
活动
|
|
|||||
|
不锈钢
否
导电
否
抗静电
否
脚轮重量
3.44kgs
测试标准
ISO22883
|
|
|
||||
|
|
|||||
|
|
|||||
|
|
|||||
|
|
|||||
| © 版权所有 2026 得貹上好轮 www.dersheng.com | ||||||