产品资料表
1163-1 左右平衡轮系列
  ZQPU轮(铣褐)轮径×轮宽 150x 24mm
  EAN
      KS-11630602802013
         

活动式脚轮,焊接钢板架,表面镀锌
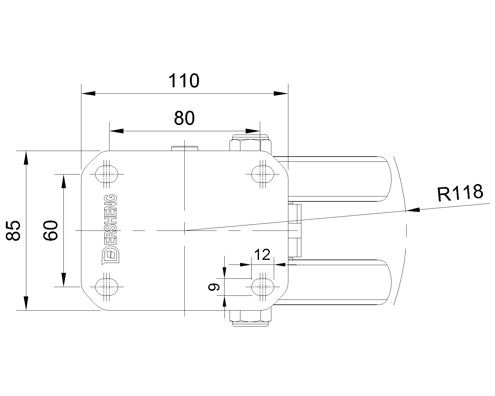
底板式安裝裝置,孔距110x75
铸铁制轮芯,高品质聚氨酯轮面,铣褐色
轮子轴承—特制的精密滾珠,降低运转阻力
ZQPU双轮,符合人体工学,更容易启动及转动
  轮面:高品质聚氨酯制成
  轮芯:铁芯/铸铁

    产品说明仅供参考一切以实体产品为主



     
      公制 英制
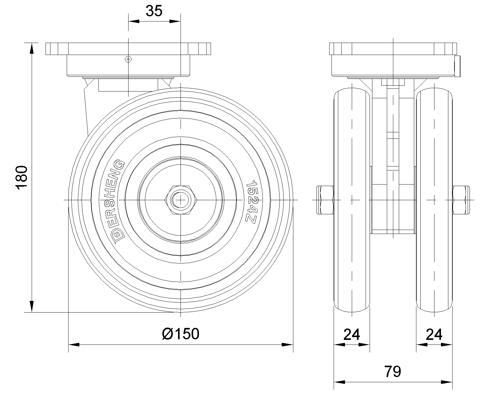
  轮径 150mm 

  轮宽 79mm 
  轮子轴承 搭配滚珠轴承的轮子 
  底板规格 140 x 110mm 
  底板孔距 110x75mm   
  底板孔径 2213mm 
  偏心距 35mm 
  旋转干涉 236mm 
  总高 180mm 
  旋转半径 118mm 
  硬度 92±5° Shore A 
  荷重(动态) 380kgs 


  滚动顺畅
      ● ● ● ● ●

  静音表现      ● ● ● ● ●

  保护地板      ● ● ● ● ●

  荷重(静态) 570kgs 
  温度 -20°C to +70°C 
  脚架样式 活动 
  不锈钢
  导电 否 
  抗静电 否 
  脚轮重量 9.59kgs 
  测试标准 ISO22883
  
  
  © 版权所有 2026 得貹上好轮 www.dersheng.com
关  联  产  品
1163-1 左右平衡轮系列
ZQPU轮(铣褐)轮径×轮宽 150x 24mm
KS-11630602802023
150 mm 380 Kgs 180 mm

活动式脚轮,焊接钢板架,表面镀锌
底板式安裝裝置,孔距110x75
铸铁制轮芯,高品质聚氨酯轮面,铣褐色
轮子轴承—特制的精密滾珠,降低运转阻力
ZQPU双轮,符合人体工学,更容易启动及转动