|
|
Bảng dữ liệu sản phẩm |
|
|
|
||
| 1163-1 Series — BÁNH XE TỰ CÂN BẰNG |
|
|
||||
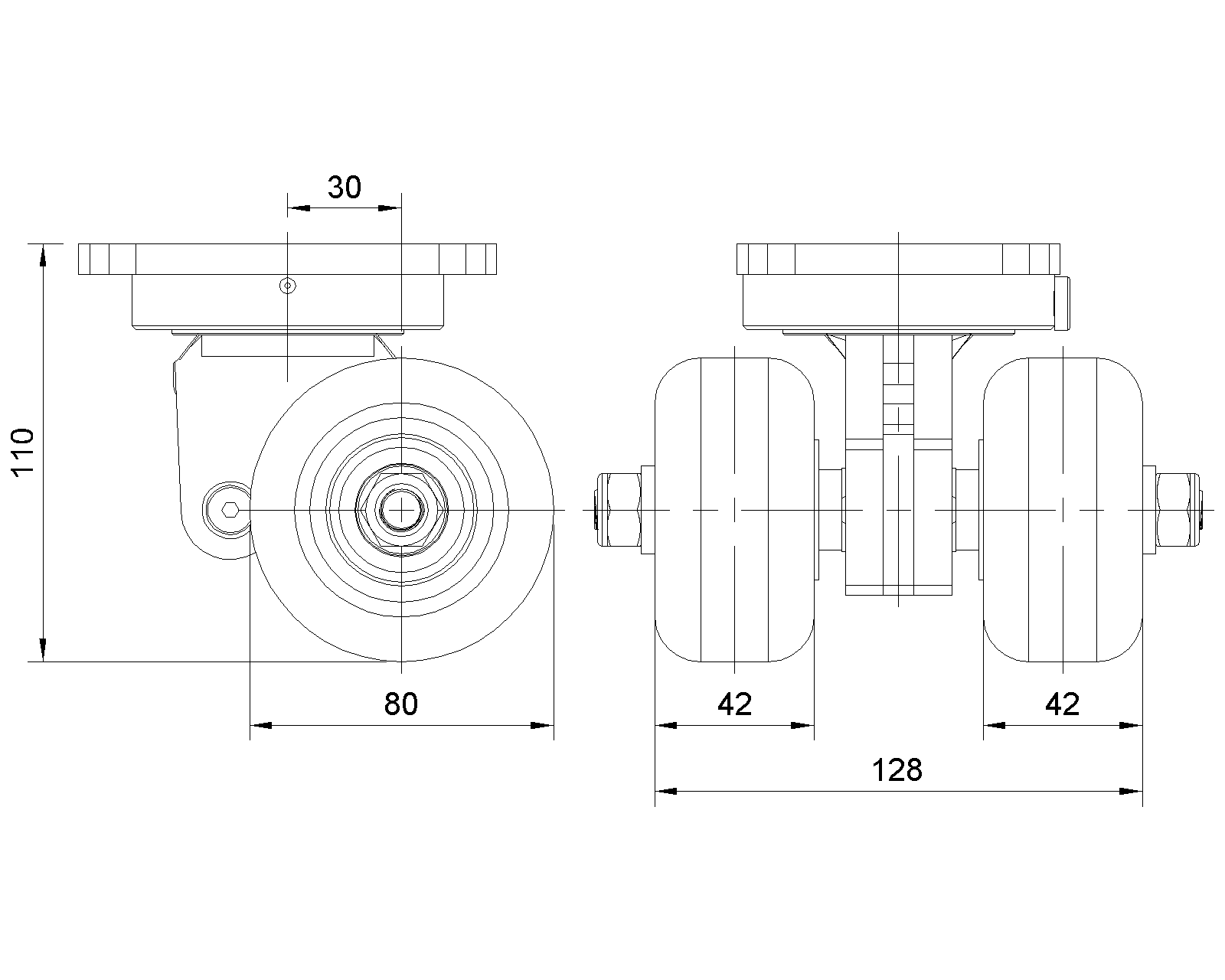
| QPU Bánh xe (hồ quang nâu) Đường kính bánh xe × Chiều rộng bánh xe 80 x 42mm |
|
|
||||
| EAN |
|
|||||
|
KS-11632302532213 |
|
|||||
|
|
|
|||||
| Bánh xe xoay với khung thép hàn
Hoàn thiện mạ kẽm, lắp đế, khoảng cách lỗ 80x60 Lõi nhôm với rãnh polyurethane chất lượng cao Vòng bi chính xác màu nâu phay, có nắp bánh xe chống quấn đặc biệt |
|
|||||
|
|
|
|||||
| Mặt bánh xe: Được làm bằng polyurethane chất lượng cao Lõi bánh xe: lõi sắt/gang Mô tả sản phẩm chỉ mang tính chất tham khảo. Sản phẩm thực tế sẽ được ưu tiên. |
|
|||||
|
|
|
|||||
đơn vị mét đế quốc
Đường kính bánh xe
80mm
Chiều rộng bánh xe
128mm
|
|
|
||||
|
vòng bi bánh xe
Bánh xe trang bị vòng bi bi
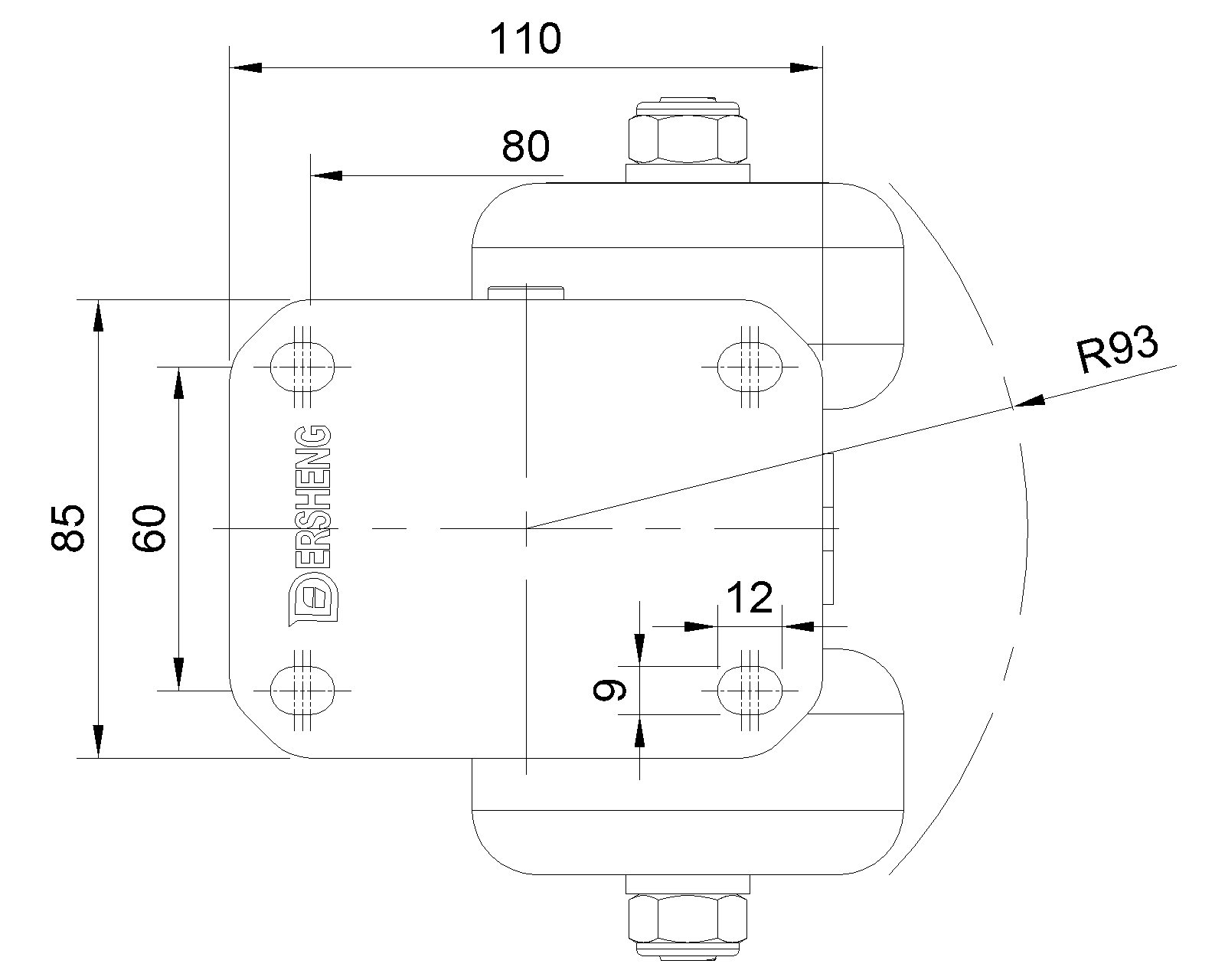
Quy cách tấm lắp
110 x 85mm
khoảng cách các lỗ trên tấm nền
80 x 60mm
Khoảng cách các lỗ lắp
129mm
Độ lệch tâm
30mm
Sự can thiệp quay
186mm
Tổng chiều cao
110mm
Bán kính xoay
93mm
Độ cứng
92±5° Shore A
Tải trọng (động)
550kgs
|
Độ di chuyển mượt mà ● ● ● ● ● Chế độ im lặng ● ● ● ● ● Bảo vệ mặt sàn ● ● ● ● ● |
|||||
|
Tải trọng (tĩnh)
825kgs
Nhiệt độ
-20°C to +70°C
Càng bánh xe
Xoay
|
|
|||||
|
Thép không gỉ
N/A
Dẫn điện
N/A
Chống tĩnh điện
N/A
Trọng lượng bánh xe đẩy
5.07kgs
Tiêu chuẩn kiểm nghiệm
ISO22883
|
|
|
||||
|
|
|||||
|
|
|||||
|
|
|||||
|
|
|||||
| © Bản quyền thuộc về 2026 DershengInternational www.dersheng.com | ||||||