1165-1 AMR/AGV-1弹簧轮系列
  QPU 轮(蓝弧)轮径 × 轮宽 75×45 mm
  EAN
      KS-11650300532013A
         

活动式弹簧加载脚轮,焊接钢板架
表面镀锌,底板式安装,孔距80x60
铸铁制轮芯,高品质聚氨酯轮面
铣蓝色,轮子轴承—精密滚珠
  轮面:高品质聚氨酯制成
  轮芯:铁芯/铸铁

    产品说明仅供参考一切以实体产品为主



     
      公制 英制
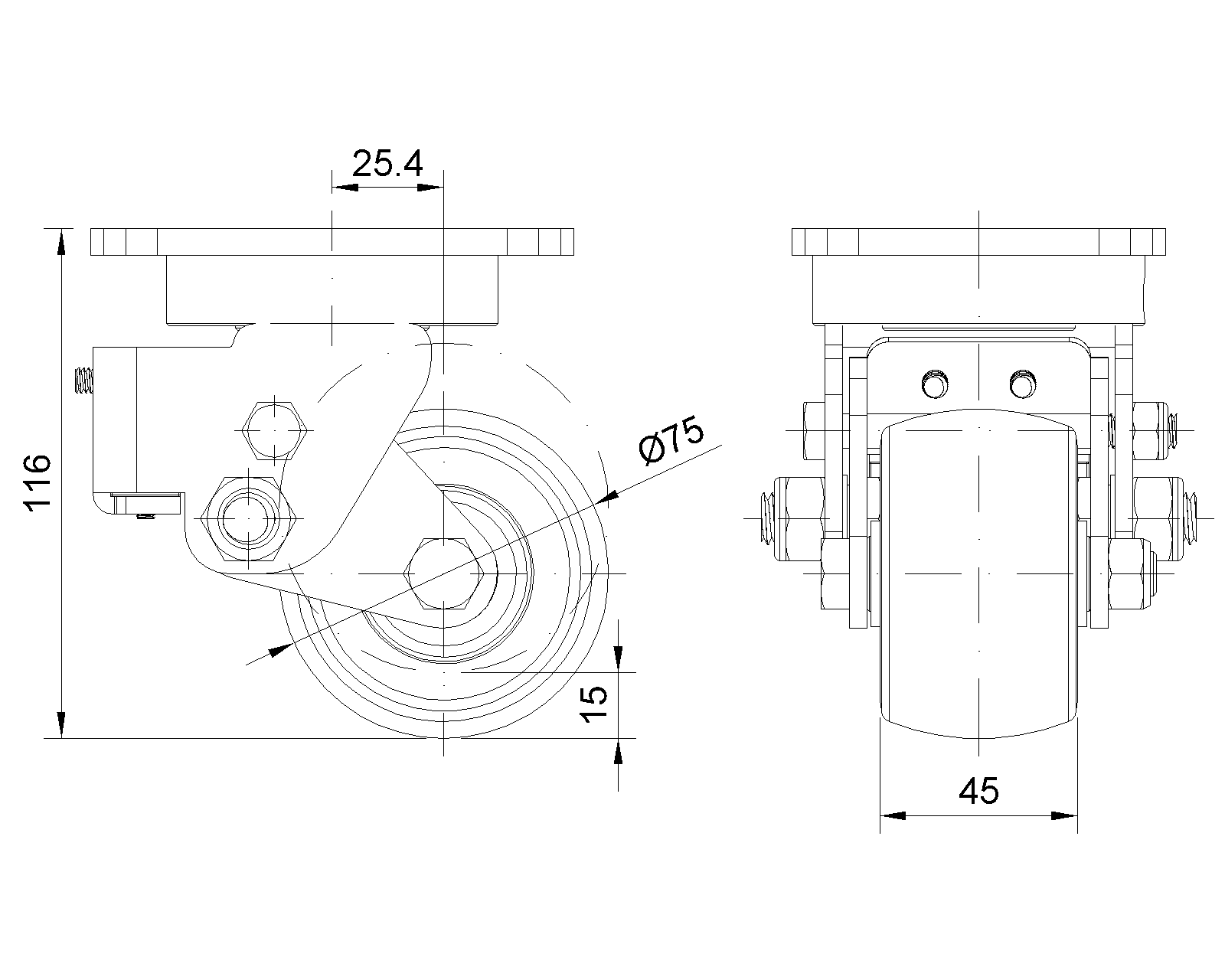
  轮径 75mm 

  轮宽 45mm 
  轮子轴承 搭配滚珠轴承的轮子 
  底板规格 110 x 85mm 
  底板孔距 80 x 60mm   
  底板孔径 129mm 
  偏心距 25.4mm 
  旋转干涉 130mm 
  总高 116mm 
  旋转半径 65mm 
  硬度 87±5° Shore A 
  荷重(动态) 250kgs 


  滚动顺畅
      ● ● ● ● ●

  静音表现      ● ● ● ● ●

  保护地板      ● ● ● ● ●

  荷重(静态) 375kgs 
  温度 -20°C to +70°C 
  脚架样式 活动 
  不锈钢
  导电 否 
  抗静电 否 
  脚轮重量 1.87kgs 
  测试标准 ISO22883
  
  
  © 版权所有 2026 得貹上好轮 www.dersheng.com
关  联  产  品
1165-1 AMR/AGV-1弹簧轮系列
QPU 轮(蓝弧)轮径 × 轮宽 75×45 mm
KS-11650300531013
75 mm 250 Kgs 116 mm

固定式弹簧加载脚轮,焊接钢板架
表面镀锌,底板式安装,孔距80x60
铸铁制轮芯,高品质聚氨酯轮面
铣蓝色,轮子轴承—精密滚珠