产品资料表
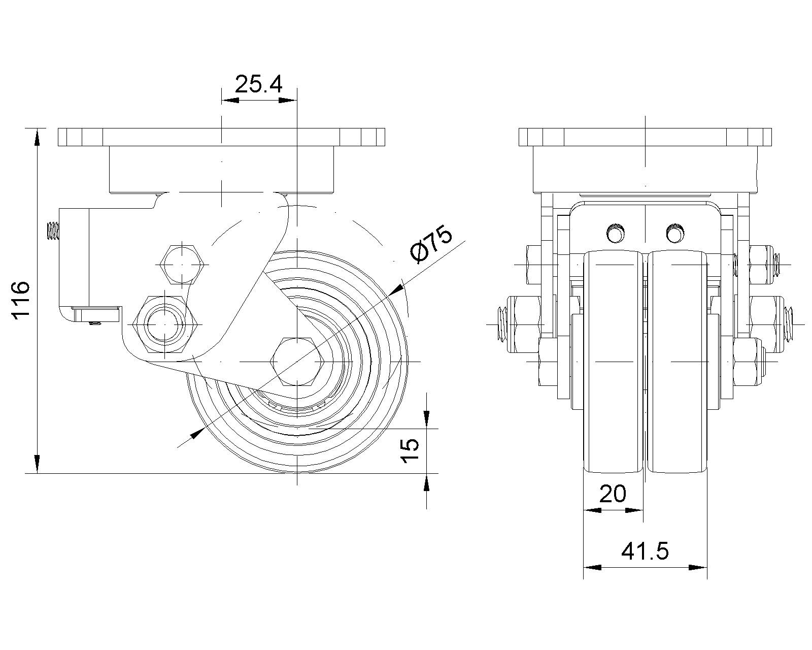
1165-1 AMR/AGV-1弹簧轮系列
  ZQPU 轮(铣蓝) 轮径 × 轮宽 75×20(41.5)mm
  EAN
      KS-11650300802013
         

活动式弹簧加载脚轮,焊接钢板架
表面镀锌,底板式安裝,孔距80x60
铸铁制轮芯,高品质聚氨酯轮面,铣蓝色
轮子轴承—特制的精密滾珠,降低运转阻力
ZQPU双轮,符合人体工学,更容易启动及转动
  轮面:高品质聚氨酯制成
  轮芯:铁芯/铸铁

    产品说明仅供参考一切以实体产品为主



     
      公制 英制
  轮径 75mm 

  轮宽 41.5mm 
  轮子轴承 搭配滚珠轴承的轮子 
  底板规格 110 x 85mm 
  底板孔距 80 x 60mm   
  底板孔径 12 x 9mm 
  偏心距 25.4mm 
  旋转干涉 130mm 
  总高 116mm 
  旋转半径 65mm 
  硬度 87±5° Shore A 
  荷重(动态) 300kgs 


  滚动顺畅
      ● ● ● ● ●

  静音表现      ● ● ● ● ●

  保护地板      ● ● ● ● ●

  荷重(静态) 450kgs 
  温度 -20°C to +70°C 
  脚架样式 活动 
  不锈钢
  导电 否 
  抗静电 否 
  脚轮重量 1.88kgs 
  测试标准 ISO22883
  
  
  © 版权所有 2026 得貹上好轮 www.dersheng.com
关  联  产  品
1165-1 AMR/AGV-1弹簧轮系列
ZQPU 轮(铣蓝) 轮径 × 轮宽 75×20(41.5)mm
KS-11650300801013
75 mm 300 Kgs 116 mm

固定式弹簧加载脚轮,焊接钢板架
表面镀锌,底板式安裝,孔距80x60
铸铁制轮芯,高品质聚氨酯轮面,铣蓝色
轮子轴承—特制的精密滾珠,降低运转阻力
ZQPU双轮,符合人体工学,更容易启动及转动