产品资料表
1165-2 AMR/AGV-2活动系列
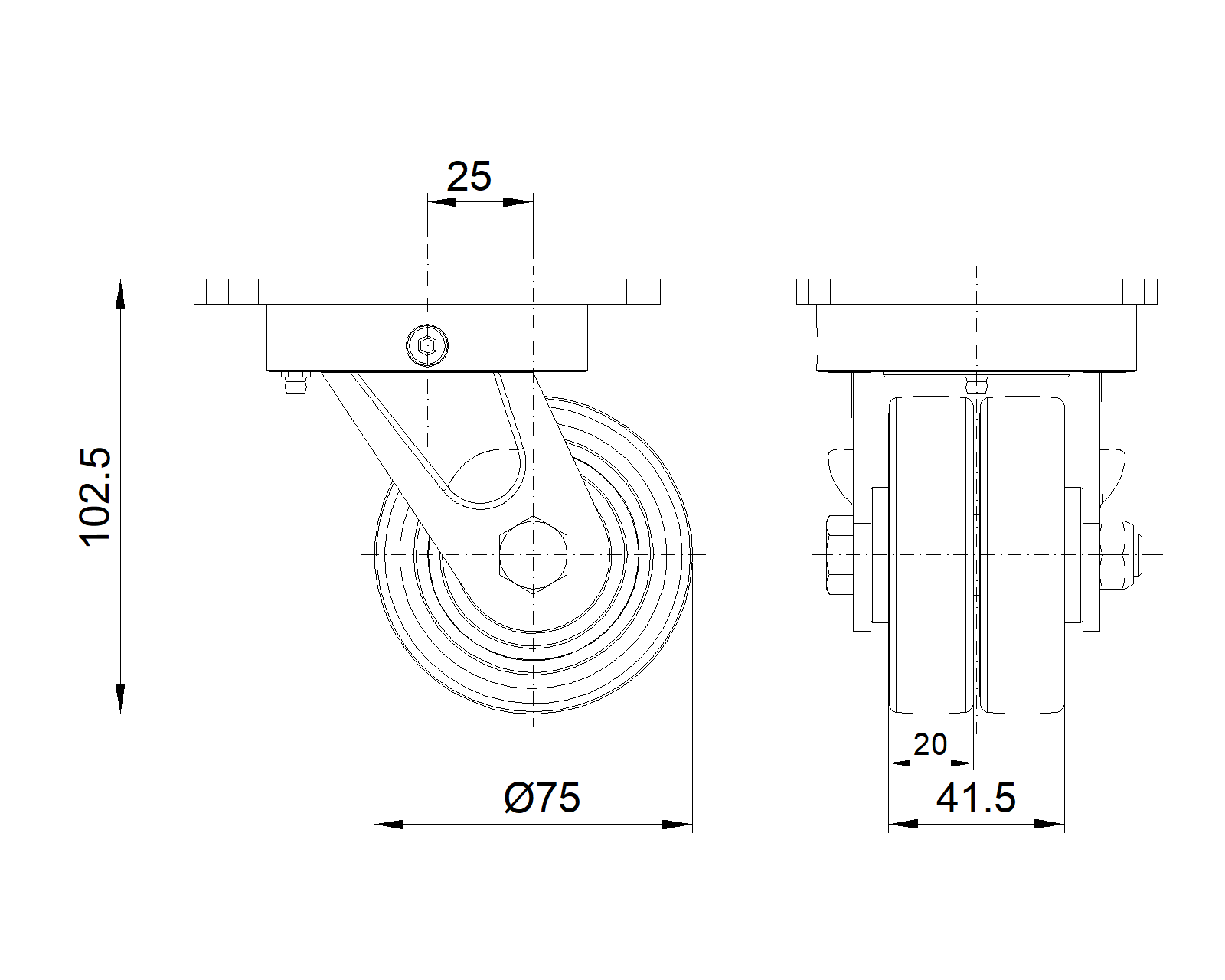
  抗静电ZQPU轮(铣黑)轮径×轮宽 75x 20(41.5)mm
  EAN
      KS-11650302802723
         
活动式脚轮,焊接钢板架
表面电镀,底板式安裝裝置,孔距80x60
铸铁制轮芯,高品质聚氨酯轮面,铣黑色
轮子轴承—特制的精密滾珠,降低运转阻力
ZQPU双轮,符合人体工学,更容易启动及转动
  轮面:高品质聚氨酯制成
  轮芯:铁芯/铸铁

    产品说明仅供参考一切以实体产品为主



     
      公制 英制
  轮径 75mm 

  轮宽 41.5mm 
  轮子轴承 搭配滚珠轴承的轮子 
  底板规格 110 x 85mm 
  底板孔距 80 x 60mm   
  底板孔径 12 x 9mm 
  偏心距 25mm 
  旋转干涉 145mm 
  总高 102.5mm 
  旋转半径 72.5mm 
  硬度 85±5° Shore A 
  荷重(动态) 250kgs 


  滚动顺畅
      ● ● ● ● ●

  静音表现      ● ● ● ● ●

  保护地板      ● ● ● ● ●

  荷重(静态) 375kgs 
  温度 -20°C to +70°C 
  脚架样式 活动 
  不锈钢
  导电 否 
  抗静电 是 10^6/~10^9/02
  脚轮重量 1.70kgs 
  测试标准 ISO22883
  
  
  © 版权所有 2026 得貹上好轮 www.dersheng.com
关  联  产  品
1165-2 AMR/AGV-2活动系列
抗静电ZQPU轮(铣黑)轮径×轮宽 75x 20(41.5)mm
KS-11650302801723
75 mm 250 Kgs 102.5 mm

固定式脚轮,焊接钢板架,表面电镀
底板式安裝裝置,孔距80x60
铸铁制轮芯,高品质聚氨酯轮面,铣黑色
轮子轴承—特制的精密滾珠,降低运转阻力
ZQPU双轮,符合人体工学,更容易启动及转动
1165-3 AMR/AGV-3活动轮系列(中型)
抗静电ZQPU轮(铣黑)轮径×轮宽 75x 20(41.5)mm
KS-11650303802723
75 mm 250 Kgs 102.5 mm

活动式脚轮,焊接钢板架,表面电镀
底板式安裝裝置,孔距80x60
铸铁制轮芯,高品质聚氨酯轮面,铣黑色
轮子轴承—特制的精密滾珠,降低运转阻力
ZQPU双轮,符合人体工学,更容易启动及转动
1165-3 AMR/AGV-3活动轮系列(中型)
抗静电ZQPU轮(铣黑)轮径×轮宽 75x 20(41.5)mm
KS-11650303801723
75 mm 250 Kgs 102.5 mm
固定式脚轮,焊接钢板架
表面电镀,底板式安裝裝置,孔距80x60
铸铁制轮芯,高品质聚氨酯轮面,铣黑色
轮子轴承—特制的精密滾珠,降低运转阻力
ZQPU双轮,符合人体工学,更容易启动及转动