产品资料表
1165-3 AMR/AGV-3活动轮系列(中型)
  ZQPU 轮(褐弧)轮径 × 轮宽 32.5 × 15mm
  EAN
      KS-11655103802013
         

活动式脚轮,焊接钢板架,表面镀锌
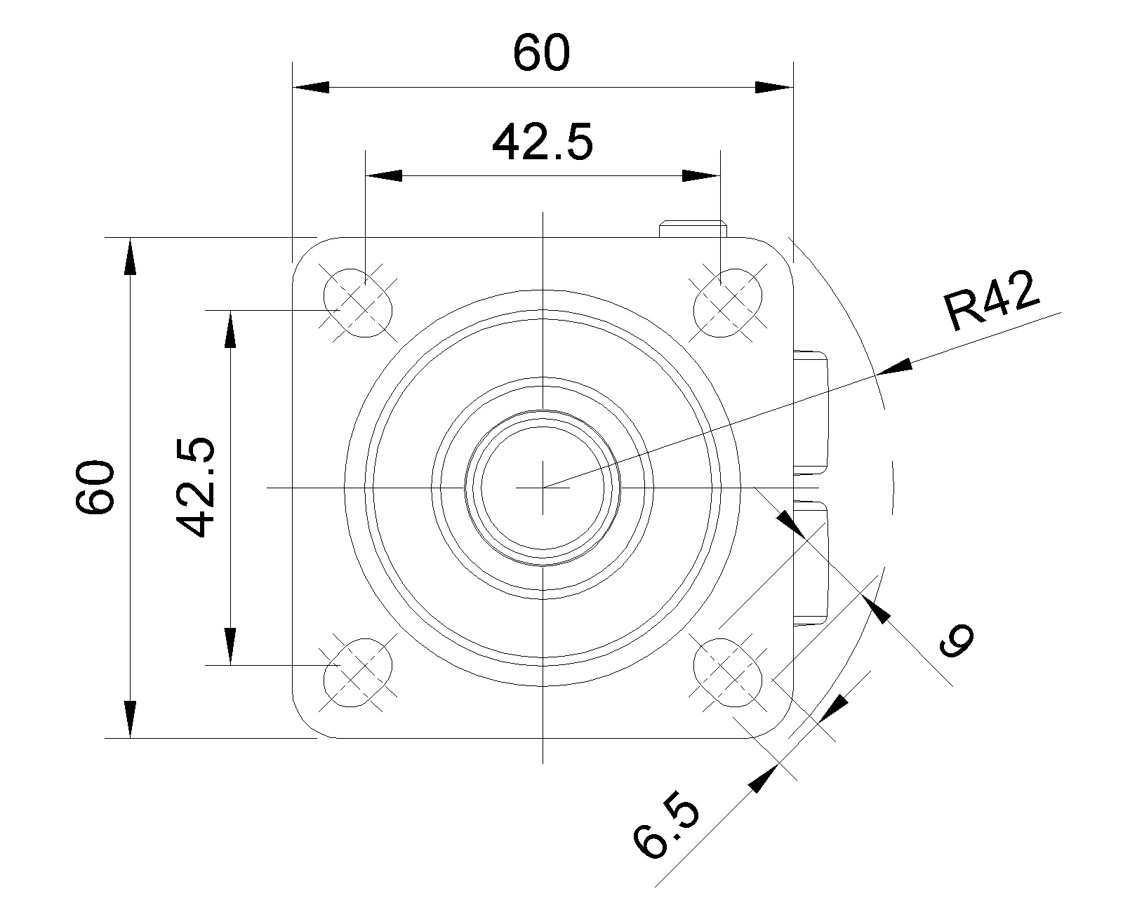
底板式安裝裝置,孔距42.5x42.5
铸铁制轮芯,高品质聚氨酯轮面,铣褐色
轮子轴承—特制的精密滾珠,降低运转阻力
ZQPU双轮,符合人体工学,更容易启动及转动
  轮面:高品质聚氨酯制成
  轮芯:铁芯/铸铁

    产品说明仅供参考一切以实体产品为主



     
      公制 英制
  轮径 32.5mm 

  轮宽 15mm 
  轮子轴承 搭配滚珠轴承的轮子 
  底板规格 60 x 60mm 
  底板孔距 42.5x42.5mm   
  底板孔径 9 x 6.5mm 
  偏心距 18mm 
  旋转干涉 84mm 
  总高 52mm 
  旋转半径 42mm 
  硬度 92±5° Shore A 
  荷重(动态) 70kgs 


  滚动顺畅
      ● ● ● ● ●

  静音表现      ● ● ● ● ●

  保护地板      ● ● ● ● ●

  荷重(静态) 105kgs 
  温度 -20°C to +70°C 
  脚架样式 活动 
  不锈钢
  导电 否 
  抗静电 否 
  脚轮重量 0.30kgs 
  测试标准 ISO22883
  
  
  © 版权所有 2026 得貹上好轮 www.dersheng.com
关  联  产  品
1165-2 AMR/AGV-2活动系列
ZQPU 轮(褐弧)轮径 × 轮宽 32.5 × 15mm
KS-11655102802013
32.5 mm 70 Kgs 52 mm

活动式脚轮,焊接钢板架,表面镀锌
底板式安裝裝置,孔距42.5x42.5
铸铁制轮芯,高品质聚氨酯轮面,铣褐色
轮子轴承—特制的精密滾珠,降低运转阻力
ZQPU双轮,符合人体工学,更容易启动及转动