产品资料表
1165-3 AMR/AGV-3活动轮系列(中型)
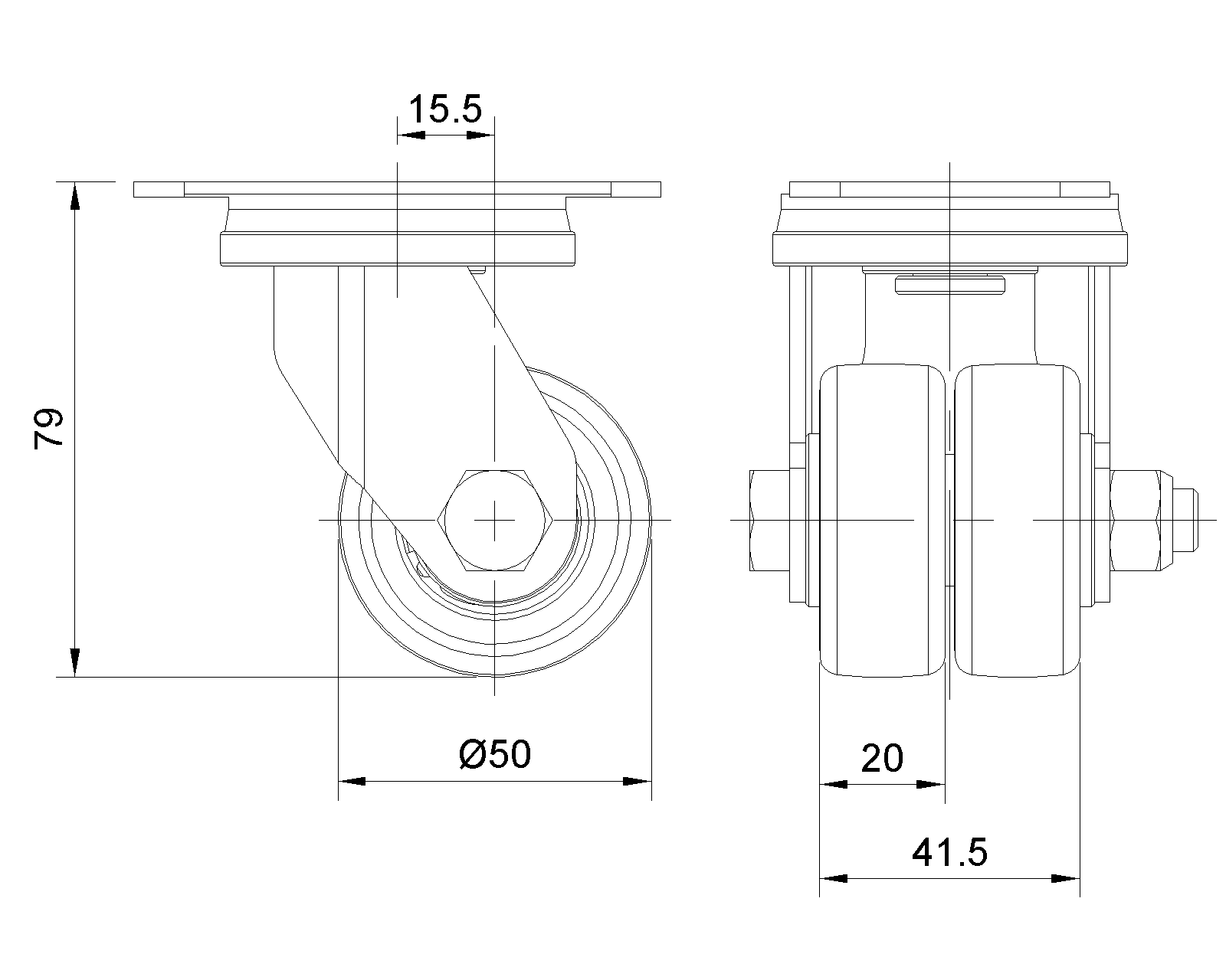
  ZQPU轮 (铣蓝)轮径 × 轮宽 50× 20(41.5) mm
  EAN
      KS-11650203802113
         

活动式脚轮,焊接钢板架,表面镀锌
底板式安裝裝置,孔距70X37
铸铁制轮芯,高品质聚氨酯轮面,铣蓝色
轮子轴承—特制的精密滾珠,降低运转阻力
ZQPU双轮,符合人体工学,更容易启动及转动
  轮面:高品质聚氨酯制成
  轮芯:铁芯/铸铁

    产品说明仅供参考一切以实体产品为主



     
      公制 英制
  轮径 50mm 

  轮宽 41.5mm 
  轮子轴承 搭配滚珠轴承的轮子 
  底板规格 84 x 51mm 
  底板孔距 70 x 37mm   
  底板孔径 6.5mm 
  偏心距 15.5mm 
  旋转干涉 94mm 
  总高 79mm 
  旋转半径 47mm 
  硬度 87±5° Shore A 
  荷重(动态) 70kgs 


  滚动顺畅
      ● ● ● ● ●

  静音表现      ● ● ● ● ●

  保护地板      ● ● ● ● ●

  荷重(静态) 105kgs 
  温度 -20°C to +70°C 
  脚架样式 活动 
  不锈钢
  导电 否 
  抗静电 否 
  脚轮重量 0.71kgs 
  测试标准 ISO22883
  
  
  © 版权所有 2026 得貹上好轮 www.dersheng.com
关  联  产  品
1165-2 AMR/AGV-2活动系列
ZQPU轮 (铣蓝)轮径 × 轮宽 50× 20(41.5) mm
KS-11650202802013
50 mm 70 Kgs 79 mm

活动式脚轮,焊接钢板架,表面镀锌
底板式安裝裝置,孔距70x37
铸铁制轮芯,高品质聚氨酯轮面,铣蓝色
轮子轴承—特制的精密滾珠,降低运转阻力
ZQPU双轮,符合人体工学,更容易启动及转动