产品资料表
1165-3 AMR/AGV-3活动轮系列(中型)
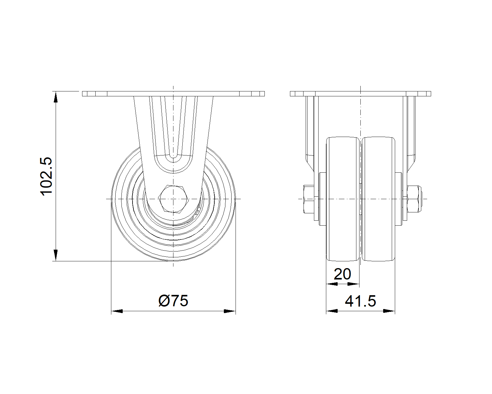
  ZQPU 轮(铣蓝) 轮径 × 轮宽 75×20(41.5)mm
  EAN
      KS-11650303801023
         
固定式脚轮,焊接钢板架
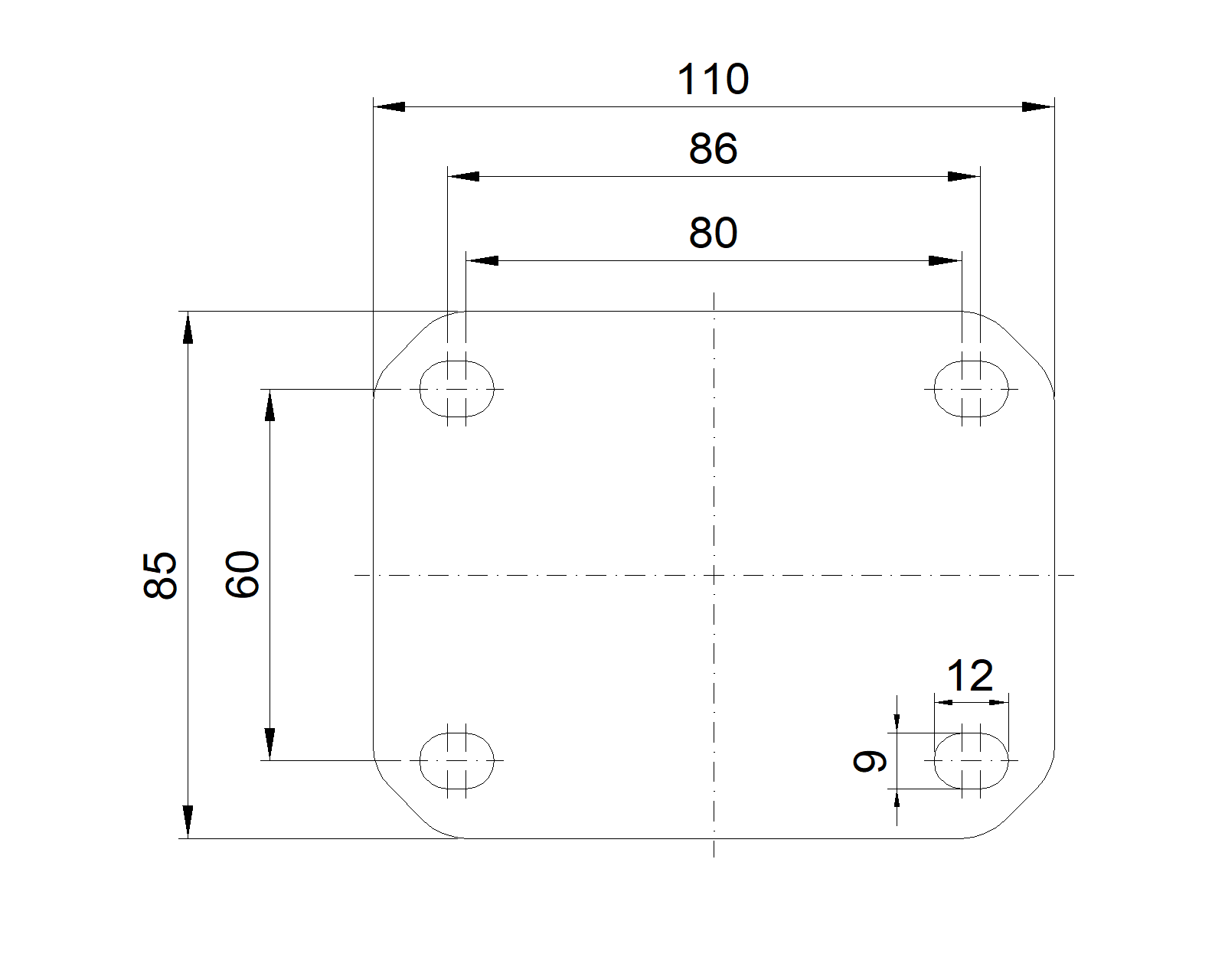
表面镀锌,底板式安裝裝置,孔距80x60
铸铁制轮芯,高品质聚氨酯轮面,铣蓝色
轮子轴承—特制的精密滾珠,降低运转阻力
ZQPU双轮,符合人体工学,更容易启动及转动
  轮面:高品质聚氨酯制成
  轮芯:铁芯/铸铁

    产品说明仅供参考一切以实体产品为主



     
      公制 英制
  轮径 75mm 
  轮宽 41.5mm 
  轮子轴承 搭配滚珠轴承的轮子 
  底板规格 110 x 85mm 
  底板孔距 80 x 60mm   
  底板孔径 12 x 9mm 
  总高 102.5mm 
  硬度 87±5° Shore A 
  荷重(动态) 200kgs 


  滚动顺畅
      ● ● ● ● ●

  静音表现      ● ● ● ● ●

  保护地板      ● ● ● ● ●

  荷重(静态) 300kgs 
  温度 -20°C to +70°C 
  脚架样式 固定 
  不锈钢
  导电 否 
  抗静电 否 
  脚轮重量 1.52kgs 
  测试标准 ISO22883
  
  
  © 版权所有 2025 得貹上好轮 www.dersheng.com


            關  聯  產  品



  1165-2 AMR/AGV-2活动系列
   ZQPU 轮(铣蓝) 轮径 × 轮宽 75×20(41.5)mm

     KS-11650302801023
       

         75 mm         300 Kgs         102.5 mm    


固定式脚轮,焊接钢板架,表面镀锌
底板式安裝裝置,孔距80x60
铸铁制轮芯,高品质聚氨酯轮面,铣蓝色
轮子轴承—特制的精密滾珠,降低运转阻力
ZQPU双轮,符合人体工学,更容易启动及转动




  1165-2 AMR/AGV-2活动系列
   ZQPU 轮(铣蓝) 轮径 × 轮宽 75×20(41.5)mm

     KS-11650302802023
       

         75 mm         300 Kgs         102.5 mm    

活动式脚轮,焊接钢板架
表面镀锌,底板式安裝裝置,孔距80x60
铸铁制轮芯,高品质聚氨酯轮面,铣蓝色
轮子轴承—特制的精密滾珠,降低运转阻力
ZQPU双轮,符合人体工学,更容易启动及转动